back to
>
Roth / TORO
>
Ride-On Mowers
>
Traktor
>
12-32 XL
>
390/71200
>
3900001
>
Electrical Assy.
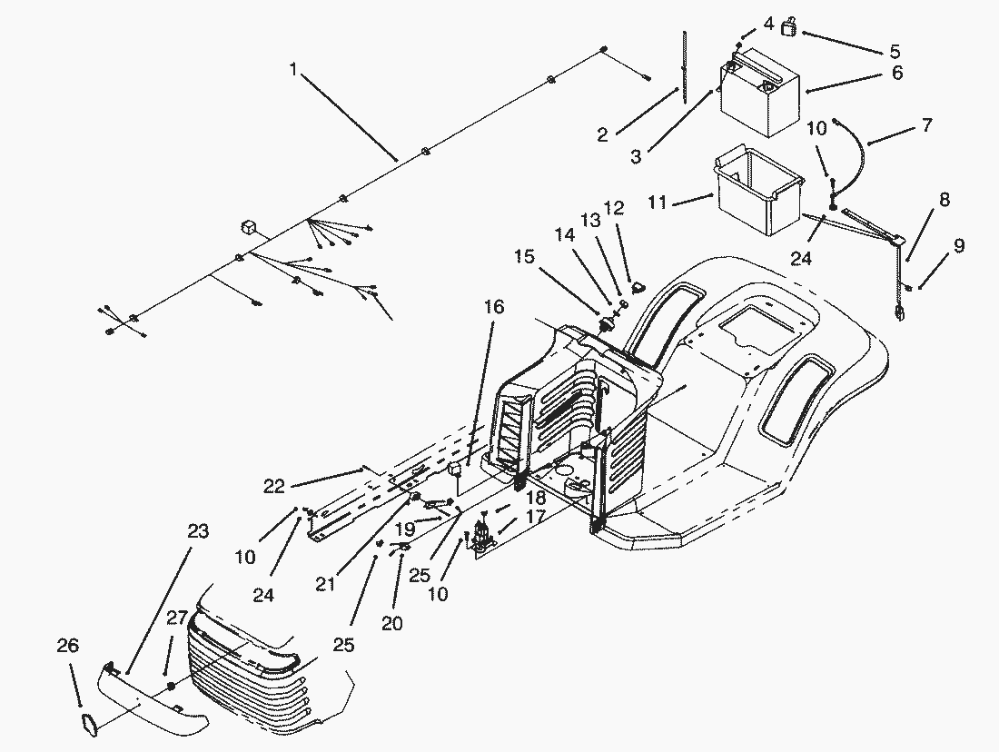
Spare Parts Lists for Toro Roth / TORO Electrical Assy.
pos.
decription
spare part number
1
Harness-Wire
88-4310
2
Vent-Tube
56-2540
3
Capscrew
321-4
4
Nut-Wing
32103-22
5
Boot-Battery Terminal
28-8080
6
Battery-7 Plate
80-2600
7
Cable-Battery Negative
44-8110
8
Switch-Seat
38-1420
9
Clip-Wire Retainer
702366
10
Screw Thread Forming
32144-4
11
Box-Battery
88-4040
12
Key-Ignition
63-8360
13
Hex Nut
218-461
14
Lockwasher
3254-5
15
Switch-Ignition
88-9830
16
Relay
116397
17
Solenoid-Starter
47-1910
18
Locknut
32149-2
19
Screw
910478
20
Switch-Micro
88-9931
21
Spacer-Microswitch
88-4880
22
Speed Nut
3290-354
23
Lens-Headlights
88-3960
24
Lockwasher
3255-7
25
Seal-Plunger
88-4480
26
Plate-Grille Panel
80-2240
27
Nut-Tinnerman
3290-299
Lists
Toro
Roth / TORO
Ride-On Mowers
Traktor
264-6
246 HE
244-5
212-H
212-5
17-44 HXLE
16-44 HXL
16-38 HXL
16-38 XLE
15-44 HXL
15-38 HXL
14-38 HXL
14-38 XL
13-38 HXL
13-38 XL
13-32 XLE
12-38 HXL
12-38 XL
12-32 XL
390/71201
390/71200
5910001
5900001
4900001
3900001
Peerlesss Transaxle Model No. 915-020
Engine B&S Model 283707-0156-01
Engine B&S Model 254707-0128-01
HOC Assy.
Transaxle Assy.
Electrical Assy.
Shift Assy. (Serial No. 3901529 & up)(Model No. 71140)(Serial No. 3900900 & up)(Model No. 71200)
Shift Assy. (Serial No. 3900001-3901528)(Model No. 71140)(Serial No. 3900001-3900899)(Model No. 71200)
Clutch Assy.
Engine Assy.
Steering Assy.
Seat Assy.
Front Axle Assy.
Hood Assy.
Frame Assy.
264 H
265 H
267 H
268 H
270 H
520 xi
520 Lxi
523 Dxi
Rider
Mower decks
Attachements
Hand operated
Robin
Terms and Conditions
(C) by motoruf