back to
>
Roth / TORO
>
Hand operated
>
Lawnmower
>
2-stroke SP
>
237/22036
>
2000001
>
Housing Assy. (Cont.)
Spare Parts Lists for Toro Roth / TORO Housing Assy. (Cont.)
pos.
decription
spare part number
12-6689
53-7720
pos.
decription
spare part number
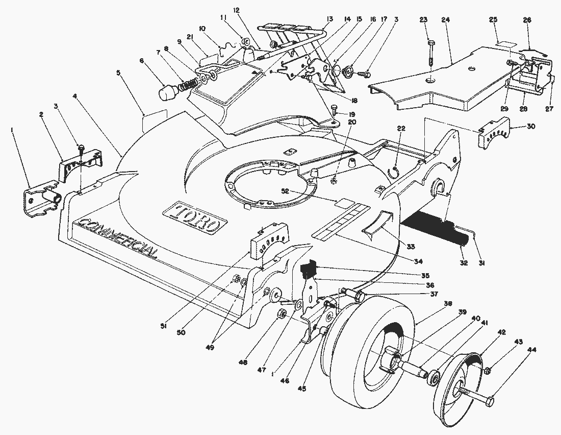
31
Rod-Shield
33-3208
32
Shield-Rear Safety
44-0580
33
Decal-Step Pad
62-3950
34
Decal-Safety Instructions
74-2120
35
Knob-Arm
25-7740
36
Spring Arm Assy. Front
66-7560
37
Bolt-Wheel
27-6231
38
Tire
53-7740
39
Hub-Bearing Support
52-2410
40
Spacer-Bearing
52-2440
41
Bearing
52-2450
42
Plate-Wheel Half
53-7780
43
MUTTER
3296-42
44
Hex Hd. Capscrew
323-12
45
Spacer-Wheel
52-2480
46
Capscrew
321-2
47
Thrust Washer
257-3
48
Locknut
32152-2
49
SCHEIBE
40-1940
50
MUTTER
52-3620
51
Quadrant-Front L.H.
49-8760
52
Lists
Toro
Roth / TORO
Ride-On Mowers
Hand operated
Sweeper
Snowthrower
Vac/Blower
Lawnmower
Grass Baggers
4-stroke SP
4-stroke
2-stroke SP
295/26643
295/26643 B
295/26640 BC
295/26640 B
287/20916B
277
255/22700 BC
255/22700
239
237/22045
237/22045 B
237/22044 BC
237/22036
2000001
Carburetor Assy. (Model No. 47PM1-3)
Recoil Assy. (Model No. 47PM1-3)
Governor Assy. (Model No. 47PM1-3)
Ignition Assy. (Model No. 47PM1-3)
Muffler Assy. (Model No. 47PM1-3)
Crankshaft Assy. (Model No. 47PM1-3)
Side Discharge Chute Model No. 59110 (Optional)
Recycler Kit Model No. 59182 (Optional)
Bag Assy. No. 11-5609
Fuel Tank Assy.
Handle Assy.
Gearbox Assy. (Cont.)
Gearbox Assy.
Engine Assy.
Housing Assy. (Cont.)
Housing Assy.
1000001
0000001
237/22035
234
224
222/16212 WG
2-stroke
Electric
Battery
Robin
Terms and Conditions
(C) by motoruf