back to
>
Roth / TORO
>
Ride-On Mowers
>
Rider
>
8-25
>
372/70060
>
39000001
>
Transmission & Linkage Assy.
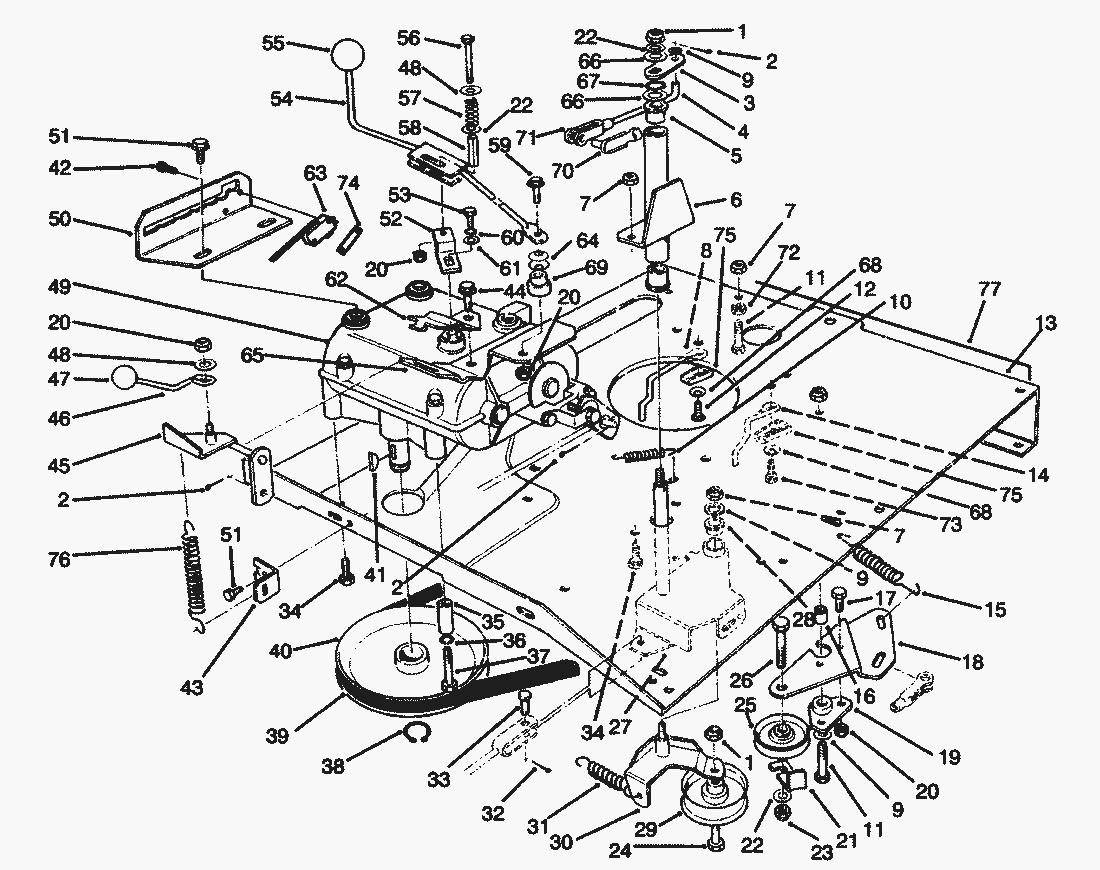
Spare Parts Lists for Toro Roth / TORO Transmission & Linkage Assy.
pos.
decription
spare part number
67-0360-03
67-0540-03
pos.
decription
spare part number
1
Locknut
3296-39
2
Cotter Pin
3272-6
3
Flat-Deck Engage
67-0690-03
4
Link-Deck Engage
68-8370
5
Bushing
256-90
7
MUTTER
3296-29
8
Guide R.H.-Belt, Engine
67-0930
9
Washer
3256-23
10
Spring-Extension
26-6700
11
Capscrew
322-6
12
Carriage Bolt
3230-2
13
Plate-Engine
76-4090-01
14
Guide L.H.-Belt, Engine
67-0940
15
Spring-Traction
68-9950
16
Spacer-Pivot
67-0410
17
Capscrew
321-4
18
Plate-Mount, ldler
67-0420-03
19
Mount-Pivot
67-0400
20
MUTTER
3296-42
21
Retainer-Belt
12-9020
22
Flat Washer
3256-24
23
Nut-Lock
3296-59
24
Capscrew
323-10
25
Idler Pulley
12-5820
26
Capscrew
323-8
28
Bushing
256-155
29
Pulley-Idler
56-9870
30
Idler-Plate, Mount
67-0330-0
31
Spring
67-9170
32
Cotter Pin
3274-4
33
Pin-Clevis
283-67
34
Capscrew
322-3
35
Guide-Belt
67-0920
36
Lockwasher
3253-4
37
Capscrew
322-10
38
Ring-External Retaining
32120-64
39
Belt-Traction
67-0900
40
Pulley-Transmission
82-6450
41
Key Woodruff
3257-23
42
Screw-Tapping
147665
43
Bracket-Mount, Spring
67-0750-01
44
Self Tapping Screw
32144-70
45
Lever W.A.-Deck Engage
67-0600-0
46
Handle-Deck Engage
67-0640
Lists
Toro
Roth / TORO
Ride-On Mowers
Traktor
Rider
HMR 1600
12-32 E
12-32
11-32
10-32 E
8-25
372/70122
372/70060
89000001
79000001
59000001
49000001
39000001
Transmission Model 700-025
Model No. 191707-0121-01
Starter-No. 191707-0121-01
Cutting Unit Assy.
Differential Assy.
Rear Axle Assy.
Electrical Schematic
Engine Assy.
Transmission & Linkage Assy. (Cont.)
Transmission & Linkage Assy.
Rear Body Assy.
Front Axle Assy.
Seat & Fuel Tank Assy.
Frame Assy.
Front Body Assy.
6900001
110-4E
110-4
Mower decks
Attachements
Hand operated
Robin
Terms and Conditions
(C) by motoruf