back to
AS-Motor
>
Samix Gartenhäcksler
>
Super SB 7/SE4.7
>
Antriebsblock
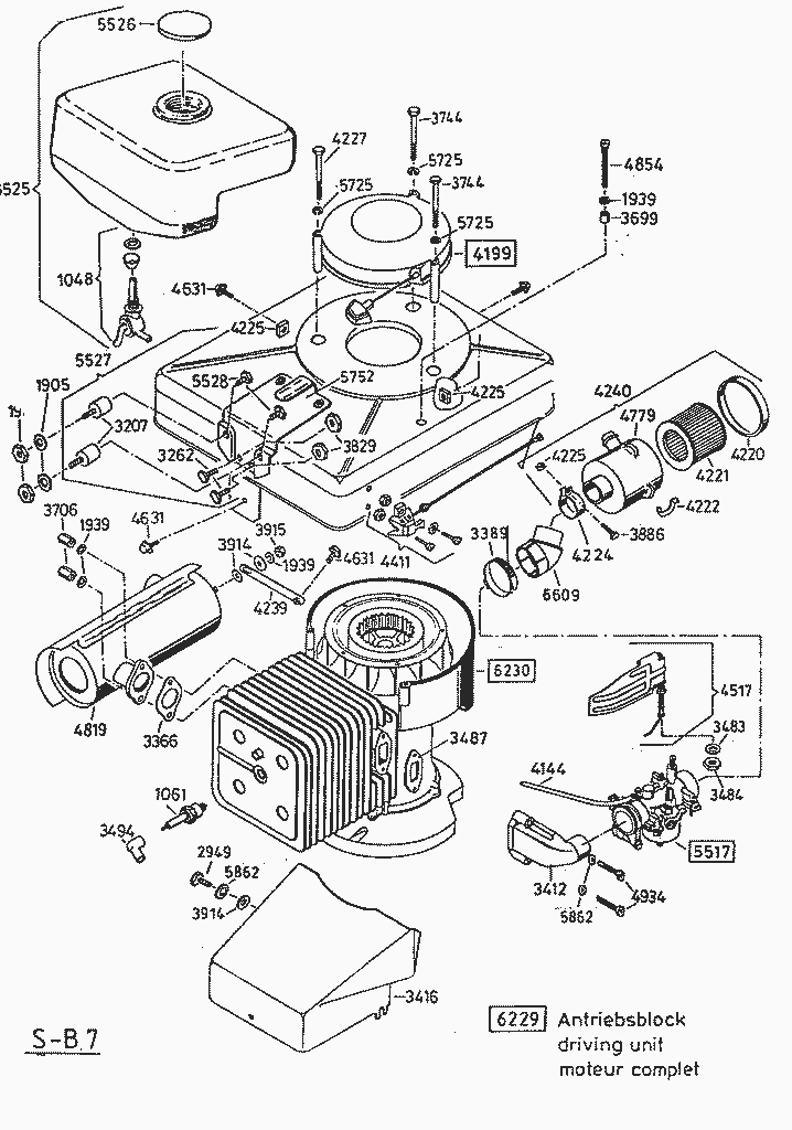
Spare Parts Lists for AS Motor Samix Gartenhäcksler Antriebsblock
pos.
decription
spare part number
1048
BENZINHAHN+O-Ring+Stützscheibe
E01048
1061
ZÜNDKERZE 175/14 EA 0.5
E01061
1905
SCHEIBE
E01905
1906
SECHSKANTMUTTER
E01906
1939
FEDERRING
E01939
2949
SECHSKANTSCHRAUBE
E02949
3207
GUMMIELEMENT
E03207
3262
SECHSKANTSCHRAUBE
E03262
3366
AUSPUFFDICHTUNG
E03366
3389
ERSETZT DURCH E04242
E03389
3412
ANSAUGSTUTZEN
E03412
3416
KÜHLLUFTFÜHRUNG
E03416
3483
TELLERFEDER
E03483
3484
SECHSKANTMUTTER
E03484
3487
ISOLIERPLATTE
E03487
3494
ZÜNDKERZENSTECKER VOLLST.
E03494
3699
DISTANZHÜLSE
E03699
3706
SONDERMUTTER
E03706
3744
SECHSKANTSCHRAUBE
E03744
3829
SECHSKANTMUTTER
E03829
3886
SECHSKANTSCHRAUBE
E03886
3914
SCHEIBE
E03914
3915
SECHSKANTMUTTER
E03915
4144
ERSETZT DURCH E05293
E04144
4199
STARTER VOLLST.
E04199
4220
DECKEL
E04220
4221
FILTER-EINSATZ
E04221
4222
BÜGEL
E04222
4224
ROHRSCHELLE
E04224
4225
VIERKANTMUTTER
E04225
4227
SECHSKANTSCHRAUBE
E04227
4239
HALTESTREBE
E04239
4240
DÄMPFERFILTER
E04240
4411
KURZSCHLIESSSCHALTER M.BEFEST.
E04411
4517
Windfahnenregler m. Befestigungsteilen
E04517
4631
SICHERUNGSSCHRAUBE
E04631
4779
DÄMPFERFILTER GEHÄUSE
E04779
4819
ABGASSCHALLDÄMPFER
E04819
4854
ZYLINDERSCHRAUBE
E04854
4934
ZYLINDERSCHRAUBE
E04934
5517
VERGASER M. GASHEBEL
E05517
5525
ERSETZT DURCH E08030
E05525
5526
EINFÜLLVERSCHLUß DT 40 M L
E05526
5527
MOTORABDECKUNG M. TANKHALTERUNG
E05527
5528
SECHSKANTSCHRAUBE
E05528
5725
SPERRKANTRING FÜR M6
E05725
5752
TANKHALTERUNG
E05752
5862
SPERRKANTSCHEIBE
E05862
6229
ANTRIEBSBLOCK S-B7+S-B7/2
E06229
6230
GRUNDMOTOR S-B7+S-B7/2
E06230
6609
ANSAUGKRÜMMER
E06609
Lists
AS Motor
AS Batterierasenmäher
AS 45 Ausputzmäher
AS 46 Variomat
AS 45 Universal
AS 53 Standard
AS 53 Allrad
AS 55 Heckauswurf
AS 550 Heckauswurf
AS Allmäher
AS Enduro
AS Schlegelmäher
AS Mulchmeister
AS Aufsitzmäher
Samix Gartenhäcksler
Junior S-E 1.9
Junior S-E 2.0/2.6
Junior S-E 2.0/2 + S-E 2.6/2
Rapido S-E 2.4/2.5
Rapido S-E2.4/2+S-E2.5/2
Rapido S-B/4T
Rapido S-B4T/2
Super S-E3/E4/B6
Super S-E 3/2
Super S-E 3.7/2
Super SB 7/SE4.7
Gehäuse
Messer
Schnitzelmesser
Schnitzelmesser
Antriebsblock
Grundmotor
Starter
Vergaser
Super S-B7/2 + S-E4.7/2
AS Wildkraut-Hex
Verschleissteile
Terms and Conditions
(C) by motoruf