back to
AS-Motor
>
AS Mulchmeister
>
AS Mulchmeister 84
>
Gehäuse
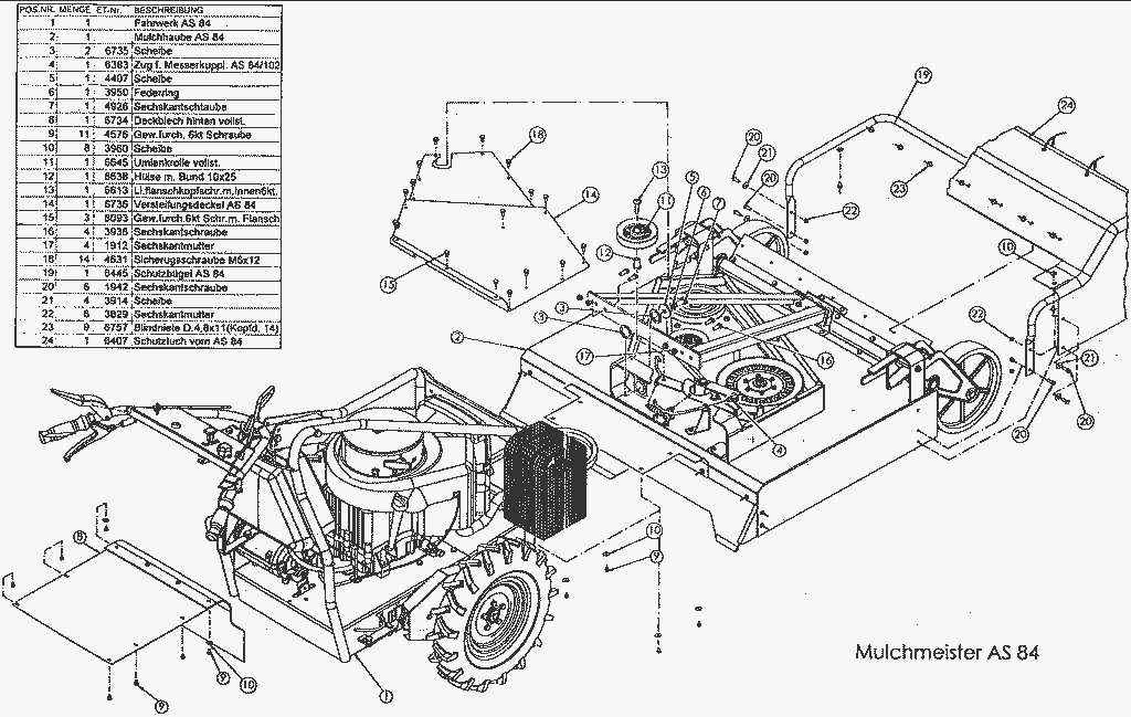
Spare Parts Lists for AS Motor AS Mulchmeister Gehäuse
pos.
decription
spare part number
1912
SECHSKANTMUTTER
E01912
1942
SECHSKANTSCHRAUBE
E01942
3829
SECHSKANTMUTTER
E03829
3914
SCHEIBE
E03914
3938
SECHSKANTSCHRAUBE
E03938
3950
Federring
E03950
3960
Scheibe
E03960
4407
Scheibe
E04407
4576
SECHSKANTSCHRAUBE
E04576
4631
SICHERUNGSSCHRAUBE
E04631
4926
SECHSKANTSCHRAUBE
E04926
6093
Gew.furch.Sechsk.Schraube
E06093
6368
FUNKENLÖSCHER D.28
E06368
6383
ZUG F.MESSERKUPPL.AS 84 / AS 102
E06383
6407
SCHUTZTUCH VORN AS 84
E06407
6445
SCHUTZBÜGEL AS 84
E06445
6613
Li.Flanschkopfschr.m.Innen6-kt.
E06613
6638
Hülse m. Bund 15x26,5
E06638
6645
ERSETZT DURCH E06501
E06645
6734
DECKBLECH HINTEN VOLLST.
E06734
6735
Scheibe
E06735
6736
VERSTEIFUNGSDECKEL AS 84
E06736
6757
BLINDNIET
E06757
Lists
AS Motor
AS Batterierasenmäher
AS 45 Ausputzmäher
AS 46 Variomat
AS 45 Universal
AS 53 Standard
AS 53 Allrad
AS 55 Heckauswurf
AS 550 Heckauswurf
AS Allmäher
AS Enduro
AS Schlegelmäher
AS Mulchmeister
AS Mulchmeister 102
AS Mulchmeister 84
Gehäuse
Fahrwerk
Vormontagegruppen
Mulchhaube
Vormont. Mulchhaube
AS Mulchmeister 84/LB
AS Mulchmeister 84/2LB
AS Aufsitzmäher
Samix Gartenhäcksler
AS Wildkraut-Hex
Verschleissteile
Terms and Conditions
(C) by motoruf