back to
AS-Motor
>
AS Aufsitzmäher
>
AS 910/2
>
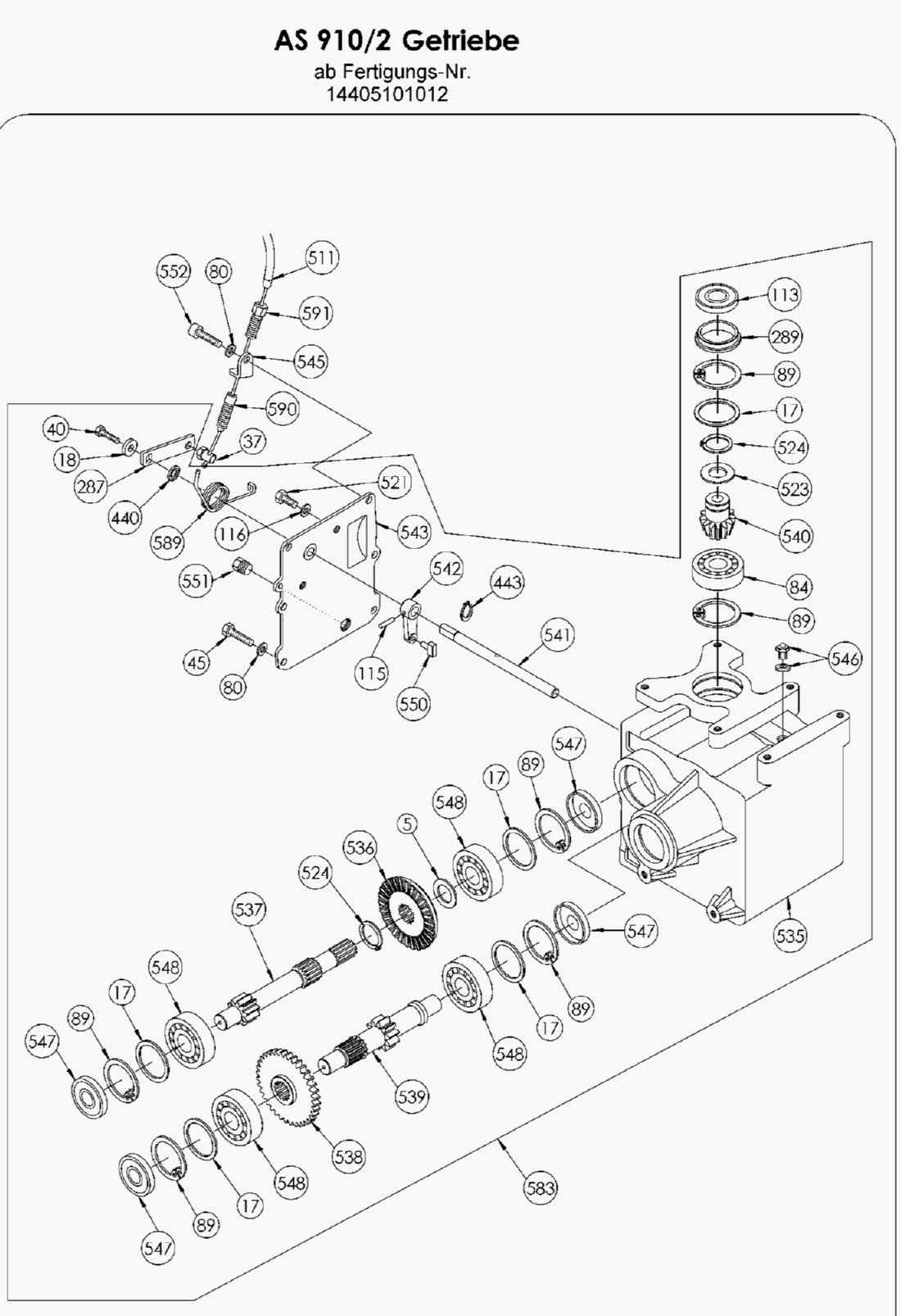
Getriebe ab FNr.14405101012
Spare Parts Lists for AS Motor AS Aufsitzmäher Getriebe ab FNr.14405101012
pos.
decription
spare part number
5
DISTANZRING
E07285
17
DISTANZRING
E07292
18
SCHEIBE
E07595
37
NIPPEL
E07309
40
Sechskantschraube
E07628
45
SECHSKANTSCHRAUBE
E03938
80
FEDERSCHEIBE
E07549
84
Rillenkugellager
E04436
89
Sicherungsring
E02111
113
WELLENDICHTRING
E07644
115
SPIRAL-SPANNSTIFT
E07645
116
ALU-UNTERLEGSCHEIBE
E07601
287
HEBEL
E07422
289
RING
E07424
440
WELLENDICHTRING
E07983
443
Sicherungsring
E03229
511
BOWDENZUG DIFFERENTIALSPERRE
E08107
521
Sechskantschraube
E03714
523
DISTANZSCHEIBE
E08175
524
Sicherungsring
E02116
535
GETRIEBEGEHÄUSE
E08130
536
TELLERRAD
E08131
537
GETRIEBEWELLE
E08132
538
ZAHNRAD
E08133
539
VORGELEGEWELLE
E08134
540
KEGELRAD
E08135
541
SCHALTWELLE
E08136
542
SCHALTHEBEL
E08137
543
GETRIEBEDECKEL
E08138
545
BOWDENZUGHALTER
E08140
546
ENTLÜFTUNGSVENTIL
E08141
547
WELLENDICHTRING
E08166
548
RILLENKUGELLAGER
E08167
550
GLEITSTÜCK
E08142
551
ÖLABLAßSCHRAUBE
E08143
552
ZYLINDERSCHRAUBE
E04249
583
HINTERACHSGETRIEBE KOMPL.
E08284
589
Schenkelfeder
E10173
590
Gummischutz
E10174
591
Stellschraube M6
E10175
Lists
AS Motor
AS Batterierasenmäher
AS 45 Ausputzmäher
AS 46 Variomat
AS 45 Universal
AS 53 Standard
AS 53 Allrad
AS 55 Heckauswurf
AS 550 Heckauswurf
AS Allmäher
AS Enduro
AS Schlegelmäher
AS Mulchmeister
AS Aufsitzmäher
AS 830
AS 910
AS 910/2
Elektrische Anlage
Rahmen
Lenkung
Messer mit Abdeckung
Motor bis FNr.14405202028
Motor ab FNr.14405202029
Antrieb
Tank mit Seitenbügel bis FNr.14405202028
Tank mit Seitenbügel ab FNr.14405202029
Pedale
Bodenblech mit Kotflügel
Fahrhebel
Verstellung der Schnitthöhe
Sitz mit Verstellung
Vordere Radachse
Hintere Radachse
Getriebe bis FNr.14405101011
Getriebe ab FNr.14405101012
Bremse
Hydraulische Anlage
AS 911
AS 800
Samix Gartenhäcksler
AS Wildkraut-Hex
Verschleissteile
Terms and Conditions
(C) by motoruf