back to
AS-Motor
>
AS Wildkraut-Hex
>
AS 50 B1/4T
>
Holm und Lenker
Spare Parts Lists for AS Motor AS Wildkraut-Hex Holm und Lenker
pos.
decription
spare part number
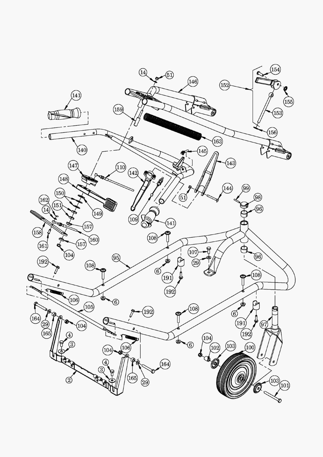
2
Einhängewinkel vollst.
E10100
3
Scheibe
E03957
4
Sechskantschraube
E03932
6
SICHERUNGSMUTTER
E06037
14
SCHEIBE
E01940
22
SCHEIBE
E03914
23
Sicherungsmutter
E05975
29
SCHEIBE
E01905
51
SECHSKANTMUTTER
E03829
95
Trägerrohr vollst.
E10112
96
DU-Buchse
E02919
97
Schwenkradgabel vollst.
E10113
98
Steuerkopfkappe
E04397
99
Spannstift
E08561
100
Rad D.180 mit PVC-Reifen
E05454
101
Sechskantschraube
E05681
102
Distanzhülse 18 lg.
E05753
103
Scheibe für Rad
E05455
104
SECHSKANTMUTTER
E01912
105
Riegel
E04801
106
Zugfeder
E06042
107
SECHSKANTSCHRAUBE
E03938
108
Linsenflanschkopfschraube
E06691
109
Fahrantriebszug AS 50 B1/4T
E10023
110
Variozug
E06119
140
Lenker kompl.
E06017
141
Lenkergriff-ergon.(L+R=)
E04813
142
Betätigungshebel
E07542
143
Handhebel m.Schr.E05953(1x)
E06050
144
Flachrundschraube
E05953
145
Zug für Motorbremse
E06845
146
Oberholm vollst.
E06120
147
Verstellscheibe
E05783
148
Verstellhebel
E05784
149
Scheibe
E03592
150
Tellerfeder
E03319
151
SECHSKANTMUTTER
E06130
152
LENKERSPANNHEBEL VOLLST.
E10119
153
Augenschraube
E10120
154
Bolzen
E04476
155
Wellensicherung
E04567
156
Tellerfeder
E04568
157
Hebellager
E10009
158
Seitenklappenhebel
E10010
159
Gegenhalter M6
E10089
160
Seitenklappezug As 50 B1/4T
E10024
161
Bolzen f.Wellensicherung
E08451
162
Klappsicherung
E08452
163
Spiralschlauch
E07084
164
Sechskantschraube
E03777
165
Distanzhülse
E06102
191
Sattelanschlagpuffer
E10144
192
GEW.FURCH.SECHSK.SCHRAUBE
E05422
Lists
AS Motor
AS Batterierasenmäher
AS 45 Ausputzmäher
AS 46 Variomat
AS 45 Universal
AS 53 Standard
AS 53 Allrad
AS 55 Heckauswurf
AS 550 Heckauswurf
AS Allmäher
AS Enduro
AS Schlegelmäher
AS Mulchmeister
AS Aufsitzmäher
Samix Gartenhäcksler
AS Wildkraut-Hex
AS 50 B1/4T
Antrieb
Holm und Lenker
Höhenverstellung
Schutzeinrichtungen und Fangbox
Motor und Bürstenträger
Verschleissteile
Terms and Conditions
(C) by motoruf