back to
AS-Motor
>
AS 55 Heckauswurf
>
AS 55 B1
>
Holm
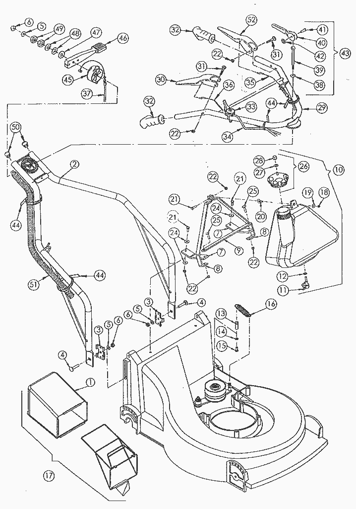
Spare Parts Lists for AS Motor AS 55 Heckauswurf Holm
pos.
decription
spare part number
1048
BENZINHAHN+O-Ring+Stützscheibe
E01048
1905
SCHEIBE
E01905
1912
SECHSKANTMUTTER
E01912
1932
SECHSKANTMUTTER
E01932
1940
SCHEIBE
E01940
2412
O-RING
E02412
2949
SECHSKANTSCHRAUBE
E02949
3319
Tellerfeder
E03319
3524
FLACHRUNDSCHRAUBE
E03524
3592
Scheibe
E03592
3690
KRAFTSTOFFTANK VOLLST.
E03690
3829
SECHSKANTMUTTER
E03829
3886
SECHSKANTSCHRAUBE
E03886
3914
SCHEIBE
E03914
3960
Scheibe
E03960
4257
REGULIERHEBEL M SCHRAUBNIPPEL
E04257
4391
KABELBAND
E04391
4476
Bolzen
E04476
4565
Exzenterhebel vollst.
E04565
4566
AUGENSCHRAUBE
E04566
4567
Wellensicherung
E04567
4568
Tellerfeder
E04568
4783
TANKDECKEL VOLLST.
E04783
4813
Lenkergriff-ergon.(L+R=)
E04813
4902
LENKERSPANNHEBEL VOLLST.
E04902
5246
DICHTSCHEIBE
E05246
5247
SECHSKANT-HUTMUTTER
E05247
5783
Verstellscheibe
E05783
5784
Verstellhebel
E05784
5953
Flachrundschraube
E05953
6017
Lenker kompl.
E06017
6050
Handhebel m.Schr.E05953(1x)
E06050
6130
SECHSKANTMUTTER
E06130
6141
LAMELLENSTOPFEN
E06141
6211
GASZUG
E06211
6612
FLACHRUNDSCHRAUBE
E06612
6914
ZUG F.MOTORBREMSE AS55B2
E06914
6915
ERSETZT DURCH E07970
E06915
6916
ERSETZT DURCH E07971
E06916
6922
GRASFANGKORB VOLLST.AS 55
E06922
6923
GFK-Bespannung
E06923
6927
HOLM VOLLST.
E06927
6928
HÖHENVERSTELL-BLECH
E06928
6929
Tankhaltestrebe
E06929
6930
TANKHALTELASCHE
E06930
6931
QUERSTREBE
E06931
6936
Einhängebolzen
E06936
7054
SPIRALSCHLAUCH
E07054
7055
Ringschraube
E07055
7077
HANDHEBEL M.SCHR.E05953(1x)
E07077
7125
Zugfeder
E07125
Lists
AS Motor
AS Batterierasenmäher
AS 45 Ausputzmäher
AS 46 Variomat
AS 45 Universal
AS 53 Standard
AS 53 Allrad
AS 55 Heckauswurf
AS 55 B1
Gehäuse
Antriebsblock
Grundmotor
Motorbefestigung
Holm
Messer
Variomatik
AS 55 B1/4T
AS 55 B2
AS 55 B2/4T
AS 55 B3/4T
AS 550 Heckauswurf
AS Allmäher
AS Enduro
AS Schlegelmäher
AS Mulchmeister
AS Aufsitzmäher
Samix Gartenhäcksler
AS Wildkraut-Hex
Verschleissteile
Terms and Conditions
(C) by motoruf