back to
AS-Motor
>
AS Aufsitzmäher
>
AS 911
>
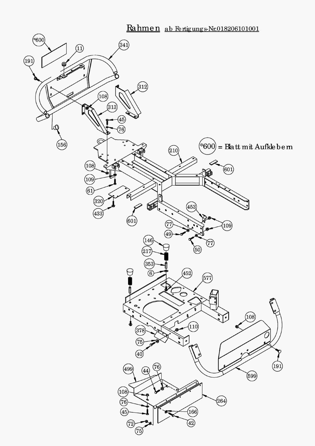
Rahmen ab FNr.18206101001
Spare Parts Lists for AS Motor AS Aufsitzmäher Rahmen ab FNr.18206101001
pos.
decription
spare part number
6
SCHEIBE
E07591
11
Gummilager
E07287
40
Sechskantschraube
E07628
42
Sechskantschraube
E07629
44
Sechskantschraube
E03932
45
SECHSKANTSCHRAUBE
E03938
49
Sechskantschraube
E03930
50
6KT.SCHRAUBE
E06964
61
SECHSKANTSCHRAUBE
E05433
72
SECHSKANTMUTTER
E07269
75
SCHEIBE
E01940
76
SCHEIBE
E01905
77
SCHEIBE
E03668
108
SICHERUNGSMUTTER
E06037
109
Sicherungsmutter
E07668
110
Sicherungsmutter
E05975
146
Stopfen
E07315
156
STOPFEN
E07322
166
SCHEIBE
E03914
191
SCHRAUBE
E07678
210
RAHMEN VORDERTEIL
E07352
217
Sitzfeder
E07359
264
SCHUTZLAPPEN
E07400
312
HALTER RECHTS
E07446
313
HALTER LINKS
E07445
320
DECKBLECH
E07452
341
STOßTANGE VORN
E07471
353
Verlängerung
E07481
378
PLAETTCHEN
E07503
433
Sicherungsschraube
E07247
452
Flachrundschraube
E05869
453
SCHELLE
E07989
499
SCHUTZLAPPENHALTER
E08098
577
RAHMEN
E08182
599
STOßSTANGE HINTEN
E10201
600
BLATT MIT AUFKLEBERN AS 911
E10202
601
GUMMISTREIFEN
E10203
Lists
AS Motor
AS Batterierasenmäher
AS 45 Ausputzmäher
AS 46 Variomat
AS 45 Universal
AS 53 Standard
AS 53 Allrad
AS 55 Heckauswurf
AS 550 Heckauswurf
AS Allmäher
AS Enduro
AS Schlegelmäher
AS Mulchmeister
AS Aufsitzmäher
AS 830
AS 910
AS 910/2
AS 911
Elektrische Anlage
Rahmen bis FNr.18205404100
Rahmen ab FNr.18206101001
Lenkung
Messer mit Abdeckung
Motor
Antrieb bis FNr.18205404028
Antrieb ab FNr.18205404029
Tank mit Seitenbügel
Pedale
Bodenblech mit Kotflügel
Fahrhebel
Verstellung der Schnitthöhe
Sitz mit Verstellung
Vordere Radachse
Hintere Radachse
Getriebe
Bremse
Hydraulische Anlage bis FNr.182050404028
Hydraulische Anlage ab FNr.182050404029
AS 800
Samix Gartenhäcksler
AS Wildkraut-Hex
Verschleissteile
Terms and Conditions
(C) by motoruf