back to
>
Roth / TORO
>
Hand operated
>
Snowthrower
>
Two stage
>
724
>
637/38073
>
6900001
>
Auger Assy.
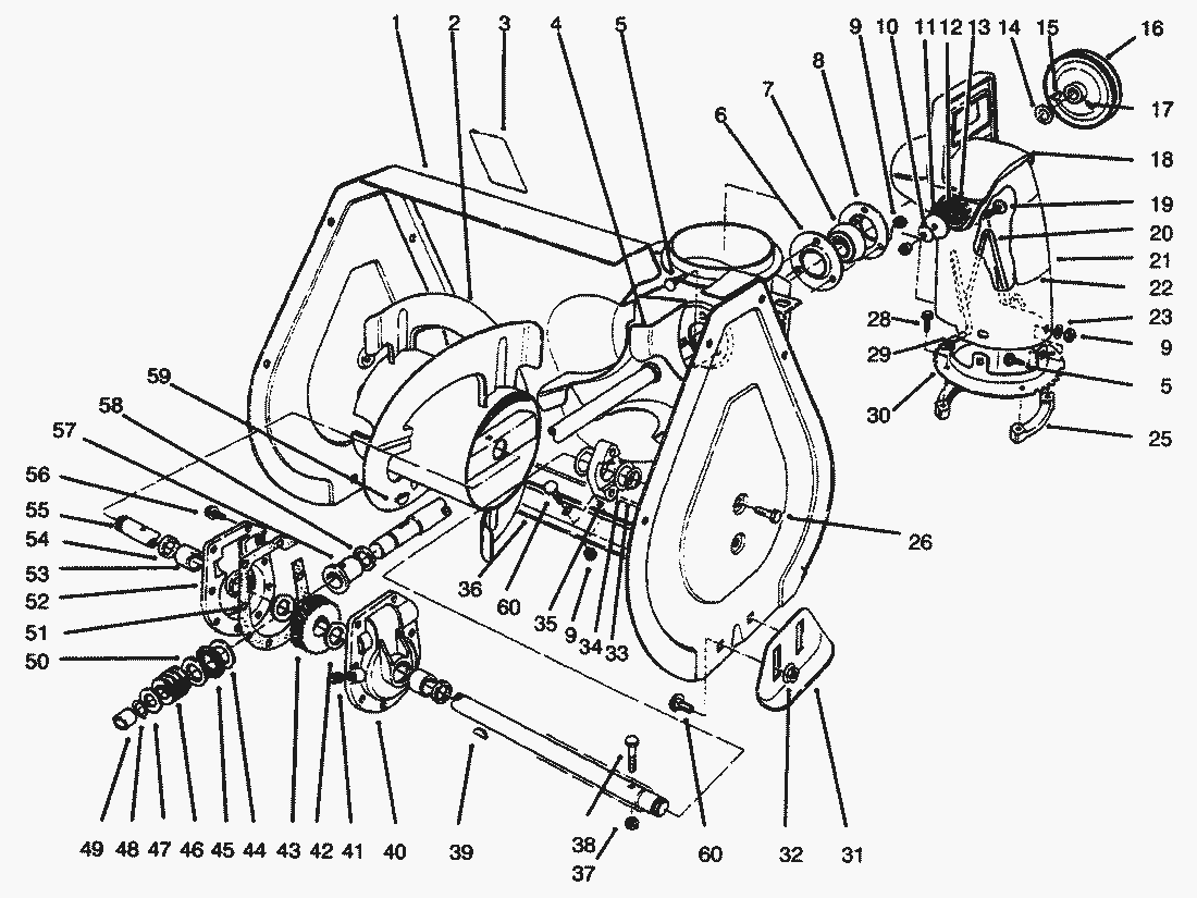
Spare Parts Lists for Toro Roth / TORO Auger Assy.
pos.
decription
spare part number
56-2692
56-2693
94-2785
94-2786
pos.
decription
spare part number
2
Auger-R.H.
74-1600
Auger-L.H.
74-1590
3
Decal-Auger Warning
53-7670
Decal-Danger Auger Model No. 38543
94-2568
4
Shaft & Impeller
37-6990
5
Carriage Bolt
3230-18
6
7
Bearing-Impeller
63-3450
8
9
MUTTER
3296-29
10
Washer Belleville
3290-340
11
Washer
3256-68
12
Plate-Friction
55-8950
13
Washer Rubber
20-4320
14
Thrust Washer
3-0737
15
Key Woodruff
3257-23
16
Pulley
37-6890
17
Set Screw
3242-4
18
Deflector
56-2680
19
Bolt-Carriage
3230-22
20
Wire-Chute
56-2670
22
Decal-Discharge
53-7660
Decal-Discharge Model 38073
94-3760
23
Washer
3256-23
25
Retainer-Chute Ring
37-6490
26
Self Tapping Screw
32144-70
28
Screw Special
27-0220
Lists
Toro
Roth / TORO
Ride-On Mowers
Hand operated
Sweeper
Snowthrower
Attachements
Two stage
1332 PowerShift
1232 PowerShift
1132 PowerShift
1132
1028 PowerShift
924 PowerShift
828 PowerShift
824 PowerShift
824 XL
824
724
637/38073
9900001
8900001
7900001
6900001
Carburetor No. 632371A
Electric Starter Engine Kit No. 38-7590**
Recoil Starter N0. 590646
Engine Tecumseh Model HSK70-130282S
Handle Assy. Left Side
Handle Assy. Right Side
Traction Assy. (Cont.)
Traction Assy.
Auger Assy. (Cont.)
Auger Assy.
Engine Assy.
5900001
4900001
3900001
624 PowerShift
622
521
3521
Single stage
Vac/Blower
Lawnmower
Robin
Terms and Conditions
(C) by motoruf