back to
>
Roth / TORO
>
Hand operated
>
Lawnmower
>
4-stroke SP
>
489/20925
>
0000001
>
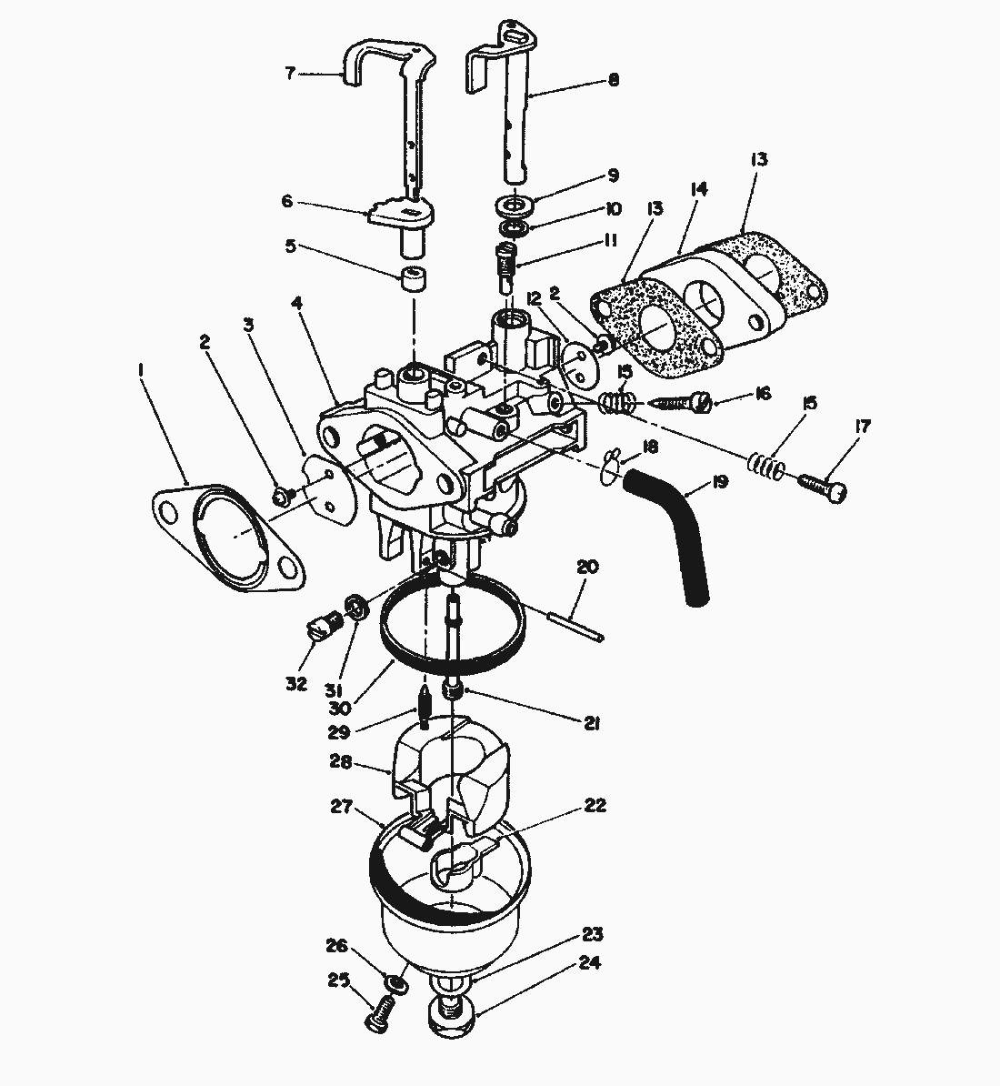
Carburetor Assy. (Model No. VMK9)
Spare Parts Lists for Toro Roth / TORO Carburetor Assy. (Model No. VMK9)
pos.
decription
spare part number
50-5610
pos.
decription
spare part number
1
Gasket Air Cleaner
81-4250
2
Screw
81-2710
3
Valve-Choke
81-2720
4
5
Ring-Lower Choke
81-5530
6
Ring-Upper Choke
81-5520
7
Shaft-Choke Control
81-5500
8
Shaft-Throttle
81-2920
9
Washer
81-4280
10
Seal-Throttle Shaft
81-4290
11
Jet-Pilot (
81-5620
12
Valve-Throttle
81-2940
13
Gasket-Carburetor
81-5560
14
Block-Insulator
81-5570
15
Spring-Pilot Screw
81-2580
16
Screw-Pilot
50-2360
17
Screw-Idle Stop
50-0250
18
Clamp
81-4300
19
Tube-Bowl Vent
81-4310
20
STIFT
81-5600
21
Nozzle-Main
81-5630
22
Spacer-Float
81-4940
23
Gasket-Bowl Screen
81-2650
24
Screw-Float Bowl
81-2660
25
Screw-Drain
81-2670
26
Gasket-Drain Screw
81-268Q
27
Bowl-Float
81-4340
28
Float
81-4920
29
Needle
81-4700
30
SCHWIMMERTOPFDICHTUNG
81-2630
31
Spacer
81-4350
32
DUESE
81-2340
Choke Shaft Assembly (Incl. Ref.
81-4270
Carburetor Repair Kit (Incl. Ref.
81-5650
Carburetor Assembly (Incl. Ref.
81-5590
Lists
Toro
Roth / TORO
Ride-On Mowers
Hand operated
Sweeper
Snowthrower
Vac/Blower
Lawnmower
Grass Baggers
4-stroke SP
498/26638
498/26633
498/26633 B
498/26631 B
496/26639
496/26636
496/26636 B
496/26635 BC
496/26625 BG
495/26637
495/26632
495/26632 B
495/26630 BC
495/26630 BG
495/26620 BG
494/20784
494/20791
493/20783
493/20789
492/20787
492/20778
491/20786
491/20777
491/20328 B
490/20327 B
489/20927 B
489/20926 B
489/20925
0000001
Recoil Assy. (Model No. VMK9)
Muffler Assy. (Model No. VMK9)
Air Cleaner & Fuel Tank Assy. (Model No. VMK9)
Carburetor Assy. (Model No. VMK9)
Governor Assy. (Model No. VMK9)
Ignition & Flywheel Assy. (Model No. VMK9)
Crankcase Assy. (Cont.) (Model No. VMK9)
Crankcase Assy. (Model No. VMK9)
Bag Assy.
S.P. Handle Assy.
Gearbox Assy. No. 71-8250
S.P. Rear Axle Assy.
Engine Assy.
Starter Engine Assy.
Housing Assy.
488/20920
487/20914
487/20909 BC
487/20905
479
477
469
465/20781
465/20779
464
459/20824
459/20821
459/20821 B
459/20820 BC
458/20823
458/20822
457
456/20808
456/20808 B
456/20807 BC
456/20806 B
455/20803
455/20803 B
455/20802 BC
455/20801 B
453
449
439
437/22173
437/22157
437/22154
437/22154 B
437/22153 BC
434
424
421/20652
417/20832
417/20829
417/20827
416/20831
416/20828
416/20826
415/20817
415/20811
4-stroke
2-stroke SP
2-stroke
Electric
Battery
Robin
Terms and Conditions
(C) by motoruf