back to
motoruf
Warenkorb

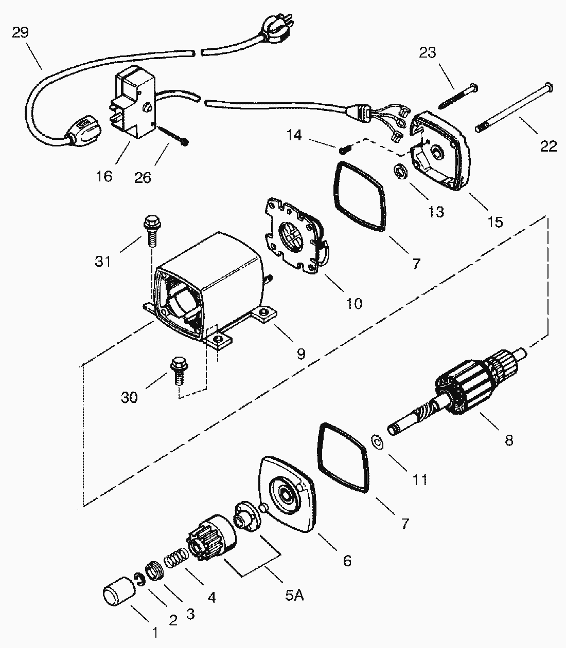
Spare Parts Lists for Toro Roth / TORO Electric Starter No. 33329E (110 Volt)(Model No. 38086 only)




pos.decriptionspare part number
35449
35453
spare parts list


pos.decriptionspare part number
1Cover, Dust33451
2Ring, Retaining33842
3Retainer, Spring33430
4Spring, Anti-drift33431
5Gear and Nut (Incl. Ref.37050
7O Ring35450
8Armature35915
9Housing Assembly35451A
10Card Assembly-Brush35452A
11Washer-Thrust35911
13Washer, Thrust590500
14Screw-Ground33441
16Box Assy., Switch35454
22Bolt, Case35455
23Screw, Grounding35456
26Screw, Hex Hd. Self-Tap650819
26Screw651032
2932450B
30Screw, Fil. Hd. Sems30063
31Screw, Hex Hd. Shoulder650820
Lists
Toro
Terms and Conditions
(C) by motoruf