back to
>
Roth / TORO
>
Hand operated
>
Lawnmower
>
Electric
>
155
>
350000
>
Engine Assy.
Spare Parts Lists for Toro Roth / TORO Engine Assy.
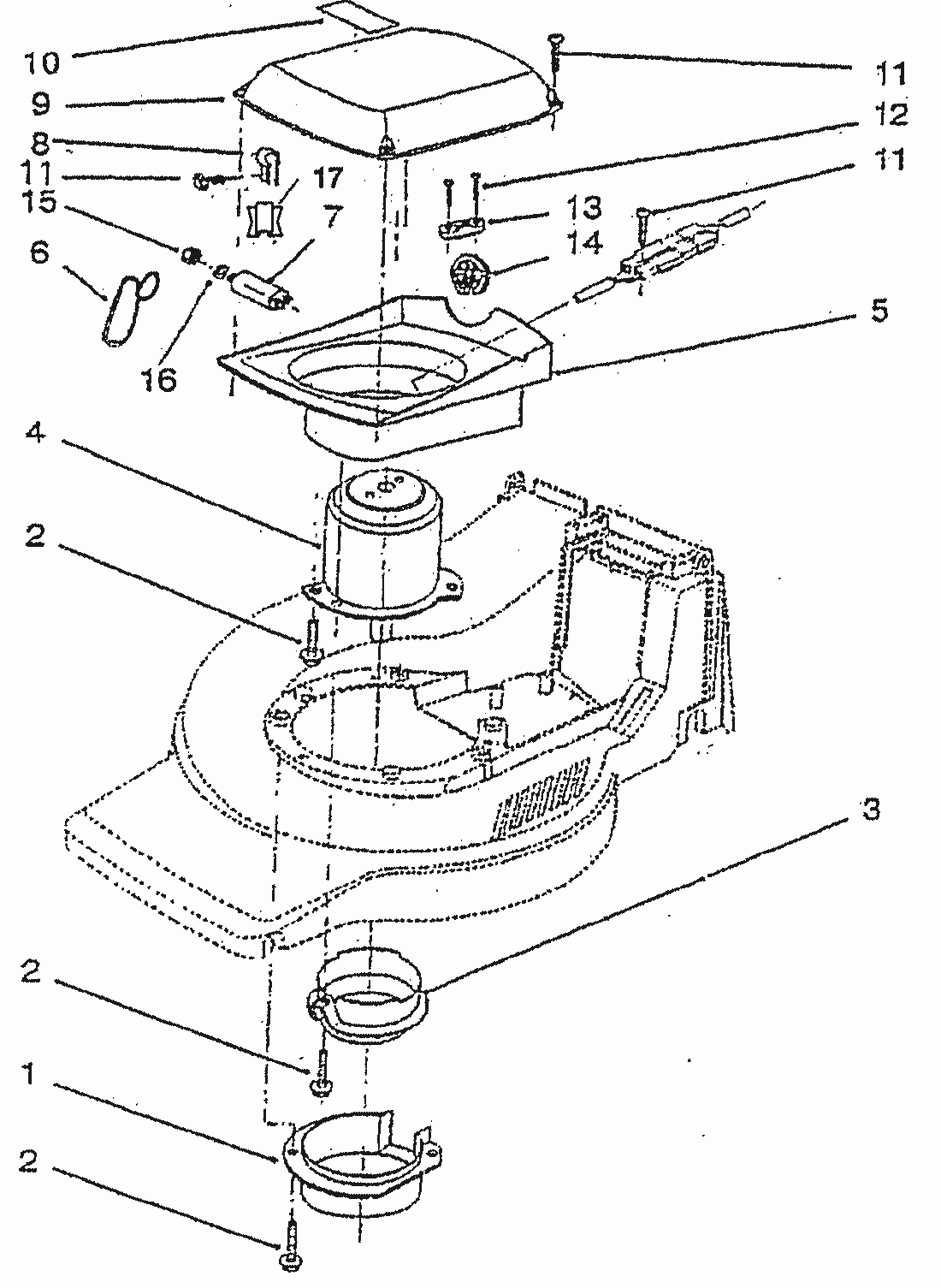
pos.
decription
spare part number
1
LUFTLEITRING
18277
2
SCHRAUBE
13317
3
19592
4
20719
5
19598
6
RUNDGUMMI
13528
7
19597
8
KLEMME
18664
9
HAUBE
20425
10
*** keine Bezeichnung vorhanden
18956
11
SCHRAUBE
19159
12
19890
13
ZUGENTSLASTUNGSSCHELLE
19891
14
ADAPTER
18958
15
MUTTER
03770
16
SCHEIBE
09571
17
U-KLAMMER
20837
Lists
Toro
Roth / TORO
Ride-On Mowers
Hand operated
Sweeper
Snowthrower
Vac/Blower
Lawnmower
Grass Baggers
4-stroke SP
4-stroke
2-stroke SP
2-stroke
Electric
170
155
350000
Bag
Handle
Rear Axle
Blade
Engine Assy.
Partslist
340000
330000
320000
310000
300000
290000
150
140
134
125
105
104
103
102
Battery
Robin
Terms and Conditions
(C) by motoruf