back to
>
Roth / TORO
>
Hand operated
>
Snowthrower
>
Two stage
>
828 PowerShift
>
629/38574
>
0000001
>
Engine Assy.
Spare Parts Lists for Toro Roth / TORO Engine Assy.
pos.
decription
spare part number
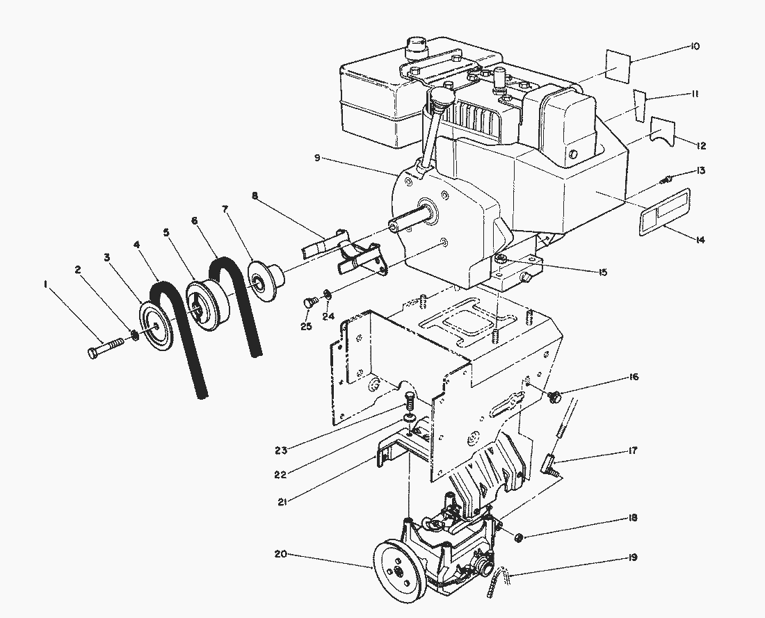
1
Screw-Cap Hex Hd.
3212-8
2
Washer-Lock
3253-6
3
Sheave Half-Impeller
62-0940
4
Belt-Impeller
63-2962
5
Hub-Sheave
62-0930
6
Belt-Traction
63-2951
7
Sheave Half-Traction
62-0920
8
Guide-Belt
68-7510
9
10
Decal-Primer
62-5760
11
Decal-Throttle
63-3190
12
Decal-Choke (Model No. 38543)
63-2410
13
Screw Thread Forming
32144-4
14
Decal-Hot Surface (Model No. 38505)
63-2310
15
Flange Nut
32128-20
16
Screw-Hex. Washer Hd.
3234-7
17
Joint-Ball
63-2640
18
Locknut
3296-39
19
Chain-Drive
63-2930
20
Transmission Assembly
66-8030
21
Frame-Transmission
63-2990
22
Washer-Belleville
3290-461
23
Screw-Cap Hex Hd.
11-0590
24
Lockwasher
3253-4
25
Screw-Cap Hex Hd.
3210-1
Lists
Toro
Roth / TORO
Ride-On Mowers
Hand operated
Sweeper
Snowthrower
Attachements
Two stage
1332 PowerShift
1232 PowerShift
1132 PowerShift
1132
1028 PowerShift
924 PowerShift
828 PowerShift
629/38574
2000001
1000001
0000001
Recoil Starter Tecumseh No. 590630
Engine Tecumseh Model No. HM80-155386P (Cont.)
Engine Tecumseh Model No. HM80-155386P
Carburetor Tecumseh No. 632334A
Electric Starter Engine Kit No. 37-4810 (Optional)
Differential Kit Model No. 38038 (Optional)
Snow Cab Assy. No. 68-9500 (Optional)
Drift Breaker Assy. (Optional)
Handle Assy.
Light Assy.
Traction Drive Assy.
Traction Linkage Assy.
Transmission Assy. No. 66-8030 (Cont.)
Transmission Assy. No. 66-8030
Engine Assy.
28 Auger Gearcase Assy. No. 66-8021
Housing & Chute Assy. (Cont.)
Housing & Chute Assy.
629/38545
824 PowerShift
824 XL
824
724
624 PowerShift
622
521
3521
Single stage
Vac/Blower
Lawnmower
Robin
Terms and Conditions
(C) by motoruf