back to
>
Roth / TORO
>
Hand operated
>
Snowthrower
>
Two stage
>
1132 PowerShift
>
630/38580
>
0000001
>
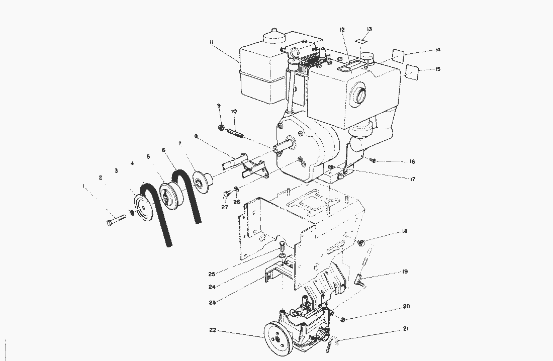
Engine Assy.
Spare Parts Lists for Toro Roth / TORO Engine Assy.
pos.
decription
spare part number
1
Screw-Cap Hex Hd.
3212-8
2
Washer-Lock
3253-6
3
Sheave Half-Impeller
62-0940
4
Belt-Impeller
63-2964
5
Hub-Sheave
62-0930
6
Belt-Traction
63-2953
7
Sheave Half-Traction
62-0920
8
Guide-Belt
68-7510
9
Cap-Pipe
288-10
10
Nipple-Pipe
289-45
11
12
Decal-Hot Surface (Model No. 38500)
62-7290
Decal-Hot Surface (Model No. 38505)
63-2310
13
Decal-Throttle
63-2340
14
Decal-Primer
63-2320
15
Decal-Choke (Model No. 38580)
63-2360
Decal-Choke (Model No. 38565)
63-2460
16
Screw
2210-250
17
Flange Nut
32128-20
18
Screw-Hex. Washer Hd.
3234-7
19
Joint-Ball
63-2640
20
Locknut
3296-39
21
Chain-Drive
63-2930
22
Transmission Assembly
66-8030
23
Frame-Transmission
63-2990
24
Washer-Belleville
3290-461
25
Screw-Cap Hex Hd.
11-0590
26
Lockwasher
3253-4
27
Screw-Cap Hex Hd.
3210-1
Loose Parts Kit
12-8949
Lists
Toro
Roth / TORO
Ride-On Mowers
Hand operated
Sweeper
Snowthrower
Attachements
Two stage
1332 PowerShift
1232 PowerShift
1132 PowerShift
630/38580
9000001
8000001
5900001
4900001
3900001
2000001
1000001
0000001
Engine B&S Model 252416 TYPE 0756-01 & 0757-01 (Model No. 38580 & 38566)
120 V Electric Starter EngineNo. 37-4630 (Optional)
12 Volt Starter Engine Kit No. 66-7700 (Optional) (for Model No. 38566)
Differential Kit Model No. 38038 (Optional)
Snow Cab Assy. No. 68-9500 (Optional)
Drift Breaker Assy. (Optional)
Light Assy.
Handle Assy.
Traction Drive Assy.
Traction Linkage Assy.
Transmission Assy. No. 66-8030 (Cont.)
Transmission Assy. No. 66-8030
Engine Assy.
32 Auger Gearcase Assy. No. 66-8022
Housing & Chute Assy. (Cont.)
Housing & Chute Assy.
630/38566
630/38565
1132
1028 PowerShift
924 PowerShift
828 PowerShift
824 PowerShift
824 XL
824
724
624 PowerShift
622
521
3521
Single stage
Vac/Blower
Lawnmower
Robin
Terms and Conditions
(C) by motoruf