back to
>
Roth / TORO
>
Ride-On Mowers
>
Traktor
>
246 HE
>
309/72101
>
3900001
>
Engine TORO Power Plus
Spare Parts Lists for Toro Roth / TORO Engine TORO Power Plus
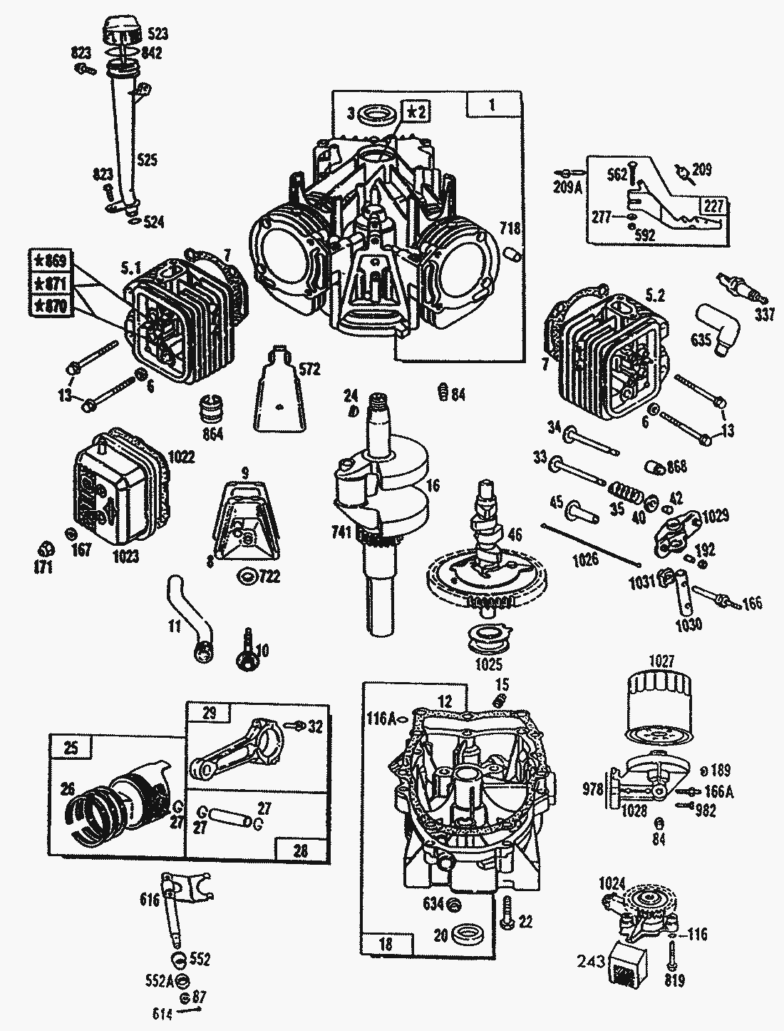
spare parts list 1
spare parts list 2
spare parts list 3
spare parts list 4
spare parts list 5
pos.
decription
spare part number
92-0555
92-0503
78-5250
92-0525
92-0554
92-0502
92-0559
pos.
decription
spare part number
1
Cylinder Assembly
78-3410
2
Bearing-Cylinder
92-0501
3
Seal-Oil
78-3430
6
Washer
78-3460
7
Gasket-Cylinder Head
92-0504
8
Breather Assembly
92-0505
9
Gasket-Breather
78-3670
10
Screw
92-0506
11
Tube-Breather
78-3510
12
Gasket-Crankcase Cover
78-4230
13
Screw
78-3530
15
Plug-Oil Drain
78-3540
16
Crankshaft Note: To Replace Crankshaft Triming Gear Key Order No. 92-0564 & 92-0565 Washer
78-3550
18
Cover-Crankcase
78-3570
20
Seal-Oil
78-3580
22
Screw
78-3590
24
Key-Flywheel
78-3610
25
Piston Ass y (Std.)
78-3620
Piston Ass y (.010 O.S.)
92-0507
Piston Ass y (.020 O.S.)
92-0508
Piston Ass y (.030 O.S.) Piston Ring Sets:
92-0509
26
Ring-Piston (Std.)
78-3630
Ring-Piston (.010 O.S.)
92-0510
Ring-Piston (.020 O.S.)
92-0511
Ring-Piston (.030 O.S.)
92-0512
27
Lock-Piston Pin
78-3640
28
Pin Ass y (Std.)
78-3650
29
Rod Assembly
78-3660
32
Gasket-Breather
78-3670
33
Valve-Exhaust
78-3680
34
Valve-Intake
78-3690
35
Spring-Valve
78-3700
40
Retainer-Valve Spring
78-3710
42
Retainer-Valve
78-3720
45
Tappet-Valve
78-3730
46
Gear-Cam
78-3740
84
Plug-Pipe
78-3830
87
Seal-Governor Shaft
78-3840
116
ORing (Oil Pump)
78-3910
116
O Ring (Crankcase Cover)
78-3920
166
Stud-Rocker Arm
78-4060
166
Stud-Oil Filter Adapter
78-4070
167
Washer
78-4080
171
Nut
78-4090
189
Washer-Lock
78-4120
192
Screw-Valve Adjust
78-4130
209
Spring-Governor
78-3900
209
Spring-Governor Idle
78-4160
227
Lever Ass y-Governor
92-0513
243
Gasket-Crankcase Cover
78-4230
265
Clamp-Casing
77-8280
277
Washer
78-4280
337
Plug-Spark
NN10820
351
Screw
78-4420
523
Dipstick
78-4560
524
Seal-Filler Tube
78-4670
552
Bushing-Shaft
78-4630
552
Bushing-Shaft
78-4640
562
Bolt
78-4650
572
Baffle Breather
78-4660
592
Gasket-Breather
78-3670
614
Pin-Cotter
78-4710
616
Fork-Governor
78-4740
634
Washer
78-4750
635
Elbow-Spark Plug
78-4790
718
Dowel-Crankcase
78-4810
741
Gear-Timing
92-0514
819
Screw
78-4910
823
Screw-Mounting
78-4920
842
O Ring
78-4930
864
Liner-Exhaust Port
78-4960
868
Seal-Valve Guide
78-4980
869
Seal-Intake Valve
78-4990
870
Seat-Exhaust Valve
78-5000
871
Guide-Valve
78-5010
978
Gasket-Oil Filter Adapter
78-5160
982
Screw
78-5170
1022
Gasket-Valve Cover
78-5240
1024
Oil Pump Assembly
78-5270
1025
Slider-Governor
78-5280
1026
Rod-Push Note 92-0522 Push Rod User on Exhaust Side Only
78-5290
1027
Filter-Oil
78-5300
1028
Adapter-Oil Filter
78-5310
1029
Arm-Rocker
78-5320
1030
Shaft-Rocker Arm
78-4460
1031
Support-Rocker Arm
78-4190
pos.
decription
spare part number
50
Manifold-Intake
78-3750
51
Gasket-Carburetor
78-3770
52
Gasket-Intake Manifold
78-3780
53
Screw
78-3790
94
Noble-Carburetor
92-0515
95
Screw
78-3860
98
Screw-Throttle
92-0516
104
Pin-Float Hinge
92-0517
105
Valve Fuel Inlet
92-0518
117
Jet-Main (High Altitude)
92-0562
118
Valve Assembly Carburetor
78-3950
121
Kit-Carburetor Overhaul
92-0519
122
Spacer-Carburetor
78-3970
125
Carburetor Assembly
92-0520
127
Wrench-Plug
78-3990
127
Wrench-Plug
78-4000
130
Valve-Throttle
92-0521
131
Shaft
78-4020
137
Gasket-Float Bowl
42-0560
133
Float Assembly
78-4030
141
Shaft-Choke
78-4040
147
Nozzle
92-0523
161
Base-Air Cleaner
92-0524
201
Link-Governor
78-4140
216
Link-Choke
78-4170
222
Bracket-Governor
78-4180
232
Spring-Governor Link
78-4210
240
BENZINVORFILTER
78-4220
254
Drain-Carburetor Bowl
78-4250
265
Clamp-Casing
78-8280
271
Bracket-Choke Control
78-4260
305
Screw
78-4300
307
Screw
78-4310
354
Nut
92-0526
387
Pump-Fuel
78-4490
445
Cartridge-Air Cleaner
92-0527
467
Knob-Air Cleaner
92-0528
527
Clamp-Fuel Pipe
92-0529
535
Element-Filter
92-0530
537
Gasket-Air Cleaner
92-0531
601
Clamp-Hose
92-0532
613
Screw
78-4700
615
Retainer-Choke Shaft
78-4720
615
Retainer-Throttle Shaft
78-4730
634
Collar-Throttle
78-4760
634
Collar-Throttle
78-4770
634
Collar-Choke
78-4780
642
Cover Assembly Air Cleaner
92-0533
643
Plate-Air Filter
92-0534
788
Bracket-Fuel Pump
92-0535
862
Bracket-Air Cleaner
92-0536
883
Gasket-Exhaust Manifold
92-0537
947
Solenoid
92-0538
955
Screw
78-5070
955
Plug And Seal Carburetor
78-5080
975
Bowl Assembly
78-5140
977
Set Carburetor Gasket
78-3940
987
Seal-Throttle Shaft
78-5180
1013
Seal-Choke Shaft
78-5220
1014
Deflector-Air Cleaner
92-0539
1037
Ball-Choke Locator
78-5150
pos.
decription
spare part number
304
Housing-Blower
92-0553
423
Screw
78-4500
573
Seal-Filler Tube
78-4670
657
Screw-Incl. w/Engine
78-4800
727
Shield-Starter
78-4850
866
Valley Cover-Air Guide
92-0556
879
Cover-Carburetor
92-0557
1004
Tube-Air Inlet
92-0558
pos.
decription
spare part number
23
Flywheel-Magneto
78-3600
75
Washer
78-3810
78
Screw
78-3820
188
Screw
78-4110
309
Motor-Starting
78-4340
310
Bolt
78-4350
311
Brush Assembly
78-4360
324
Screen-Rotating
78-4370
332
Nut
78-4380
333
Armature-Magneto
92-0544
334
Screw
78-4400
353
Washer-Lock
92-0545
354
Nut
92-0546
356
Wire Assembly
92-0547
363
Puller-Flywheel
78-4470
474
Stator-Alternator
78-4510
501
Regulator Assembly
78-4520
510
Drive Assembly
78-4530
513
Clutch Assembly
78-4540
520
Terminal-Spade
92-0548
526
Screw
78-4590
544
Armature Assembly
78-4620
668
Spacer
78-4830
726
Gear-Flywheel Ring
92-0549
729
Grommet
92-0550
783
Gear
78-4860
801
Cap Assembly Drive End
92-0551
802
Cap Assembly Commutator
78-4890
803
Housing Assembly
78-4900
851
Terminal-Spark Plug
77-8430
876
Gear Kit
78-5020
896
Pin-Roll
78-5050
985
Insulator
92-0552
1003
Brush Spring Set
78-5200
pos.
decription
spare part number
116
358
Set-Gasket
92-0540
722
Seal-Breather Screw
92-0541
883
Gasket Exhaust Manifold
78-5040
1033
Kit-Valve Overhaul
92-0542
1036
Set-Breather Gasket
92-0543
Lists
Toro
Roth / TORO
Ride-On Mowers
Traktor
264-6
246 HE
309/72101
3900001
Electrical Schematic
Transmission Eaton Model 751-045
Engine TORO Power Plus
Fender and Seat Assy.
Hydraulic Reservoir Assy.
Rear Wheel and Transmission Assy.
Brake and Hydro Linkage
Brake Pedal Assy.
Idler and Pedal Shaft Assy.
Lift Bar Linkage Assy.
Dash Assy.
Steering Shaft and Indicator Assy.
Steering Wheel and Console Assy.
Fuel Tank and Steering Bracket Assy.
Clutch Assy. 92-1686
Battery Mount Assy.
Engine and Clutch
Front Axle Assy.
Main Frame Assy.
Hood Assy.
244-5
212-H
212-5
17-44 HXLE
16-44 HXL
16-38 HXL
16-38 XLE
15-44 HXL
15-38 HXL
14-38 HXL
14-38 XL
13-38 HXL
13-38 XL
13-32 XLE
12-38 HXL
12-38 XL
12-32 XL
264 H
265 H
267 H
268 H
270 H
520 xi
520 Lxi
523 Dxi
Rider
Mower decks
Attachements
Hand operated
Robin
Terms and Conditions
(C) by motoruf