back to
motoruf
Warenkorb

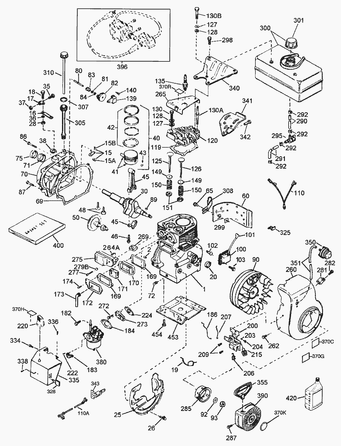
Spare Parts Lists for Toro Roth / TORO Engine Tecumseh Model HSK60-76012C only ON: 38064




pos.decriptionspare part number
34919B
27878A
27880A
33314B
30699C
34532
33313B
33312B
31380C
31303C
spare parts list


pos.decriptionspare part number
2Pin, Dowel27652
15Yoke, Governor30700
15Screw, Fil. Hd.650494
16Lever, Governor33454
17Clamp, Governor Lever29916
18Screw651028
19Spring, Speed Control34663
20Seal, Oil32630
25Blower Housing Baffle36460
26Screw, Hex Washer Hd.650561
28Locknut, Hex30322
30Crankshaft35193
35Screw, Hex Washer Hd.29826
36Lockwasher, E.T.29918
37Locknut, Hex29216
38Ring, Retaining29642
40Piston Pin & Ring Assy. (Std.)(Incl. Ref.34531
4034533
42Ring Set-Piston (Std.)34854
42Ring Set-Piston (.01 OS.) * Not Illustrated tIncluded In Gasket Set Ref. #33235.34855
42Ring Set-Piston (.02 OS.) * Not Illustrated tIncluded In Gasket Set Ref. #33235.34856
43Ring, Piston Pin Retaining27888
46Screw-Connecting Rod650662C
48Lifter, Valve34034
50Camshaft32115
60Extension-Blower Housing30622A
65Screw, Fil. Hd.650128
69Gasket-Cylinder Cover30684
71Bushing-Crankshaft31546
72Plug, Sq. Hd. Pipe, 1/4-18 (Oil Drain)27642
75Seal-Oil28427
80Shaft, Mechanical Governor31845
81Washer, Flat30590A
8230591
83Spool, Governor30588A
84Ring, Retaining29193
86Screw, Hex Hd.650488
87Screw, Hex Hd.650493
90Flywheel611085
92Washer, Belleville650815
93Nut, Hex8116
100Solid State Ignition34443B
101Cover, Spark Plug610118
102Solid State Mounting Stud651024
103Screw, Sternantrieb T-15651007
110Ground Wire35187
110Ground Wire37047
119Cylinder Head Gasket36445
120Cylinder Head (Incl. 3 of 131)36446
126Valve-Intake (.03 OS.)(Incl. Ref. #9) * Not Illustrated tIncluded In Gasket Set Ref. #33235.32784
126Valve-Intake (Std.)(Incl. Ref.32783
127Washer, Flat650691
128Washer-Belleville650690
130&rew-Hex. Flange Hd.650697A
135Spark Plug, Resistor (Champion RJ-19LM)35395
139Bracket-Governor Gear31843A
140Screw, Sternantrieb T-25650965
149Cap, Upper Valve Spring (Exhaust)27882
150Spring, Valve27881
151Cap, Lower Valve Spring32581
169Gasket-Breather27896A
170Body, Breather28423
171Element, Breather28424
172Cover, Valve Spring28425
173Tube-Breather35350
174Screw, Fil. Hd.650128
182Screw-Hex. Hd.650517
183Bracket, Choke32398
184Gasket-Carburetor31688A
186Link-Governor34661
200Remote Speed Control Assy. (Incl. Ref.34677
203Spring, Compression31342
Lists
Toro
Terms and Conditions
(C) by motoruf