back to
motoruf
Warenkorb

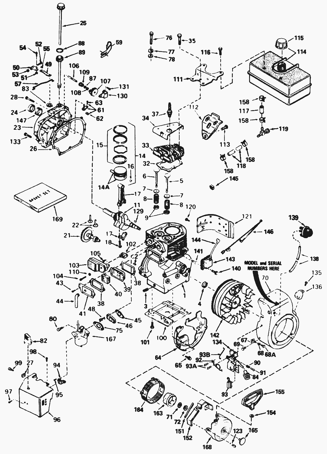
Spare Parts Lists for Toro Roth / TORO Engine Tecumseh Model No. H60-75504W (Cont.)




pos.decriptionspare part number
30591
632379A
34186A
spare parts list


pos.decriptionspare part number
101Screw-Hex. Hd.650542
102Gasket-Muffler27930A
103Muffler32401
104Screw, Hex Flange Hd.650694A
105Screw-Fil. Hd.30196
106Shaft, Mechanical Governor31845
108Ring, Retaining29193
109Spool, Governor30588A
110Washer-Flat26073
111Bracket-Fuel Tank34159
112Bracket-Fuel Tank34158
113Screw, Hex Washer Hd.650561
115Cap-Fuel Tank35355
116Screw, Hex Washer Hd., Self-tap650665
117Line-Fuel30962
118Line, Fuel29774
119Valve, Fuel Shut-off32961
120Screw, Fil. Hd.650128
121Extension-Blower Housing30622A
123Screw-Pan Hd.29716
129Key, Flywheel32589
130Bracket-Governor Gear31843A
131Screw, Hex Washer Hd. Thread Forming650836
133Screw, Hex Hd.650493
134Remote Speed Control Assy. (Incl. Ref.34677
135Screw, Pan Hd. Taptite650760
136Cover, Starter Bubble33013
138Line-Primer32180C
139Primer Assembly570682
140Screw, Hex Hd.650814
141Stud, Lamination Mounting650872
142Flywheel611085
14334443A
144Cover, Spark Plug610118
145Clip, Spring29443
146Wire, Ground35253
147Bushing-Crankshaft31546
152Guard, Starter34127
153Seal, Snow Guard32576
154Washer, Flat650168
155Handle-Mitten Grip Starter590574
158Clamp, Fuel Line26460
163Cup, Starter32125
164Screen-Starter Cup35354
165Plug, Starter35392
168Starter Assy.-Rewind590604
169Gasket Set33235A
Lists
Toro
Terms and Conditions
(C) by motoruf