back to
>
Roth / TORO
>
Hand operated
>
Lawnmower
>
4-stroke SP
>
496/26639
>
8900001
>
Gearbox Assy.
Spare Parts Lists for Toro Roth / TORO Gearbox Assy.
pos.
decription
spare part number
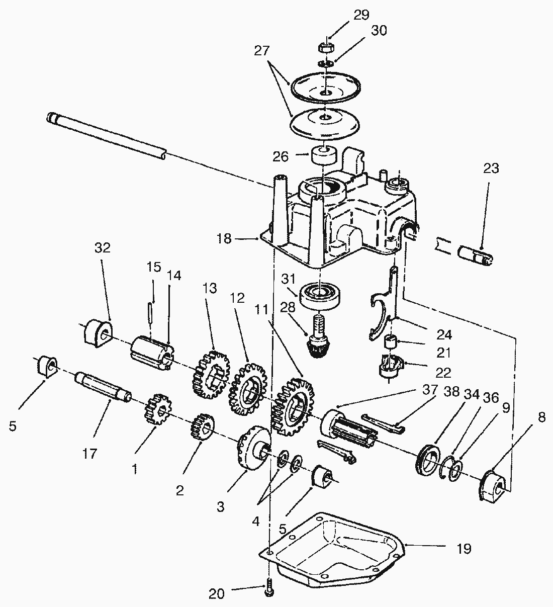
1
Gear-Pinion 25T
55-3800
2
Gear-Pinion 20T
55-3780
3
Gear-Pinion 15T
55-3760
4
Washer-Thrust
36-4791
5
Bushing-Intrmdt. Shaft
60-8750
8
Bushing-Output Shaft
60-8770
9
Washer-Thrust
36-4780
11
Gear-49T (1st Gear)
55-3770
12
Gear-44T (2nd Gear)
55-3790
13
Gear-39T (3rd Gear)
55-3810
14
Sleeve-Gear
60-8790
15
Pin-Roll
32121-120
17
Shaft-Intermediate
60-8800
18
Case-Gear (Upper)
60-8710
19
Cover-Gear Case
60-8730
20
Screw-Self Tapping
49-2040
21
Bushing-Yoke
29-9570
22
Retainer-Shift Fork
60-8810
23
Shaft-Output
65-4770
24
Yoke-Shift
60-8870
26
Spacer
62-6660
27
Pulley-Half
60-8840
28
Pinion-Bevel
60-8890
29
Nut-Lock
3296-5
30
Flat Washer
3256-24
31
Ball Bearing
38-7820
32
Bushing-Output Shaft
60-8850
34
Collar-Shift
76-0770
36
Clip-Spring
65-5250
37
Sleeve-Shift Key
76-0780
38
Key-Shift
76-0760
Gear Case Assy. Complete
62-6673
Lists
Toro
Roth / TORO
Ride-On Mowers
Hand operated
Sweeper
Snowthrower
Vac/Blower
Lawnmower
Grass Baggers
4-stroke SP
498/26638
498/26633
498/26633 B
498/26631 B
496/26639
8900001
Engine GTS-200
Handle Control Assy.
Gearbox Assy.
Rear Axle Assy.
Handle Assy.
Bag Assy.
Shield & Blade Assy.
Housing Assy.
Engine Assy.
496/26636
496/26636 B
496/26635 BC
496/26625 BG
495/26637
495/26632
495/26632 B
495/26630 BC
495/26630 BG
495/26620 BG
494/20784
494/20791
493/20783
493/20789
492/20787
492/20778
491/20786
491/20777
491/20328 B
490/20327 B
489/20927 B
489/20926 B
489/20925
488/20920
487/20914
487/20909 BC
487/20905
479
477
469
465/20781
465/20779
464
459/20824
459/20821
459/20821 B
459/20820 BC
458/20823
458/20822
457
456/20808
456/20808 B
456/20807 BC
456/20806 B
455/20803
455/20803 B
455/20802 BC
455/20801 B
453
449
439
437/22173
437/22157
437/22154
437/22154 B
437/22153 BC
434
424
421/20652
417/20832
417/20829
417/20827
416/20831
416/20828
416/20826
415/20817
415/20811
4-stroke
2-stroke SP
2-stroke
Electric
Battery
Robin
Terms and Conditions
(C) by motoruf