back to
>
Roth / TORO
>
Hand operated
>
Snowthrower
>
Two stage
>
521
>
622/38054
>
1000001
>
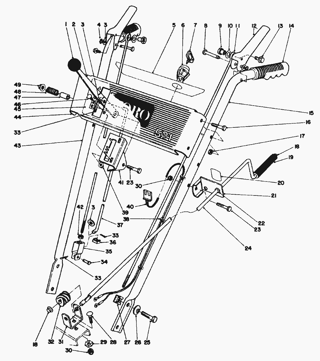
Handle Assy.
Spare Parts Lists for Toro Roth / TORO Handle Assy.
pos.
decription
spare part number
1
Knob
233-21
2
Speed Selector
37-8820
3
Washer
3256-23
4
Ring-Clip
32151-73
5
Decal-Escutcheon Back (Model 38052)
66-6830
5
Decal-Escutcheon Back (Model 38054)
66-6880
6
Switch
40-5940
7
Key-Ignition
63-8360
8
Pin-Control Lever
52-5600
9
Post-Linkage Mounting
47-4990
10
Flat Washer
3256-24
11
Link-Upper
52-5590
12
Handle-Control
63-3640
13
Hex Flange Capscrew
3234-13
14
Grip
37-9110
15
Handle-Left
52-5570
16
Hex. Hd. Capscrew
321-9
17
MUTTER
3296-42
18
Push-On Speed Nut
3290-320
19
Grip-Crank Handle
66-6540
20
Decal-Chute Direction
63-3510
21
Bracket-Chute Control (Incl. Ref.
12-7739
22
Nyliner
256-249
23
Capscrew
322-7
24
Chute Control Rod
40-8270
25
Hex Hd. Capscrew
322-2
26
Washer-Belleville
3290-456
27
Retained Nut
3290-196
28
Carriage Bolt
3230-2
29
Pyramidal Washer
3290-238
30
MUTTER
3296-29
31
Bracket-Chute Worm
40-8280
32
Worm Gear
40-8250
33
Pin-Cotter
3272-4
34
Clevis Pin
283-3
35
Clevis
39-3080
36
Retained Nut
32115-5
37
Rod-Speed Selector
39-7570
38
Wire Mount
17-9120
39
Flange Locknut
32128-33
40
Wire Harness
43-7390
41
Mount-Speed Selector
39-1280
42
Jam Nut
3218-1
43
Handle-Right
52-5560
44
Panel-Escutcheon
43-7360
45
Decal-521
66-6560
46
Carriage Bolt
3229-22
47
Spacer-Speed Selector
40-8130
48
Spring
37-9150
49
Flange Nut
32128-13
Tie Wrap
3290-378
Lists
Toro
Roth / TORO
Ride-On Mowers
Hand operated
Sweeper
Snowthrower
Attachements
Two stage
1332 PowerShift
1232 PowerShift
1132 PowerShift
1132
1028 PowerShift
924 PowerShift
828 PowerShift
824 PowerShift
824 XL
824
724
624 PowerShift
622
521
622/38054
6900001
5900001
4900001
3900001
2000001
1000001
Electric Starter Engine Kit No. 23-3790
Recoil Starter No. 590646
Carburetor No. 632107A
Engine Tecumseh Model HS50-67259J (Cont.)
Engine Tecumseh Model HS50-67259J
Light Kit No. 54-9822 (Optional)
Drift Breaker Kit No. 37-7020 (Optional)
Handle Assy.
Engine Assy.
Traction Assy.
Auger Assy. (Cont.)
Auger Assy.
0000001
622/38035
3521
Single stage
Vac/Blower
Lawnmower
Robin
Terms and Conditions
(C) by motoruf