back to
>
Roth / TORO
>
Hand operated
>
Snowthrower
>
Single stage
>
CCR 2000
>
618/38186
>
3900001
>
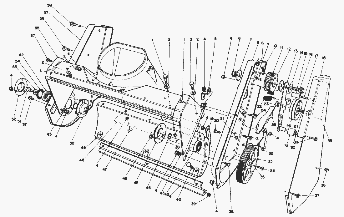
Housing Assy. (Cont.)
Spare Parts Lists for Toro Roth / TORO Housing Assy. (Cont.)
pos.
decription
spare part number
30
SICHERUNGSKAPPE
32112-11
31
Roller-Brake
55-9520
32
Pivot Plate Assembly
55-9570
33
Pulley-Rotor
60-9320
34
Screw-Cap Hex Hd.
321-30
35
Washer-Belleville
3290-456
36
Hex Washer Hd. Thread Forming Screw
12-3270
37
Screw-Hex. Hd.
32105-15
38
Screw-Hex. Hd.
32105-8
39
Locknut
32149-2
40
Screw-Carriage
3229-11
41
Scraper
55-8760
42
Ball Bearing
38-7820
43
Washer
3256-67
44
Washer-Thrust
52-7280
45
Bearing Flange
38-8620
46
Nut
3296-2
47
Hex Flange Locknut
32128-10
48
Cover-Bottom
55-9512
49
Housing-Lower
55-9220
50
Bearing Flange
52-9110
51
Screw-Cap Hex Flange
3234-25
52
Retainer-Bearing
52-7290
53
Flat Washer
3256-24
54
Washer-Rubber
52-7270
55
Housing
55-8700
56
Screw-Hex. Hd.
322-43
57
Sideplate-R.H.
55-8840
58
Pin
38-8211
Lists
Toro
Roth / TORO
Ride-On Mowers
Hand operated
Sweeper
Snowthrower
Attachements
Two stage
Single stage
Snow Commander
CCR 3650 GTS
CCR 3000
CCR 2450
CCR 2400
CCR 2000
618/38186
6900001
5900001
4900001
3900001
Recoil Starter Assy. (Engine Model No. 47PM1-5)
Muffler Assy. (Engine Model No. 47PM1-5)
Governor Assy. (Engine Model No. 47PM1-5)
Carburetor Assy. (Engine Model No. 47PM1-5)
Flywheel & Ignition Assy. (Engine Model No. 47PM1-5)
Short Block Assy. (Engine Model No. 47PM1-5)
Handle Assy.
Starter Engine & Switch Housing Assy.
Control Panel & ShroudING Assy.
Engine & Main Frame Assy.
Rotor Assy.
Discharge Chute Assy.
Housing Assy.
Housing Assy. (Cont.)
2000001
1000001
0000001
618/38185 C
618/38181
618/38180 C
CR 1000
CR 20
CR 20 R
S 620
S 200
CCR Powerlite
Vac/Blower
Lawnmower
Robin
Terms and Conditions
(C) by motoruf