back to
>
Roth / TORO
>
Hand operated
>
Snowthrower
>
Two stage
>
624 PowerShift
>
627/38505
>
1000001
>
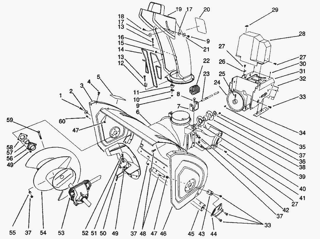
Housing & Chute Assy. (Cont.)
Spare Parts Lists for Toro Roth / TORO Housing & Chute Assy. (Cont.)
pos.
decription
spare part number
34
Plate-Engine Stud L.H.
68-4090
Plate-Engine Stud R.H.
68-4080
35
Key Woodruff
3257-23
36
Thrust Washer
252-80
37
MUTTER
3296-29
38
39
Bearing-Impeller
63-3450
40
41
Cover-Belt (Lower)
62-1400
42
Washer
3256-23
43
Bracket-Skid
62-1240
44
Plate Assembly (Pair)
74-1100
45
Blade-Scraper
66-7762
46
Plate-Side L.H.
66-7830
47
Nut-Lock
3296-47
48
Screw-Carriage
3230-23
49
MUTTER
3296-42
50
Impeller
66-7910
51
Spacer
66-8010
52
Screw-Cap Hex. Hd.
321-44
53
Auger Gearbox Assembly
66-8020
54
Auger-R.H.(Model No. 38505)
68-7450
Auger-L.H.(Model No. 38505)
68-7460
55
Spacer Auger Hub
25-5090
56
Flange Bearing Front
20-0990
57
Bearing
20-0980
58
Flange Bearing Rear
20-1000
59
Bolt Auger
17-7030
60
SCHRAUBE
321-3
Impeller Bearing Assembly (Incl. Ref.
12-8789
Lists
Toro
Roth / TORO
Ride-On Mowers
Hand operated
Sweeper
Snowthrower
Attachements
Two stage
1332 PowerShift
1232 PowerShift
1132 PowerShift
1132
1028 PowerShift
924 PowerShift
828 PowerShift
824 PowerShift
824 XL
824
724
624 PowerShift
627/38513
627/38510
627/38505
9000001
8000001
1000001
Engine No. 68-8280 Fuel System & Muffler (Cont.)
Engine No. 68-8280 Fuel System & Muffler
Engine No. 68-8280 Ignition Assy.
Engine No. 68-8280 Crankcase Assy. (Cont.)
Engine No. 68-8280 Crankcase Assy.
Differential Kit Model No. 38038 (Optional)
Snow Cab Assy. No. 68-9500 (Optional)
Light Kit No. 66-7950 (Optional)
Handle Assy.
Drift Breaker Assy. (Optional)
Traction Linkage Assy.
Traction Drive Assy.
Transmission Assy. No. 66-8030 (Cont.)
Transmission Assy. No. 66-8030
Engine Assy.
24 Auger Gearcase Assy. No. 66-8020
Housing & Chute Assy. (Cont.)
Housing & Chute Assy.
0000001
622
521
3521
Single stage
Vac/Blower
Lawnmower
Robin
Terms and Conditions
(C) by motoruf