back to
>
Roth / TORO
>
Hand operated
>
Sweeper
>
981
>
Kehr-Fix Assy.
Spare Parts Lists for Toro Roth / TORO Kehr-Fix Assy.
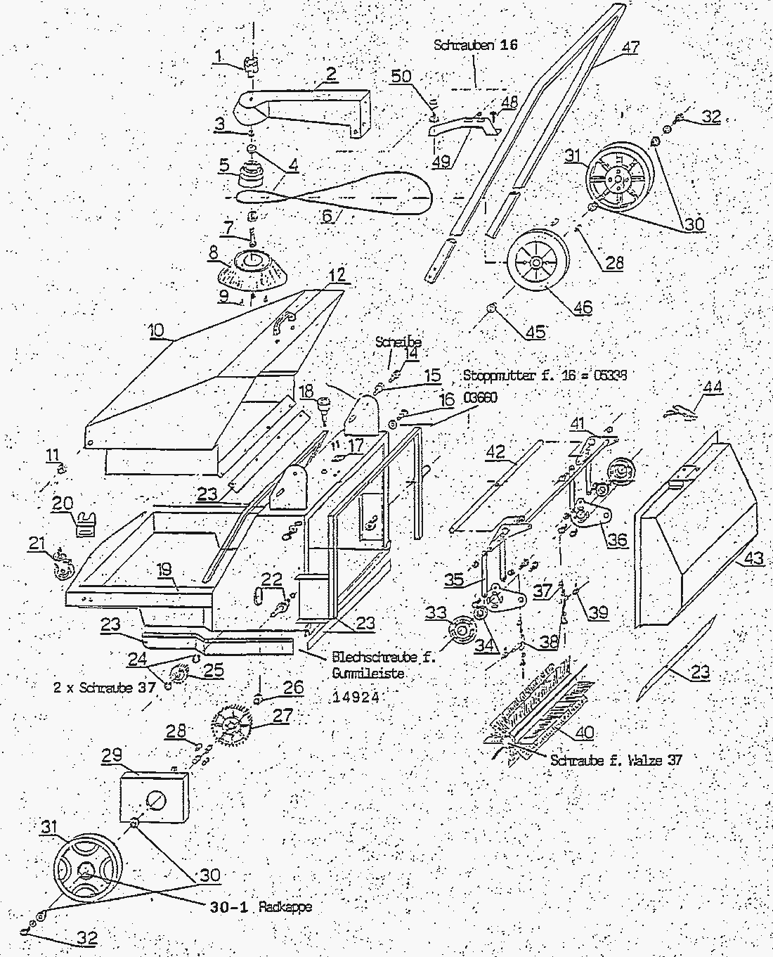
pos.
decription
spare part number
1
HANDRAD
17815
2
SEITLICHER ARM
17816
3
SCHEIBE
17817
4
KUGELLAGER
17819
5
KEILRIEMENSCHEIBE
17820
6
KEILRIEMEN
17821
7
ZAPFEN FUER SEITL. ARM
17822
8
SEITLICHER BESEN
17823
9
SCHRAUBE
17877
10
HINTERE HAUBE
17869
11
BUECHSE
17825
12
HANDGRIFF
17826
14
SECHSKANTSCHRAUBE
17878
15
RAENDELMUTTER
17879
16
SCHRAUBE
17880
17
HAKEN
17827
18
SCHEIBE
11828
19
HAUPTRAHMEN
17870
20
AUFHAENGUNG
17830
21
RAD
17831
22
RADACHSE
17832
23
DICHTUNGSPROFILSATZ/ 981
17871
24
SEEGERRING
17834
25
ZAHNRAD
17835
26
RADBUCHSE
17836
27
HAUPTZAHNRAD
17837
28
ANTRIEBSBOLZEN
17838
29
GEHAEUSE
17839
30
RADBUCHSE
17840
31
RAD
17841
32
SCHRAUBE
17881
33
LAGERDECKEL
17842
34
KUGELLAGER
17843
35
KIPPHEBEL
17844
36
LAGERGEHAEUSE
17845
37
SCHRAUBE
17882
38
ANTRIEBSWELLE
17846
39
DISTANZBUECHSE
17847
40
MITTLERE BUERSTENWALZE
17872
41
BUERSTENAUFHAENGUNG
17873
42
ROHR
17874
43
HINTERE HAUBE KOMPLETT
17875
44
HEBELVERSCHLUSS
17854
45
RADBUCHSE
17855
46
RADABDECKUNG
17856
47
SCHIEBESTANGE
17857
48
GUMMIPUFFER
17858
49
HALTEARM
17859
50
EINSTELLSCHRAUBE
17860
Lists
Toro
Roth / TORO
Ride-On Mowers
Hand operated
Sweeper
982
981
Brush
Collector
Brush
Drive Assy.
Frame
Kehr-Fix Assy.
980
Snowthrower
Vac/Blower
Lawnmower
Robin
Terms and Conditions
(C) by motoruf