back to
>
Roth / TORO
>
Hand operated
>
Snowthrower
>
Single stage
>
CR 20 R
>
609/38110 C
>
8000001
>
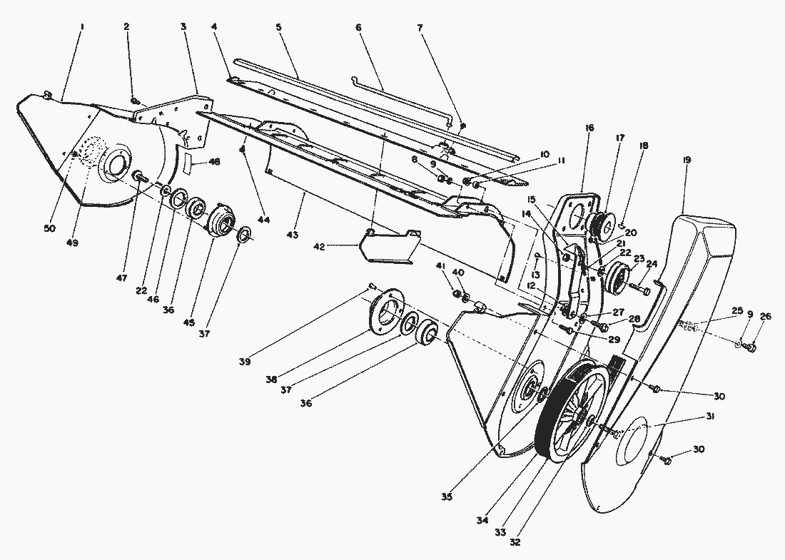
Lower Frame Assy.
Spare Parts Lists for Toro Roth / TORO Lower Frame Assy.
pos.
decription
spare part number
1
Vane-Outside
52-7080
2
Screw Thread Forming
32144-4
3
Side Plate-Right
52-9100
4
Vane Mount
41-8480
5
Moulding
63-3720
6
Linkage-Vane Adjustment
52-7090
7
Self Tapping Screw
32104-77
8
Lock Nut
32152-4
9
Washer
3256-22
10
Nut-Flange
32128-25
11
Spacer
51-2950
12
Washer-Pivot
54460
13
Eyelet
29-7430
14
Locknut
3296-39
15
Idler Arm
26-8990
16
Side Plate Left
33-2130
17
Engine Pulley
25-6400
18
Woodruff Key
3257-3
19
Cover-Drive
54-9940
20
Screw-Set
324541
21
Idler Spring
26-9730
22
Flat Washer
3256-24
23
Idler Pulley
25-5880
24
Capscrew
323-9
25
Grommet
32117-3
26
Screw-Self Tapping
32104-109
27
Washer
25-5640
28
Shoulder Screw
27-0410
29
Capscrew
321-4
30
Screw
32105-2
31
Screw-Cap Hex Hd.
321-30
32
Washer-Belleville
3290-456
33
Belt
25-6430
34
Pulley-Rotor
60-9320
35
Washer
26-0970
36
Ball Bearing
38-7820
37
Washer-Thrust
52-7280
38
Bearing Flange
38-8620
39
Rivet
3292-8
40
Washer
3256-61
41
Nut
3296-2
42
Vane-Center
52-7060
43
Housing
52-7170
44
Self Tapping Screw
32144-34
45
Bearing Flange
52-9110
46
Washer-Rubber
52-7270
47
Screw-Cap Hex Flange
3234-25
48
Decal-Made in Canada
40-2850
49
Retainer-Bearing
52-7290
50
Nut-Cap
32111-14
Lists
Toro
Roth / TORO
Ride-On Mowers
Hand operated
Sweeper
Snowthrower
Attachements
Two stage
Single stage
Snow Commander
CCR 3650 GTS
CCR 3000
CCR 2450
CCR 2400
CCR 2000
CR 1000
CR 20
CR 20 R
609/38110 C
8000001
Recoil Starter No. 590537
Engine Tecumseh Model No. AH-600 TYPE 1648-M (ModelS No. 38115C)
Engine Tecumseh Model No. AH-600 TYPE 1647-M (Model No. 38110C)
Carburetor No.632142A
Starter Engine & Switch Assy. (Model No.38115C)
Engine Assy. (Model No.38115C)
Engine Assy. (Model No.38110C)
Rotor Assy.
Lower Frame Assy.
Shroud & Handle Assy.
7000001
0000001
S 620
S 200
CCR Powerlite
Vac/Blower
Lawnmower
Robin
Terms and Conditions
(C) by motoruf