back to
>
Roth / TORO
>
Hand operated
>
Lawnmower
>
Electric
>
125
>
190000
>
Mower
Spare Parts Lists for Toro Roth / TORO Mower
spare parts list 1
spare parts list 2
pos.
decription
spare part number
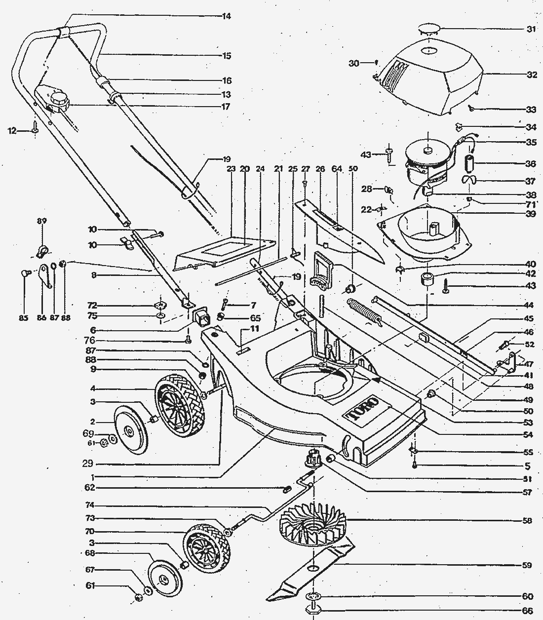
1
MAEHERGEHAEUSE
13807
2
SCHUTZSCHEIBE
13839
3
LAGER
12398
4
RAD
13852
5
FORMSCHRAUBE
12393
6
ISOLIERBUCHSE
13003
7
SCHRAUBE
13809
8
SCHIEBESTANGE U.T.RE.
13400
9
DISTANZSCHEIBE
05743
10
* HOLMVERSCHRAUBUNG KPL.
13474
11
*** keine Bezeichnung vorhanden
13300
12
SCHRAUBE
13602
13
10635
14
SEILFUEHRUNG
13603
15
SCHIEBESTANGE-OBERTEIL
13306
16
SEILKLAMMER
13607
17
17354
19
KABELBAND
13793
20
13457
21
*** keine Bezeichnung vorhanden
12414
22
WERKZEUGBEUTEL F. 614
11836
23
AUSWURFKLAPPE
11928
24
SCHIEBESTANGE U.T.LI.
13399
25
SCHENKELFEDER
11619
26
ABDECKUNG
12427
27
SCHRAUBE
12489
28
KABELKLEMME
13609
29
RADACHSE HINTEN
13803
30
SCHRAUBE
13402
31
SCHAUGLAS
10415
32
HAUBE
11469
33
SCHRAUBE
13430
34
FEDERKLAMMER
13601
35
STECKVERTEILER
11839
36
KONDENSATOR
13401
37
RUNDGUMMI
13528
38
ELEKTROMOTOR
13303
39
MOTORGEHAEUSE
13345
40
BLECHMUTTER
13403
41
GLEITLAGER
12462
42
DISTANZHUELSE
13595
43
SCHRAUBE
13317
44
VERSTELLTASTE
12757
45
VERBINDUNGSSTANGE
12144
46
KLEBESCHILD
12381
47
ACHSLASCHE
12608
48
AUSGLEICHSFEDER
12379
49
DRUCKFEDER
12428
50
GLEITLAGER
12374
51
DISTANZROHR
12465
52
SCHRAUBE
13805
53
12380
54
*** keine Bezeichnung vorhanden
1383T
55
KLEMMBLECH
12375
57
MESSERNABE
13398
58
GEBLAESERAD
10703
59
MESSER
12320
60
MITNEHMERBLECH
07468
61
STOPMUTTER
10988
62
GUMMIEINLAGE
13806
64
KLEBESCHILD
12425
65
HUELSE
13834
66
MESSERSCHRAUBE
07463
67
SCHEIBE
13896
68
SCHUTZSCHEIBE
13838
69
SCHEIBE
13853
70
RAD
13846
71
KNOPF-CLIP
07233
72
ISOLIERSTUECK
13272
73
BUCHSE
12376
74
RADACHSE VORN
14082
75
SCHEIBE
09709
76
SCHRAUBE
13567
85
SCHRAUBE
12517
86
RAHMENSTUETZE
12513
87
SCHEIBE
07674
88
SICHERUNGSMUTTER
10365
89
ROHRSCHELLE
13499
pos.
decription
spare part number
90
TRAGEGRIFF
13880
91
ACHSSCHRAUBE
13873
92
DECKEL F. GRASFANGVORR.
13883
93
FLANSCHMUTTER
13882
94
RAHMEN
13879
95
VERBINDUNGSROHR
11951
96
GRASFANGSACK M.GESTAENGE
14176
97
RAHMENLAGER
13876
DICHTLIPPE
13726
Lists
Toro
Roth / TORO
Ride-On Mowers
Hand operated
Sweeper
Snowthrower
Vac/Blower
Lawnmower
Grass Baggers
4-stroke SP
4-stroke
2-stroke SP
2-stroke
Electric
170
155
150
140
134
125
260000
250000
240000
230000
220000
210000
200000
190000
Mower
180000
105
104
103
102
Battery
Robin
Terms and Conditions
(C) by motoruf