back to
>
Roth / TORO
>
Hand operated
>
Lawnmower
>
Electric
>
155
>
290000
>
Mower
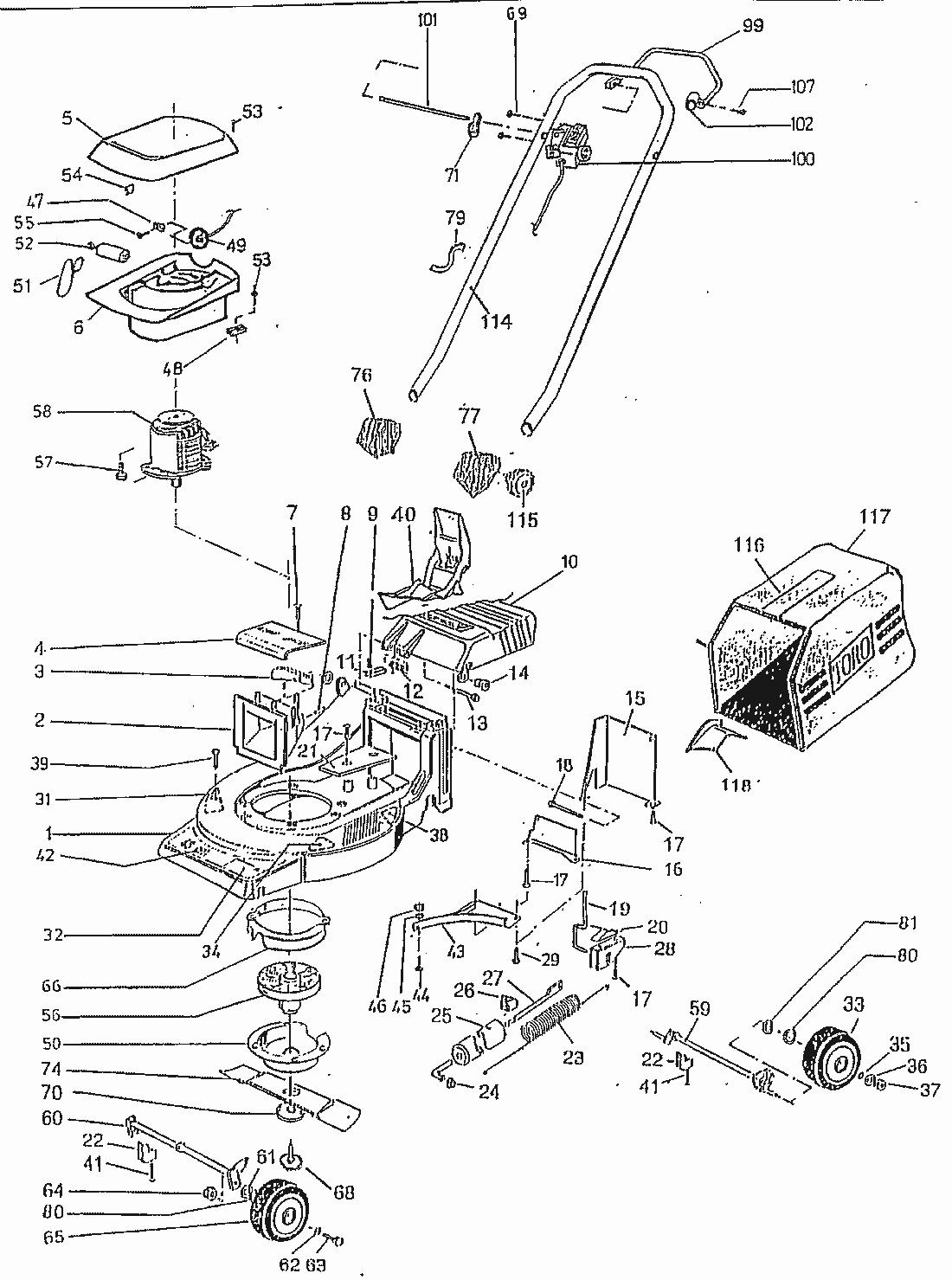
Spare Parts Lists for Toro Roth / TORO Mower
pos.
decription
spare part number
1
19335
2
GRIFFSCHALE
18342
3
GRIFF
18343
4
GRIFFDECKEL
18345
5
HAUBE
18276
6
19598
7
SCHRAUBE
18346
8
STIFT
18344
9
SCHRAUBE
18481
10
AUSWURFKLAPPE
18313
11
HALTELASCHE
18311
12
SCHENKELFEDER
18312
13
HOLMSCHRAUBE-RECHTS
18309
14
HOLMLAGERBUCHSE
18460
15
TRENNWAND
18302
16
LEITBLECH
18301
17
FORMSCHRAUBE
12393
18
HOLMSCHRAUBE-LINKS
18310
19
STELLSTREBE
18307
20
BLATTFEDER
18308
21
RIEMENABDECKUNG
18314
22
ACHSHALTER
19295
23
18903
24
SICHERUNGSKAPPE
18867
25
FEDERABDECKUNG
18339
26
ZEIGER
18355
27
VERBINDUNGSSTANGE
18305
28
RASTE
18306
29
SCHRAUBE
13567
31
DEFLEKTOR RECHTS VORNE
19338
32
19594
33
RAD
18577
19443
34
19339
35
GLEITLAGER
07542
36
SCHEIBE
13853
37
STOPMUTTER
10988
38
19340
39
19341
40
19342
41
SCHRAUBE
18587
42
19349
43
19371
44
19372
45
19373
46
19111
47
ZUGENTSLASTUNGSSCHELLE
19296
48
STECKVERTEILER
11839
49
ADAPTER
18958
50
19600
51
RUNDGUMMI
13528
52
19597
53
SCHRAUBE
19159
54
KLEMME
18664
55
SCHRAUBE
18884
56
19599
57
SCHRAUBE
13317
58
19596
59
HINTERACHSE
19294
60
VORDERACHSE
19275
61
SCHEIBE
18454
62
RADLAGER
18459
63
RADBOLZEN
19623
64
STOPMUTTER
19624
65
VORDERRAD
18304
66
19592
68
MESSERSCHRAUBE
07463
69
13605
70
19602
71
ZUGENTLASTUNG
19286
74
19601
76
HOLMBEFESTIGUNG RECHTS
18319
77
HOLMBEFESTIGUNG LINKS
18318
79
KLETTBAND
19533
80
WELLENSCHEIBE
18868
81
ABDECKSCHEIBE
03951
99
SCHALTBUEGEL F.150+105
19298
100
SCHALTER KOMPL.
19531
101
VERBINDUNGSROHR F. 150
18962
102
HALTERUNG F. SCHALTBUEGEL
19095
107
18923
114
FUEHRUNGSHOLM KOMPL.
18854
115
DREHKNOPF
18320
116
RAHMEN
18321
117
GRASFANGSACK
18322
118
ENTNAHMELIPPE
18323
19595
Lists
Toro
Roth / TORO
Ride-On Mowers
Hand operated
Sweeper
Snowthrower
Vac/Blower
Lawnmower
Grass Baggers
4-stroke SP
4-stroke
2-stroke SP
2-stroke
Electric
170
155
350000
340000
330000
320000
310000
300000
290000
Mower
150
140
134
125
105
104
103
102
Battery
Robin
Terms and Conditions
(C) by motoruf