back to
motoruf
Warenkorb

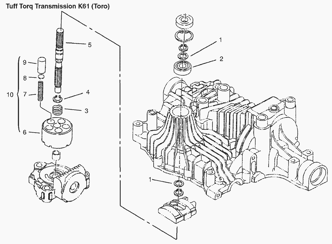
Spare Parts Lists for Toro Roth / TORO Pump Shaft




spare parts list


pos.decriptionspare part number
1Washer (Only On: 72083, 72043, 72103, 72063)93-0371
2Bearing-Ball (Only On: 72083, 72043, 72103, 72063)93-0374
3Spring (Only On: 72083,72043,72103,72063)93-0370
4Ring-Snap (Only On: 72083,72043,72103, 72063)93-0373
5Shaft-Pump (Only On: 72083,72043,72103, 72063)93-0372
6
7
8
9
10Cylinder ASM INC 6-9 (Only On: 72083,72043, 72103, 72063)93-0365
Lists
Toro
Terms and Conditions
(C) by motoruf