back to
>
Roth / TORO
>
Hand operated
>
Snowthrower
>
Single stage
>
CR 20
>
609/38115 C
>
0000001
>
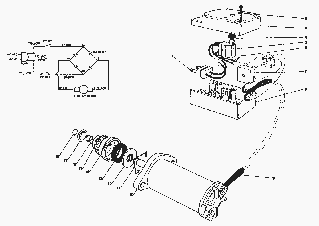
Starter Engine Switch Assy. (Model No. 38115C)
Spare Parts Lists for Toro Roth / TORO Starter Engine Switch Assy. (Model No. 38115C)
pos.
decription
spare part number
1
Plug
38-8370
2
Plastite Screw
61-4830
3
Cap-Switch Housing
61-4840
4
Boot-Switch
36-8350
5
Switch
36-8340
6
Wire-Switch to Rectifier
36-8360
7
Bridge Rectifier
37-7600
8
Base-Switch Housing
61-4850
9
Cable Cover
33-5130
10
11
Clip-Retaining
5-6530
12
13
Ring-Rubber
25-3400
14
15
Washer
33-5570
16
Spring
33-3230
17
Pinion Stop
33-3210
18
External Retaining Ring
32151-49
Starter Motor Assembly (Incl. Ref.
28-9140
Piion Assembly (Incl. Ref.
36-5350
Cord-7 Ft.
28-9170
Lists
Toro
Roth / TORO
Ride-On Mowers
Hand operated
Sweeper
Snowthrower
Attachements
Two stage
Single stage
Snow Commander
CCR 3650 GTS
CCR 3000
CCR 2450
CCR 2400
CCR 2000
CR 1000
CR 20
609/38115 C
8000001
7000001
0000001
Recoil Starter No. 590537
Engine Tecumseh Model No. AH-600 TYPE 1623-N
Carburetor No. 632142A
Starter Engine Switch Assy. (Model No. 38115C)
Engine Assy. (Model No. 38115C)
Engine Assy. (Model No. 38110C)
Rotor Assy.
Lower Frame Assy.
Shroud & Handle Assy.
CR 20 R
S 620
S 200
CCR Powerlite
Vac/Blower
Lawnmower
Robin
Terms and Conditions
(C) by motoruf