back to
>
Roth / TORO
>
Hand operated
>
Snowthrower
>
Two stage
>
1132
>
610/38160
>
7000001
>
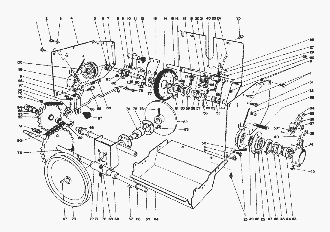
Traction Assy. (Cont.)
Spare Parts Lists for Toro Roth / TORO Traction Assy. (Cont.)
pos.
decription
spare part number
25-5190
8-9139
pos.
decription
spare part number
54
Pivot-Shift Rod
11-8060
55
Spacer Split
11-3180
56
Hex Socket Capscrew
3274-26
57
Collar
20-4610
58
Thrust Bearing
252-71
59
Slider Ring Collar
11-8050
60
Ring Slider
11-8080
61
Hub-Traction Disc
20-3310
62
Friction Plate
23-4970
63
Capscrew
322-3
64
Shield Lower
11-7140
65
Axle Shaft
26-5950
66
Thrust Washer
3-0737
67
Key Woodruff
3257-23
68
Bushing
256-269
69
Locknut
32149-1
70
Grease Fitting
302-5
71
Internal Tooth Lockwasher
3254-8
73
Pulley Drive
5-7410
74
Friction Plate Shaft
23-4950
75
Bearing Housing
10-0070
76
Set Screw
3242-4
77
Spacer
22-9190
78
Clevis Pin
283-6
79
Shoulder Bolt
7-0846
80
Roller-Chain Tensioner
26-8940
81
Shaft-Friction Wheel
11-8940
82
Bearing
251-260
83
Hex Washer Hd. Thread Forming Screw
12-3270
84
Capscrew
323-8
85
Bolt-Shoulder
42-3560
87
Brake Pad-Molded
40-8140
88
Thrust Washer
3-8664
89
Pushnut
3290-383
90
Lower Chain
23-7260
91
Connecting Link
2710-11
92
Sprocket (Incl. Ref.
8-8709
93
Bushing
256-215
94
Spacer
23-7250
95
Upper Chain
5-9430
96
Bracket Clutch Rod
20-2940
97
Connecting Link
2710-6
98
Lock Nut
32152-4
99
Spring-Auger
53-7620
100
Pulley Idler
3-4244
Lists
Toro
Roth / TORO
Ride-On Mowers
Hand operated
Sweeper
Snowthrower
Attachements
Two stage
1332 PowerShift
1232 PowerShift
1132 PowerShift
1132
610/38160
9000001
7000001
Engine B&S Model No. 252416-0735-01 (Cont.)
Engine B&S Model No. 252416-0735-01
Grader Blade Assy. (Model No. 59099)(Optional)
Chute Extension Kit 26-1100 (Optional)
Snow Cab Assy. Model 42-3380
12 Volt Start Engine Kit 42-3370 (Optional)
Starter Engine Kit Model No. 37-4630 (Optional)
Handle Assy. (Cont.)
Handle Assy.
Engine Assy.
Wheel Assy.
Traction Assy. (Cont.)
Traction Assy.
Auger Assy. (Cont.)
Auger Assy.
6000001
5000001
4000001
3000001
2000001
1000001
0000001
1028 PowerShift
924 PowerShift
828 PowerShift
824 PowerShift
824 XL
824
724
624 PowerShift
622
521
3521
Single stage
Vac/Blower
Lawnmower
Robin
Terms and Conditions
(C) by motoruf