back to
>
Roth / TORO
>
Hand operated
>
Snowthrower
>
Two stage
>
824 PowerShift
>
628/38543
>
5900001
>
Traction Drive Assy.
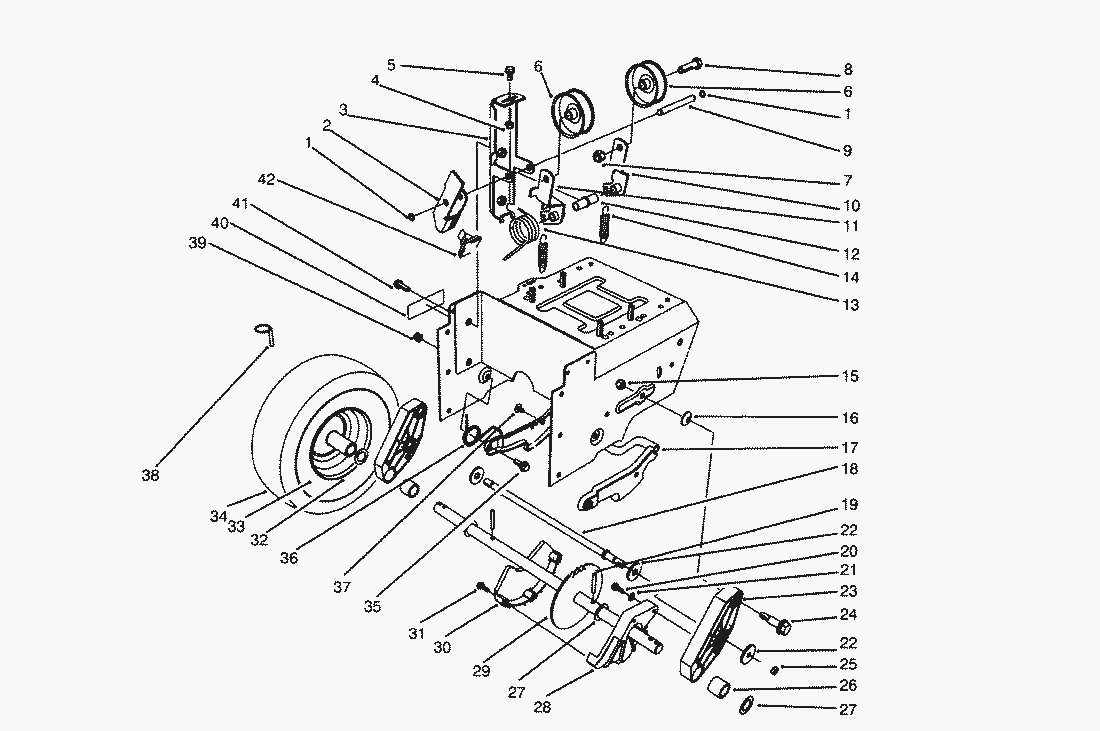
Spare Parts Lists for Toro Roth / TORO Traction Drive Assy.
pos.
decription
spare part number
pos.
decription
spare part number
1
Ring-Retaining
32120-46
2
Arm-Brake
63-2810
3
Bracket-Idler Arm
63-2850
4
MUTTER
3296-42
5
Hex Flange Capscrew
3234-13
6
Pulley Idler
3-4244
7
Nut-Lock
3296-59
8
Screw-Cap Hex Hd.
323-7
9
Pin-Idler
62-0970
10
Arm-Traction Idler
62-1260
11
Arm-Impeller Idler
62-1280
12
Bushing-Idler
62-1210
13
Spring-Torsion
63-2880
14
Spring-Extension
63-2870
15
Locknut
3296-39
16
Washer-Belleville
3290-461
17
Latch-Arm
62-0470
18
Rod-Latch
66-7720
19
Roll Pin
32121-9
20
Screw Thread Forming
32144-4
21
Washer-Plain
3256-1
22
Washer
63-3340
23
Pivot Arm Assembly (Incl. Ref.
66-7740
24
Bolt-Shoulder
62-1330
25
Nut-Lock
3296-23
26
Bushing-Axle
63-2250
27
Thrust Washer
252-80
28
Guard-Chain L.H.
62-1010
29
Axle Assembly
63-2111
30
Guard-Chain R.H.
62-1000
31
SCHRAUBE
32104-121
32
Rim-Wheel
241-128
33
Tube
232-46
34
Tire
231-120
35
Bolt-Shoulder
5-2490
36
Spring-Torsion
63-2740
37
Fastener-Panel
3290-476
38
Klip Pin
3290-243
39
Nut-Lock
3296-47
40
Decal-Warning (Model No. 38580 Only)
66-6860
Decal-Adjustment (Model No. 38505)
63-3470
41
Screw-Hex. Washer Hd.
3234-7
42
Pad-Brake
66-8060
Lists
Toro
Roth / TORO
Ride-On Mowers
Hand operated
Sweeper
Snowthrower
Attachements
Two stage
1332 PowerShift
1232 PowerShift
1132 PowerShift
1132
1028 PowerShift
924 PowerShift
828 PowerShift
824 PowerShift
628/38546
628/38543
220000001
210000001
200000001
9000001
8900001
8000001
7900001
6900001
5900001
Engine Tecumseh Model HMSK80-155386S (Cont.)
Engine Tecumseh Model No. HMSK80-155386S
Recoil Starter Tecumseh No. 590672
Carburetor Tecumseh No. 632334A
Handle Assy.
Traction Linkage Assy.
Traction Drive Assy.
Transmission Assy. No. 66-8030 (Cont.)
Transmission Assy. No. 66-8030
Engine Assy.
24 Auger Gearcase Assy. No. 74-1560
Housing & Chute Assy. (Cont.)
Housing & Chute Assy.
4900001
3900001
2000001
1000001
0000001
628/38540
824 XL
824
724
624 PowerShift
622
521
3521
Single stage
Vac/Blower
Lawnmower
Robin
Terms and Conditions
(C) by motoruf