back to
>
Roth / TORO
>
Hand operated
>
Snowthrower
>
Two stage
>
824 PowerShift
>
628/38543
>
9000001
>
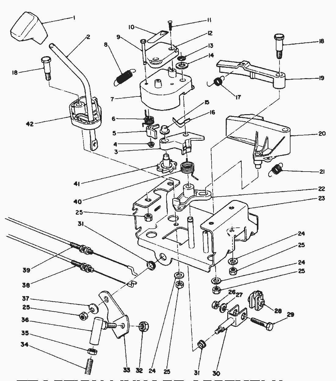
Traction Linkage Assy.
Spare Parts Lists for Toro Roth / TORO Traction Linkage Assy.
pos.
decription
spare part number
1
Knob-Shift
62-1290
2
Rod-Shift (Upper)
67-9240
3
Lever-Index Wheel
62-1110
4
Push Nut-Washer Cap
3290-422
5
Tang-Index
62-0180
6
Spring-Torsion
62-1650
7
Lever-Latch
62-1100
8
Spring-Extension (Latch Lever)
63-2220
9
Pin-Tang
63-2610
10
Decal-
63-2480
11
Screw-Hex Flange Hd.
32104-118
12
Cover-Latch
62-1140
13
Ring-Retaining
32120-46
14
Washer-Thrust
257-9
15
Push-On Speed Nut
3290-320
16
Spring-Flat
62-1710
17
Spring-Extension (Lockout)
63-2240
18
Screw-Shoulder
63-2650
19
Lever-Lockout
62-1700
20
Lever-Reverse
62-1130
21
Spring-Extension (Reverse Lever)
63-2230
22
Lever-Reverse
62-1120
23
Frame-Control
63-2150
24
Washer
3256-23
25
MUTTER
3296-29
26
MUTTER
3296-42
27
Washer-Plain
3256-1
28
Retainer-Shift Rod
67-9250
29
Screw-Cap Hex. Hd.
321-43
30
Clevis
66-7730
31
Bushing-Nyliner
256-296
32
Nut-Lock
3296-17
33
Bracket-Shift
63-2630
34
Rod-Shift (Lower)
63-2830
35
Jam Nut
3220-3
36
Joint-Ball
63-2640
37
Washer-Belleville
3290-456
38
Cable-Gearbox
63-2210
39
Cable-Latch
63-2200
40
Spring-Torsion
63-2270
41
Wheel-Index
62-0170
42
Base-Lockout
62-1470
Lists
Toro
Roth / TORO
Ride-On Mowers
Hand operated
Sweeper
Snowthrower
Attachements
Two stage
1332 PowerShift
1232 PowerShift
1132 PowerShift
1132
1028 PowerShift
924 PowerShift
828 PowerShift
824 PowerShift
628/38546
628/38543
220000001
210000001
200000001
9000001
Recoil Starter Tecumseh No. 590630
Carburetor Tecumseh No. 632334
Engine Tecumseh Model No. HM80-155337N (Cont.)
Engine Tecumseh Model No. HM80-155337N
Electric Starter Engine Kit No. 37-4810 (Optional)*
Snow Cab Assy. No. 66-6200 (Optional)
Light Kit No. 66-7930 (Optional)
Drift Breaker Assy. No. 66-7960 (Optional)
Handle Assy.
Traction Linkage Assy.
Traction Drive Assy.
Transmission Assy. No. 66-8030 (Cont.)
Engine Assy.
Transmission Assy. No. 66-8030
24 Auger Gearcase Assy. No. 66-8020
Housing & Chute Assy. (Cont.)
Housing & Chute Assy.
8900001
8000001
7900001
6900001
5900001
4900001
3900001
2000001
1000001
0000001
628/38540
824 XL
824
724
624 PowerShift
622
521
3521
Single stage
Vac/Blower
Lawnmower
Robin
Terms and Conditions
(C) by motoruf