back to
>
Roth / TORO
>
Hand operated
>
Snowthrower
>
Two stage
>
1028 PowerShift
>
635/38555
>
4900001
>
Transmission Assy. No. 66-8030
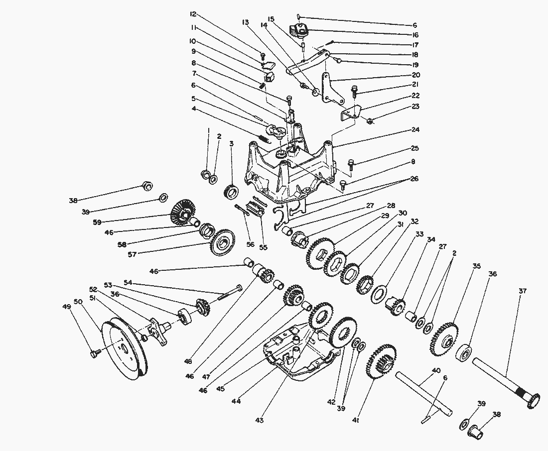
Spare Parts Lists for Toro Roth / TORO Transmission Assy. No. 66-8030
pos.
decription
spare part number
1
Bushing-Output (Flange)
62-1180
2
Washer-Thrust
252-59
3
Collar-Shift (Speed)
62-0430
4
Spring-Extension (F/R Return)
63-2920
5
Lever-Direction Shift
62-0880
6
Pin-Coil
32121-106
7
Bracket-Cable
62-1740
8
Screw Thread Forming
32144-4
9
Spring-Compression (Detent)
63-2890
10
Button-Detent
62-1020
11
Cover-Detent
62-1690
12
Screw-Pan Hd.
32104-71
13
Bolt-Shoulder
63-3410
14
Washer-Curved
3290-477
15
Pin-Gearshift Link
63-2190
16
Lever-Gear Shift
62-0870
17
Pin-Cotter
3272-1
18
Link-Gearshift
62-0860
19
Clevis Pin
283-3
20
Bellcrank
63-2600
21
Screw-Hex Washer Hd.
32104-95
22
Bracket-Bellcrank
62-1190
23
MUTTER
3296-42
24
Gear Case-Upper
62-0490
25
Screw-Hex Washer Hd.
32144-86
26
Yoke-Shift
62-1040
27
Bushing-Output
62-1350
28
Sleeve
62-0320
29
Gear-45T
62-0240
30
Gear-34T
62-0220
31
Gear-27T
62-0200
32
Gear-29T
62-0250
33
Washer-Thrust
63-2280
34
Sleeve-Gear 19T
62-0340
35
Gear-41T
62-0370
36
Ball Bearing
38-7820
37
Shaft-Output
62-1080
38
Bushing-Flange
62-1170
39
Washer -Thrust
257-10
40
Shaft-Intermediate
62-0330
41
Gear-Compound 19T/41T
62-0360
42
Gear-51T
62-0260
43
Gear-33T
62-0210
44
Gear Case-Lower
62-0480
Lists
Toro
Roth / TORO
Ride-On Mowers
Hand operated
Sweeper
Snowthrower
Attachements
Two stage
1332 PowerShift
1232 PowerShift
1132 PowerShift
1132
1028 PowerShift
635/38559
635/38555
890000001
790000001
69000001
59000001
4900001
Recoil Starter No. 590672
Tecumseh Engine Model HMSK100-159227T (Cont.)
Tecumseh Engine Model HMSK100-159227T
Carburetor No. 632370A
Light Assy. No. 66-7930
Handle Assy.
Traction Linkage Assy.
Traction Drive Assy.
Transmission Assy. No. 66-8030 (Cont.)
Transmission Assy. No. 66-8030
Engine Assy.
28 Auger Gearcase Assy. No. 74-1561
Housing Assy. (Cont.)
Housing & Chute Assy.
3900001
924 PowerShift
828 PowerShift
824 PowerShift
824 XL
824
724
624 PowerShift
622
521
3521
Single stage
Vac/Blower
Lawnmower
Robin
Terms and Conditions
(C) by motoruf