back to
>
Roth / TORO
>
Ride-On Mowers
>
Traktor
>
264-6
>
501/72062
>
5900228
>
Twin Cylinder Engine, Muffler, and P.T.O.
Spare Parts Lists for Toro Roth / TORO Twin Cylinder Engine, Muffler, and P.T.O.
pos.
decription
spare part number
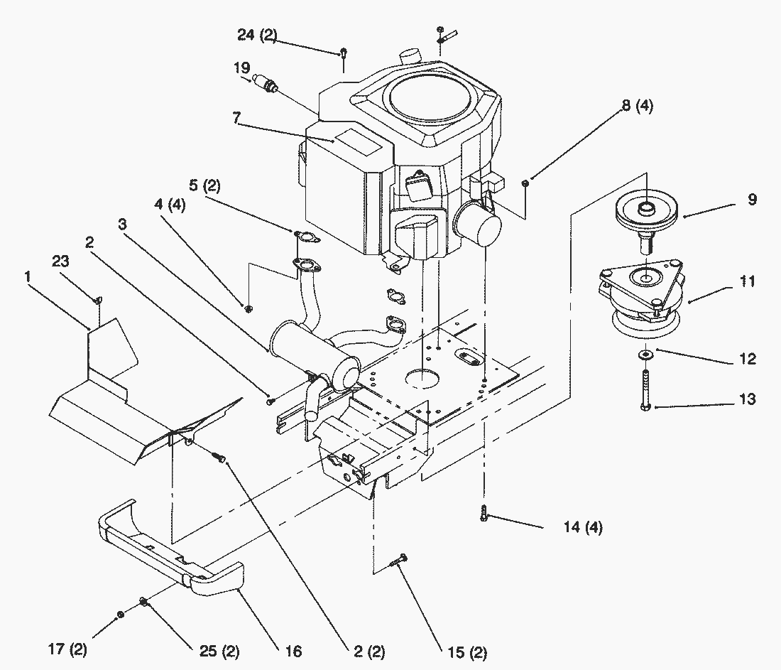
1
Baffle-Muffler (Only On: 72103, 72083)
92-6879-03
2
Screw-Wash. Hd., Tap.
32144-14
3
Muffler (Only On: 72103, 72083)
92-6861
4
Nut-HHF (Only On: 72103,72083)
92-6780
5
Gasket-Exhaust (Only On: 72103, 72083)
93-0350
7
Decal-Toro Power Plus 18 (Only On: 72103)
93-0535
8
MUTTER
3296-29
9
Pulley (Only On: 72083, 72103)
92-6888
11
Clutch-PTO (Only On: 72103, 72083)
92-6885
12
Washer
112843
13
Screw-Hex. Hd.
9114466
14
Capscrew
322-9
15
Carriage Bolt
3231-22
16
Shield-Muffler (Only On: 72103)
92-6867-01
17
Locknut
3296-39
19
Valve-Oil Drain (Only On: 72103, 72083)
92-6877
23
Clip-Wire Retainer
702366
24
Screw-PPH (Only On: 72103, 72083)
32144-118
25
Flat Washer
3256-24
Lists
Toro
Roth / TORO
Ride-On Mowers
Traktor
264-6
501/72062
4900001
5900001
5900228
Hood and Grill
Dash
Steering Wheel and Tilt
Lower Steering
Front Axle
Seat
Fuel Tank and Hydro Reservoir
Fender and Footrest
Hoodstand and Firewall
Lift Lever and HOC
Frame
Hydro Drive Components
GearDrive Components
Twin Cylinder Engine, Muffler, and P.T.O.
Single Cylinder Engine, Muffler, and P.T.O.
Clutch 92-6885
Battery
Hydro Brake
Hydro Control
Hydro Transaxle
Cruise Control
Transaxle-Gear
GearShift Linkage
Clutch and Brake-Gear
Rear Wheel
Crankshaft
Crankcase
Oil Pan/Lubrication
Cylinder Head/Valve/Breather
Ignition/Electrical
Blower Housing & Baffles
Start System
Fuel System
Engine Controls
Air Intake/Filtration
Exhaust
Head/Valve/Breather
Peerlesss Transaxle 820-024
Transaxle Case
Center Case
Pump Shaft
EngineShaft
Range Shift
Bypass Return
Lever Damper
N-Centering
Brake Interlock
Differential Gear
Final Pinion
Axle Shaft
Brake
6900001
246 HE
244-5
212-H
212-5
17-44 HXLE
16-44 HXL
16-38 HXL
16-38 XLE
15-44 HXL
15-38 HXL
14-38 HXL
14-38 XL
13-38 HXL
13-38 XL
13-32 XLE
12-38 HXL
12-38 XL
12-32 XL
264 H
265 H
267 H
268 H
270 H
520 xi
520 Lxi
523 Dxi
Rider
Mower decks
Attachements
Hand operated
Robin
Terms and Conditions
(C) by motoruf