back to
>
Mowers
>
Petrol
>
Drive from 43 cm on
>
series 6
>
6.46 BA
>
6.46 BA
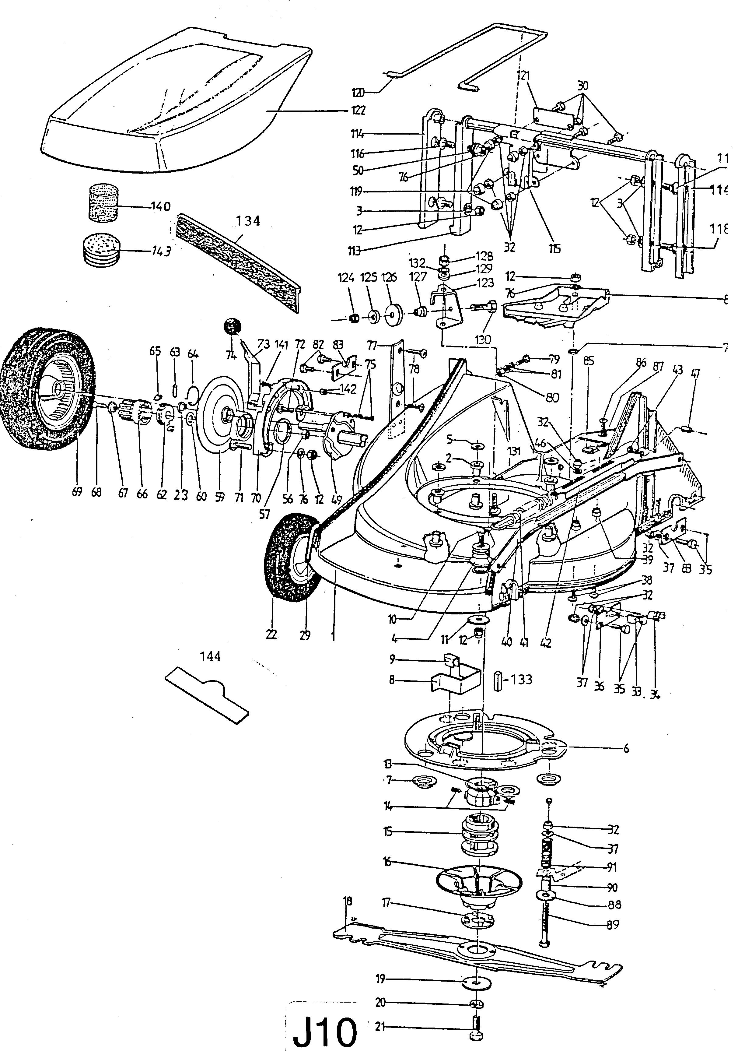
Spare Parts Lists for Wolf Mowers 6.46 BA
spare parts list 1
spare parts list 2
pos.
decription
spare part number
1
Chassis
6905 300
2
Insulator
6905 301
4
Arm
6920 301
5
Washer
6905 311
6
Retainer-E Ring
6925 302
7
Washer
6920 302
8
Ring
6925 503
9
Clip
6912 504
10
Screw
0013 666
11
Washer
4151 209
12
Hex. Nut
0016 312
13
Pulley-Camshaft
6912 501
14
Threaded Pin
6912 502
15
Coupling
6920 402
16
Starter Dog
6912 401
17
Starter Dog
6920 500
18
Blade
6920 090
18
Blade
6920 091
19
Washer
4289 403
38
Screw
0013 641
39
Bush
6955 109
40
Rod
6920 506
41
Spring
6920 508
42
Spring Retainer
6920 509
47
Bush
6920 510
50
Hex. Nut
0016 312
56
Bearing
4253 109
57
Washer
6925 505
59
Hub Cap
6912 506
60
Washer
0017 282
62
Free Running
4277 505
64
Throttle Return Spring
4277 506
68
Screw
0011 444
70
Snap-In Locking Device
6920 513
71
Screw
0013 655
72
Screw
0013 654
73
Lever(Replaces 6930506)
6925 020
74
Button
4277104
75
Rivet
0019 114
76
Washer A 8,4 Din 125
0017 123
77
Arm
6905 309
78
Screw, Pt Ka 40 X 10
0012 887
80
Self Locking Nut M 4
0016 309
81
Washer
0017 286
82
Screw
0010 379
83
Cover
6920 515
85
Clip
4224 218
86
Screw
0015 684
87
Washer
0017 286
88
Washer
6925 201
89
Screw
0010 305
90
Shell
6925 202
91
Spring
6925 203
114
Insulator
6905 308
115
Arm
6920 303
116
Screw
0013 652
118
Screw
0013 653
119
Cap
6905 211
120
Shackle
6920 304
121
Plate-Carburetor
6920 305
122
cover
6920 306
123
Bush
6912 512
124
Hex. Nut
0016 310
125
Flat Washer 5.3 Din 9021 B
0017 287
126
Roller
1086 126
127
Stud Bolt
6912 515
128
Nut
0016 256
130
Screw
0010 101
131
Screw
0013 640
133
Feather Key
6931 100
134
Gum
6905 100
140
Foamed Material
6925 304
141
Screw
0012 885
142
Bush
6920 516
143
Washer
6925 305
144
"Wolf-Garten" Brand
0051 146
pos.
decription
spare part number
43
Screw
0010 363
44
Cog Pulley 28
0017 125
45
Hex. Nut
0016 310
46
Washer
0017 289
48
Lever
6920 511
49
Axle Half
6925 052
51
Spacer Block
6925 502
52
Clamp-Casing
6925 504
53
Spacer
0011 445
55
Axle Half
6925 053
58
Bearing Shell
6925 506
63
Spring Pincart
0018 806
65
Starter Dog
4277 504
66
Toothed Wheel
4277 507
67
Washer
6912 505
69
Driving Wheel
6912 050
79
Screw
0010 364
84
Cover
6912 301
92
Screw M8X45-Din 931 8.8
0010 334
93
Washer
6925 507
94
Screw
0010 309
95
Shell
6925 508
96
Throttle Return Spring
6925 509
97
Shell
6925 510
98
Console
6925 511
99
Bush
6925 512
100
Pulley-Camshaft
6925 513
101
Pulley-Camshaft
6925 521
102
Bearing
4253 109
103
Circlip
4252 554
104
Washer
6925 514
105
Drive Belt 42Cm
6925 515
106
Deflector-Muffler
6905 307
107
Baffle Plate
6905 306
108
Rod
6905 304
109
Rear Flap
6905 305
110
Belt
6905 303
113
Handlebar Holder
6905 018
117
Screw
0013 654
129
Washer
0017 121
132
Washer
0017 849
145
Cover
6966 506
146
Washer
6966110
147
Screw
6966111
****
Bag With Accessories
6922 060
****
Safety Label
0051 224
****
Instruction Manual
0054 088
Lists
Wolf
Handtools
Hedge-shears
Secateurs
Grass-shears
Loppers
Tree Lopper
Tree care
Illumination, Ambiance
Battery-shears
Shredders
Saws
Grass-Trimmers
Reel-mowers
Spreaders / Portax
Irrigation
Scarifiers / Aerators
Mowers
Accu
Petrol
Without drive up to 42 cm
Without drive from 43 cm on
Drive up to 42 cm
Drive from 43 cm on
series 2
series 4
series 6
6.51 BA
6.46 BA
Data Sheet
Upper Handlebar, Blade stop
Handlebar parts
6.46 BA
6.46 BA
XE, XTE, XTL 35/40/45/50-I/C-ES
XE, XTE 35/40-50/55
6.46 BAM
6.51 BA
Moto-Verte
Concept
Premio
Power Edition
Esprit
Others
Electric start / Touch 'n Mow
Electro
Ride-on Mowers
Petrol engines
Optional extras
Terms and Conditions
(C) by motoruf