back to
>
Mowers
>
Petrol
>
Drive from 43 cm on
>
series 6
>
6.51 BA
>
6.51 BA
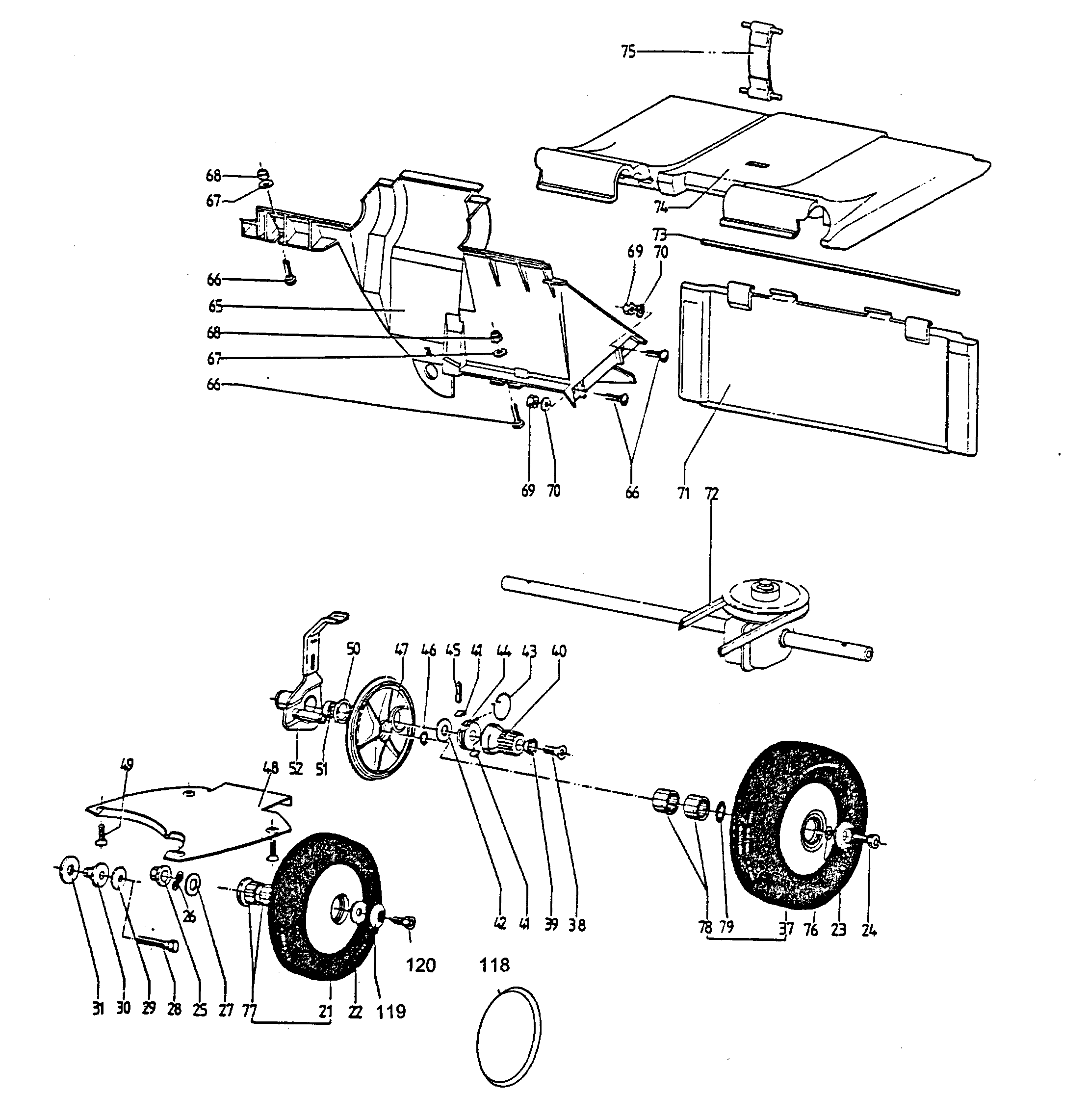
Spare Parts Lists for Wolf Mowers 6.51 BA
spare parts list 1
spare parts list 2
pos.
decription
spare part number
1
Chassis
6930 300
2
Insert-Grip
6950 301
3
Ring
6950 503
4
Retainer-E Ring
6950 302
5
Clip
6912 504
6
Pulley-Camshaft
6930 501
7
Washer
6920 302
8
Threaded Pin
6912 502
9
Coupling
6925 400
10
Starter Dog
6912 401
11
Starter Dog
6925 500
12
Blade
6930 090
13
Washer
4289 413
14
Washer spring
0017 911
15
Screw
0010 258
16
Insulator
6930 301
17
Spring
6950 203
18
Screw
4289 225
19
Washer A 8,4 Din 125
0017 123
20
Lever
6930 302
21
Wheel ø 200 mm
6950 040
29
Washer
0017 291
32
Lever
6950 017
33
Washer
6905 502
34
Lever
6950 016
35
Washer
4151 209
36
Hex. Nut
0016 312
43
Throttle Return Spring
4277 506
44
Free Running
4277 505
45
Spring Pincart
0018 806
46
Clip
6912 507
50
Washer
6912 508
51
Bearing
4253 109
53
Cover
6912 509
54
Screw
0013 654
55
Clip
6912 510
56
Rubber Washer
6912 511
57
Lever
6950 014
58
Screw
0015 686
59
Washer
0017 286
60
Nut
4252 213
61
Lower Handlebar
6930 100
62
Screw
6930 101
63
Isolator6.51Ba
6930 102
64
Handlebar Holder
6930 103
73
Rod
6930 307
74
Rear Flap
6930 308
92
"Wolf-Garten" Brand
0051 146
117
Gum
6950 100
pos.
decription
spare part number
22
Distance Ring
1086 107
23
Washer
6905 501
24
Screw
0011 130
25
Arm
4249 501
26
Washer
0017 831
27
Washer
6920 501
28
Screw
0010 391
30
Bush
6950 502
31
Belleville Spring Washer
0022 842
37
Driving Wheel
6930 051
38
Screw
0011 444
39
Washer
6912 505
40
Toothed Wheel
4277 507
41
Starter Dog
4277 504
42
Washer
0017 282
47
Hub Cap
6912 506
48
Cover
6930 303
49
Screw
6930 304
52
Lever
6950 015
65
Deflector-Muffler
6930 306
66
Screw
0013 640
67
Washer
0017 289
68
Nut
0016 311
69
Nut
0016 256
70
Washer
0017 897
71
Baffle Plate
6930 305
72
Drive Belt 42Cm
6950 509
75
Belt
6930 309
76
Washer
0017 121
77
Bearing
4249 509
78
Bushing
6930 514
79
Washer
4254 214
118
Cover
6966 506
119
Washer
6966110
120
Screw
6966111
Lists
Wolf
Handtools
Hedge-shears
Secateurs
Grass-shears
Loppers
Tree Lopper
Tree care
Illumination, Ambiance
Battery-shears
Shredders
Saws
Grass-Trimmers
Reel-mowers
Spreaders / Portax
Irrigation
Scarifiers / Aerators
Mowers
Accu
Petrol
Without drive up to 42 cm
Without drive from 43 cm on
Drive up to 42 cm
Drive from 43 cm on
series 2
series 4
series 6
6.51 BA
Data Sheet
Upper Handlebar, Blade stop
Handlebar parts
6.51 BA
6.51 BA (gear)
XE, XTE, XTL 35/40/45/50-I/C-ES
XE, XTE 35/40-50/55
6.46 BA
6.46 BAM
6.51 BA
Moto-Verte
Concept
Premio
Power Edition
Esprit
Others
Electric start / Touch 'n Mow
Electro
Ride-on Mowers
Petrol engines
Optional extras
Terms and Conditions
(C) by motoruf