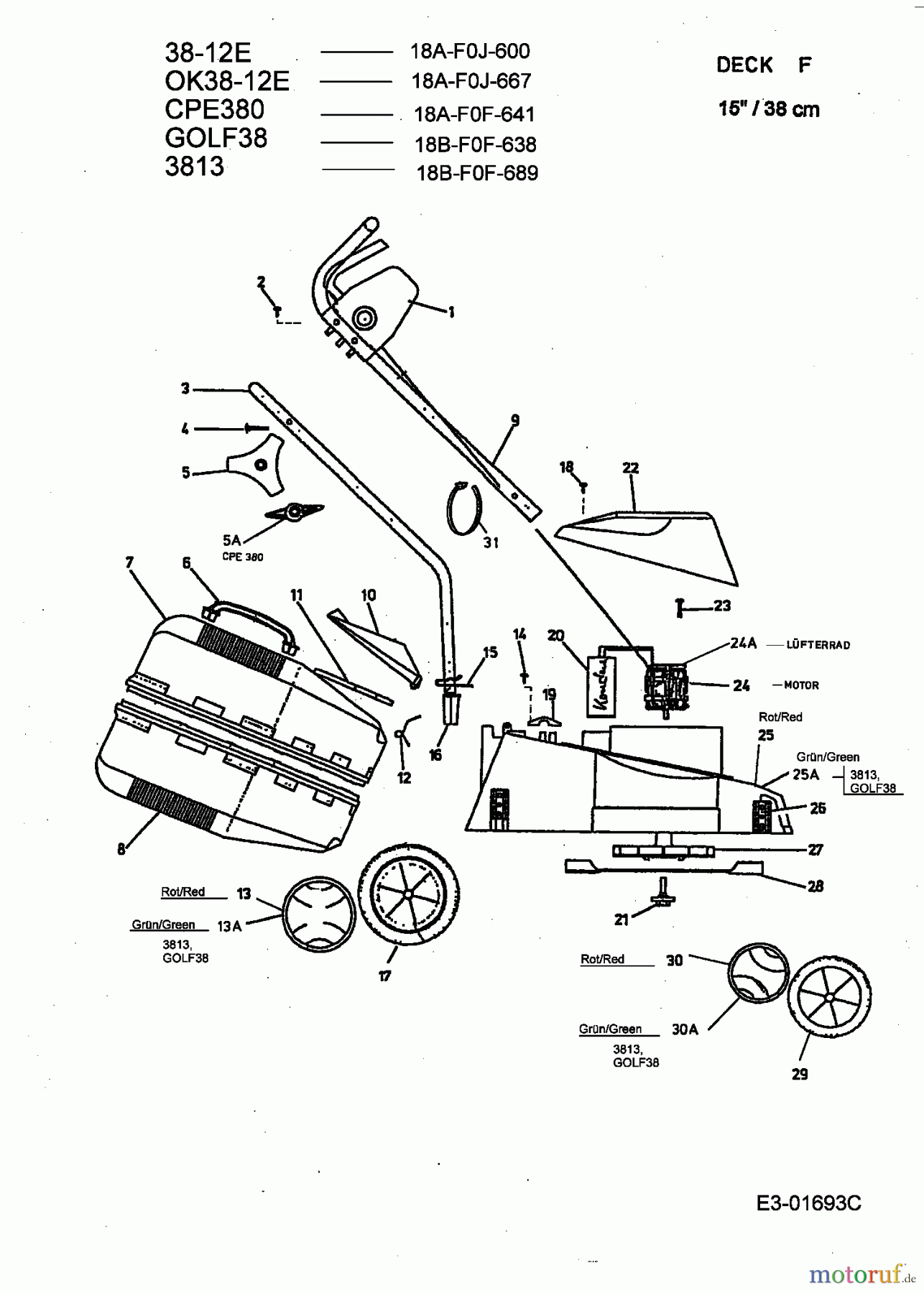
Golf 38 18B-F0F-638 (2004) Basic machine Spareparts
BLADE-STAR 17.3 LG 2.5 WIDE
Article Number:
FV-9130801
Pos:
28
DINNORM:
9130801
Modell Year:
38-12 E / 2004 CPE 380 / 2004 OK 38-12 E / 2004 Golf 38 / 2004 3813 / 2004
13.31 €
for EU Including VAT, plus shipping
Article added to Cart!
in Stock


Report Error
Help us to improve this site. Notify us if something is wrong here.





