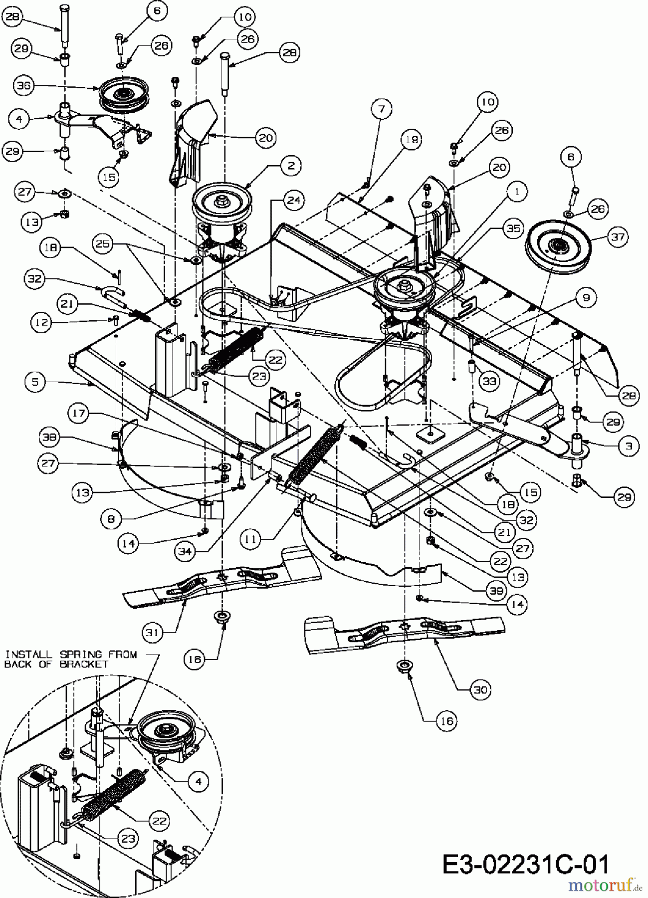
MTD Accessories Mowing decks for 500 series, Mowing deck I (36"/92cm) 196-719-678 (2006) Mowing deck I (36"/92cm) Spareparts
BLADE:LH:18.40:STAR BAG
Article Number:
742-04161
Pos:
31
DINNORM:
STAR BAG
Modell Year:
für 500 Serie, Mähwerk I (36"/92cm) / 2006 für 450 Serie, Mähwerk I (36"/92cm) / 2006 HS 5200 / 2006 GLX 92 SHL / 2006
33.89 €
for EU Including VAT, plus shipping
Article added to Cart!
in Stock


Report Error
Help us to improve this site. Notify us if something is wrong here.



























