.com
Shopping Basket
empty
Your Account
Log in
Register
Home
Contact
About
Guestbook
Shipping Costs
Terms and Privacy
SPAREPARTS
Search by Part Number
Diagrams & Parts Lists
Gardening & Forestry
Industry & Shop
Chainsaw Chains
Guide Bars
Sprocket Rims
CATALOG
Mowing, trimming
Engine parts
Workshop
Components
Forestry
Electrical items
Winter items
V-belts / Pulleys
Filters
Toys
Agricultural Parts
Topseller
SERVICE
We search for You
Determine Chain
DE
EN
FR
ES
IT
Mobile
Toro 58402 - 2 hp Edger, 1984 (4000001-4999999) CRANKSHAFT ASSEMBLY Spareparts
Start
Toro Neu
Edgers
58402 - Toro 2 hp Edger, 1984 (4000001-4999999)
CRANKSHAFT ASSEMBLY
DISCONTINUED
Article Number:
TR53-0430
no longer available
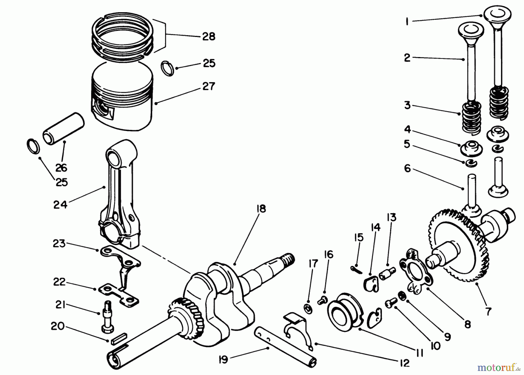
Pos
Article Number
Description
1
TR53-0450
DISCONTINUED
2
TR53-0460
DISCONTINUED
3
TR53-0470
DISCONTINUED
4
TR50-2150
DISCONTINUE
5
TR50-2170
DISCONTINUED
6
TR53-0420
DISCONTINUED
TR53-0430
DISCONTINUED
TR53-0440
DISCONTINUED
7
TR53-0710
DISCONTINUED
8
TR50-3090
DISCONTINUED
9
TR50-0600
DISCONTINUED
10
TR81-1410
DISCONTINUED
11
TR50-3120
DISCONTINUED
12
TR53-0490
DISCONTINUED
13
TR81-1410
DISCONTINUED
14
TR50-3090
DISCONTINUED
15
TR50-0420
DISCONTINUED
16
TR50-0220
DISCONTINUED
17
TR50-0590
DISCONTINUED
18
TR53-0390
DISCONTINUED
19
TR53-0480
DISCONTINUED
20
TR53-0400
DISCONTINUED
21
TR53-0350
DISCONTINUED
22
TR53-0360
DISCONTINUED
23
TR53-0370
DISCONTINUED
24
TR53-0340
DISCONTINUED
25
TR50-0950
DISCONTINUED
26
TR53-0330
DISCONTINUED
27
TR53-0270
DISCONTINUED
TR53-0280
DISCONTINUED
TR53-0290
DISCONTINUED
28
TR53-0300
DISCONTINUED
TR53-0310
DISCONTINUED
TR53-0320
DISCONTINUED
Report Error
Help us to improve this site. Notify us if something is wrong here.