.com
Shopping Basket
empty
Your Account
Log in
Register
Home
Contact
About
Guestbook
Shipping Costs
Terms and Privacy
SPAREPARTS
Search by Part Number
Diagrams & Parts Lists
Gardening & Forestry
Industry & Shop
Chainsaw Chains
Guide Bars
Sprocket Rims
CATALOG
Mowing, trimming
Engine parts
Workshop
Components
Forestry
Electrical items
Winter items
V-belts / Pulleys
Filters
Toys
Agricultural Parts
Topseller
SERVICE
We search for You
Determine Chain
DE
EN
FR
ES
IT
Mobile
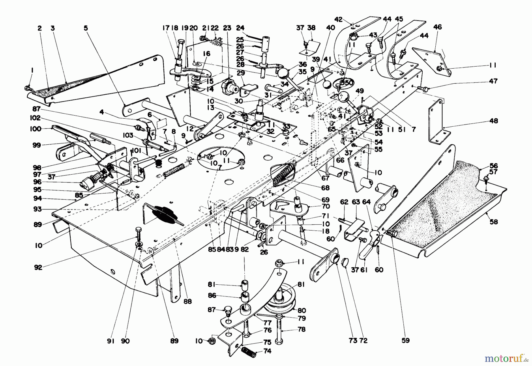
Toro 55275 (888) - 888 matic Tractor, 1972 (2000001-2999999) FRAME ASSEMBLY Spareparts
Start
Toro Neu
Mowers, Lawn & Garden Tractor
Seite 1
55275 (888) - Toro 888 Toromatic Tractor, 1972 (2000001-2999999)
FRAME ASSEMBLY
Article Number:
TR32121-82
Pos:
24
no longer available
Pos
Article Number
Description
1
TR322-4
Schraube
2
TR7-4128
DISCONTINUED OBS
3
TR7-4033
4
TR12-8750
5
TR7-5770
6
TR12-4020
7
TR3272-6
Splint
8
TR7-4185
9
TR3272-7
Stift
10
TR32152-1
Mutter
11
TR32152-2
NUT-LOCK, CONE
12
TR7-4195
13
TR7-4166
14
TR3296-44
Stoppmutter
15
TR3290-301
Federring
16
TR3256-4
WASHER-FLAT
17
TR256-206
BUSHING
18
TR12-7610
19
TR7-4164
20
TR7-4182
21
TR321-2
Schraube
22
TR7-4460
23
TR7-3902
DISCONTINUED
24
TR32121-82
25
TR74181
26
TR32121-45
Stift
27
TR7-4172
28
TR7-4160
29
TR7-4098
DISCONTINUED
30
TR17-1170
DISCONTINUED
31
TR7-4237
32
TR3230-1
Schraube
33
TR7-7850
34
TR7-4265
35
TR7-4076
36
TR233-48
KNOB
37
TR32140-32
Schraube
38
TR7-5900
39
TR233-17
KNOB
40
TR7-4245
41
TR32152-4
Mutter
42
TR7-7620
DISCONTINUED OBS
43
TR32152-3
Mutter
44
TR323-4
Schraube
45
TR323-51
BOLT-PLOW
46
TR7-4032
47
TR322-2
Schraube
48
TR7-4187
TR7-4470
49
TR7-4071
50
TR321-3
SCREW-HH
51
TR7-4070
52
TR7-4073
53
TR3290-93
Schraube
54
TR12-3320
MICRO SWITCH
55
TR3296-52
Mutter
56
TR7-4130
DISCONTINUED
57
TR32104-77
10-16 X 3/8 THDG SCREW
58
TR7-4034
59
TR322-6
Schraube
60
TR32121-73
PIN-ROLL
61
TR7-6560
62
TR7-6540
63
TR7-5850
64
TR7-5780
65
TR12-6880
66
TR7-7840
67
TR7-7800
68
TR7-4292
DISCONTINUED OBS
69
TR7-4052
70
TR7-4170
71
TR256-172
BUSHING
72
TR2410-26
73
TR7-4022
74
TR7-5840
75
TR7-5860
76
TR323-8
SCREW-HH
77
TR7-5830
78
TR323-13
Schraube
79
TR7-6530
80
TR62-4540
Riemenscheibe
81
TR7-6550
82
TR3256-27
Scheibe
83
TR7-4277
84
TR7-4278
85
TR32121-51
Stift
86
TR256-173
Buechse
87
TR12-1450
88
TR7-4196
89
TR3256-3
Scheibe
90
TR1-806003
HAARNADELSICHERUNG
91
TR3253-4
Federring
92
TR32104-28
DISCONTINUED
93
TR7-4291
DISCONTINUED
94
TR12-3920
95
TR7-4183
96
TR12-6770
DISCONTINUED OBS
97
TR12-8420
98
TR12-6850
99
TR7-3668
100
TR7-3900
Gummibelag
101
TR237-62
Buechse
102
TR7-4590
103
TR17-1030
Report Error
Help us to improve this site. Notify us if something is wrong here.