Your Account
Settings PC Version

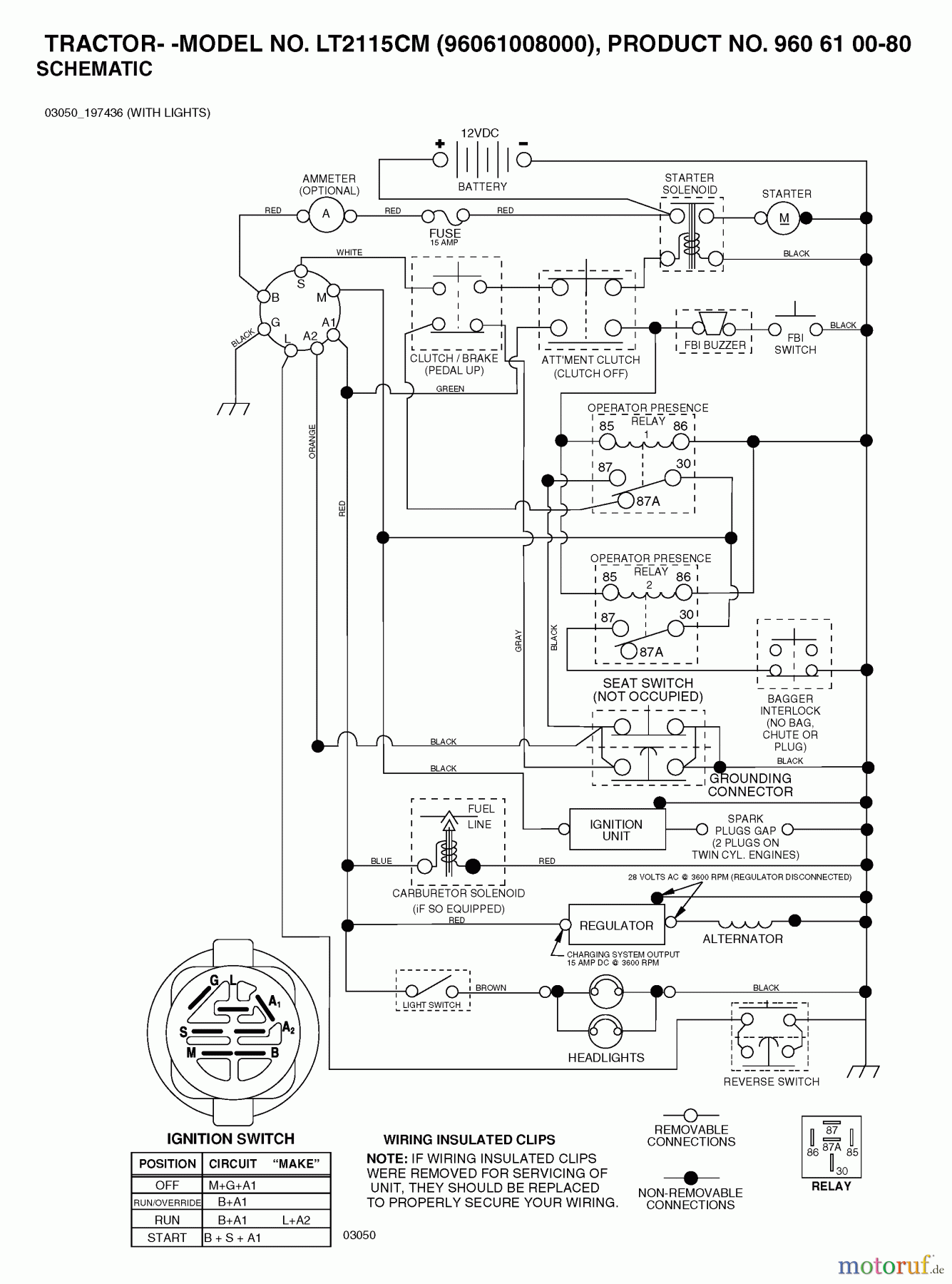
Jonsered LT2115 CM (96061008000) - Lawn & Garden Tractor (2006-04) SCHEMATIC Spareparts

SCHEMATIC LT2115 CM (96061008000) - Jonsered Lawn & Garden Tractor (2006-04)

 Jonsered Rasen  und Garten Traktoren LT2115 CM (96061008000) - Jonsered Lawn & Garden Tractor (2006-04) SCHEMATIC
Rasen
Bankeinzug, MasterCard, Visa, American Express, PayPal, Nachnahme, Vorauskasse, Sofortüberweisung
Report Error
Help us to improve this site. Notify us if something is wrong here.