Your Account
Settings PC Version

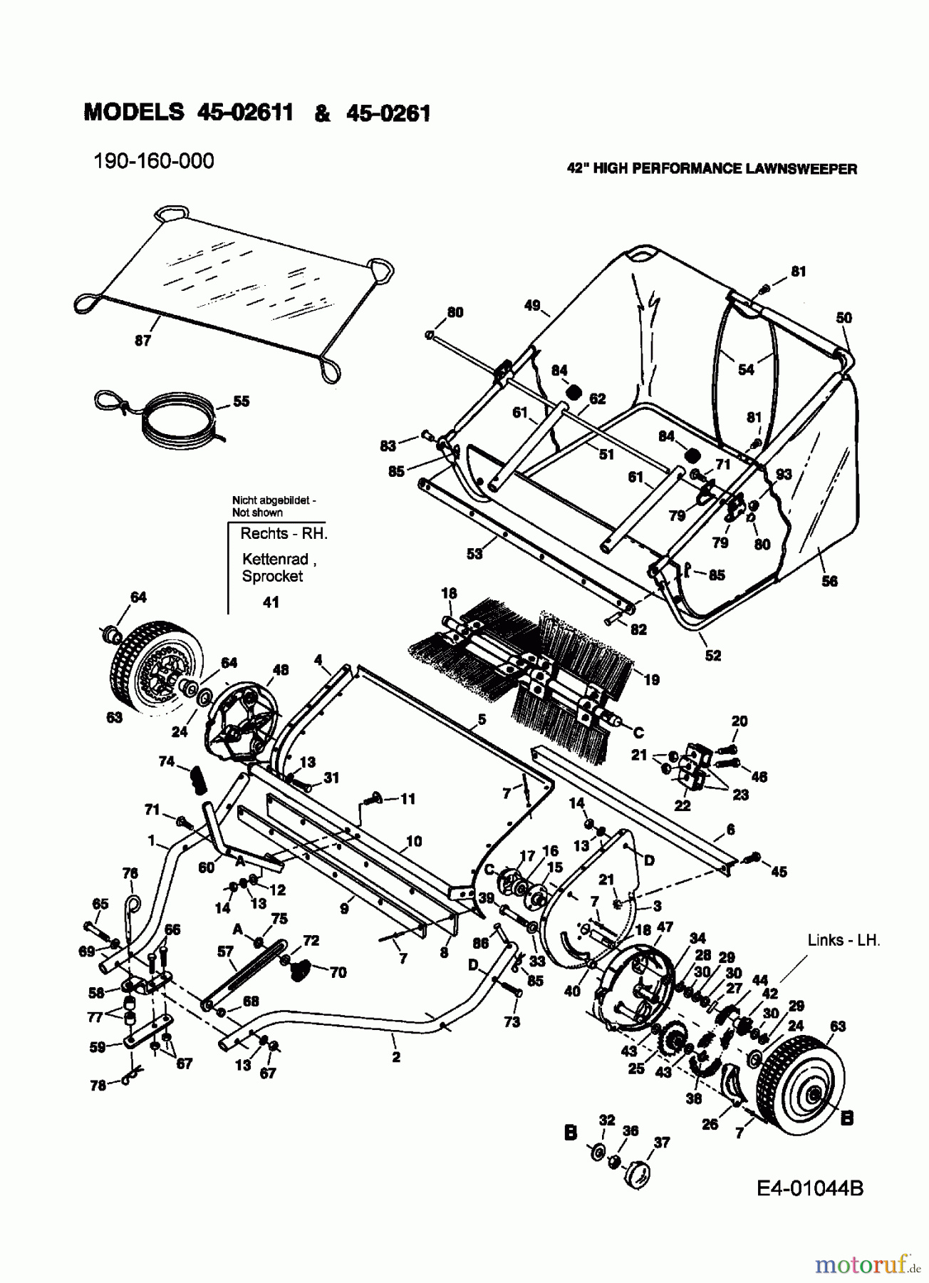
MTD Accessories Sweeper 45-02611 (190-160-000) 190-160-000 (2005) Basic machine Spareparts

Basic machine 190-160-000 (2005)

 MTD Accessories Accessories garden and lawn tractors Sweeper 45-02611  (190-160-000) 190-160-000  (2005) Basic machine
PosArticle NumberDescription
1 AF-46776LEG, RIGHT HAND
2 AF-46777HITCH TUBE L.H.
3 AF-24195PLAQUE
4 AF-24196PLAQUE
5 AF-24184COVER-HARD TOP
6 AF-24185BRACE,REAR SUPPORT
7 AF-C9M-5732RIVET
8 AF-46778SKIRT,42"
9 AF-24186RUBBER STRIP
10 AF-63468HEIGHT ADJUSTEMENT TUBE ASSY
11 AF-44947BOLT, CVD HD 5/16-18x1-5/8
12 AF-44695WASHER, BOWED 1x.32x.06
13 AF-43086LOCKWASHER,5/16 SPRING-TYPE PL
14 AF-43083NUT, 5/16-18 PLTD
15 AF-62489ASS`Y, BRUSH BUSHING WELDM
16 AF-44232RETAINER-BALL
17 AF-1629-56RETAINER-BRG
18 AF-24198SHAFT, BRUSH - 42" HS
19 AF-46780BRUSH, 26" SWEEPER 13-1/4"
20 710-0252SCREW-HEX
21 712-0291NUT:HEXLK:1/4-20:GRA:CTRLK
22 AF-23580BRUSH RETAINER (DOUBLE)
23 AF-23581BRUSH RETAINER (SINGLE)
24 AF-44008WASHER FLAT
25 AF-62490SPROCKET-GEAR SUB ASS`Y 38"
26 AF-23573DUST COVER-38" SEARS
27 AF-47046PIN DOWEL
28 AF-43655RING, RETAINING 3/4" (5100-75)
29 AF-1650-21RING, RETAINING .594 ID
30 AF-44007W-PLAIN-S
31 AF-43182BOLT,HX HD 5/16-18x3/4PLTD GR5
32 AF-141WASHER
33 736-0692WASH:FLAT:10,5 IDx20 OD DIN125
34 MTD Accessories WASH:FLAT:.793 x 1.24 x .06:HT736-0287WASH:FLAT:.793 x 1.24 x .06:HT
36 AF-1038USE 712-0375
37 AF-2674-32HUB CAP
38 AF-43894RETAINER
39 AF-43932USE 710-1043A
40 AF-23400SPACER SHIFT KEY
41 AF-43890SPROCKET-GEAR SUB ASS`Y 38"
42 AF-43889SPROCKET-GEAR SUB ASS`Y 38"
43 AF-44137WASHER
44 AF-44542CHAIN, ROLLER 43x34P ENDLESS
45 AF-43175BOLT,HX HD 1/4-20x1/2 GR5 PLTD
46 AF-43661BOLT, HEX 1/4-20x1 GR 5
47 AF-62791ASS`Y HOUSING WHEEL DRIVE L H
48 AF-62792ASS`Y, HOUSING WHEEL DRIVE RH
49 AF-46734FRAME, UPPER RIGHT
50 AF-46735FRAME, UPPER LEFT
51 AF-46732FRAME, LOWER RIGHT
52 AF-46733FRAME, LOWER LEFT
53 AF-24189FIXATION STRIP, OUTSIDE
54 AF-43938ROD-DISENGAGEMENT
55 AF-43737ROPE, HOPPER BLK 1/4"x10'(W/
56 AF-48398GRASS BAG
57 AF-24191STRAP,HEIGHT ADJUSTMENT
58 AF-23687BRACKET, HITCH
59 AF-24192BRACKET,HITCH(STRAIGHT)
60 AF-24193HEIGHT ADJUSTING LEVER
61 AF-46781TUBE,BAG ARM
62 AF-46823ROD,HYDRO DISENGAGEMENT
63 AF-44985ASS`Y, WHEEL & TITE COMPLETE
64 AF-45088BEARING, WHEEL (38" SWEEP)
65 AF-46782BOLT-Sternantrieb HD
66 AF-43224BOLT-Sternantrieb HD
67 712-0158NUT:HEXLK:5/16-18:GRA:CTRLK
68 AF-46847SLEEVE
69 AF-R19111116WASHER. 1.59x1.032x.060
70 AF-43720KNOB, WING 5/16-18 (x-9966)
71 MTD Accessories BOLT:CRG:5/16-18:.750 GR1710-0451BOLT:CRG:5/16-18:.750 GR1
72 AF-43081WASHER, 5/16" STD WRT PLTD
73 AF-43084SCREW,HEX CAP
74 AF-43943GRIP HT. ADJ 32"/38"
75 AF-44732WASHER, TOOTH LOOK 5/16" ID
76 9389HITCH PIN
77 AF-23368SPACER
78 AF-43343PIN-COTTER
79 AF-23331CLAMP, HOPPER MT
80 726-0100CAP
81 AF-48402PIN-LOCK
82 AF-48365Bolt
83 AF-48366Bolt
84 AF-44481CAP, VINYL
85 AF-43055PIN-COTTER
86 AF-46867PIN, CLEVIS 1/4X1-3/4
87 AF-46739WINDSCREEN 42"
Rasen
Bankeinzug, MasterCard, Visa, American Express, PayPal, Nachnahme, Vorauskasse, Sofortüberweisung
Report Error
Help us to improve this site. Notify us if something is wrong here.