.com
Home
Contact
About
Guestbook
Shipping Costs
Terms and Privacy
SPAREPARTS
Search by Part Number
Diagrams & Parts Lists
Gardening & Forestry
Industry & Shop
Chainsaw Chains
Guide Bars
Sprocket Rims
CATALOG
Mowing, trimming
Engine parts
Workshop
Components
Forestry
Electrical items
Winter items
V-belts / Pulleys
Filters
Toys
Agricultural Parts
Topseller
SERVICE
We search for You
Determine Chain
Your Account
Log in
Register
Settings
DE
EN
FR
ES
IT
PC Version
STANLEY COMPRESSOR 1.5G 150PSI UM STFP70635MJ Spareparts
Start
STANLEY
COMPRESSORS
COMPRESSOR 1.5G 150PSI UM
STFP70635MJ
Seite 1
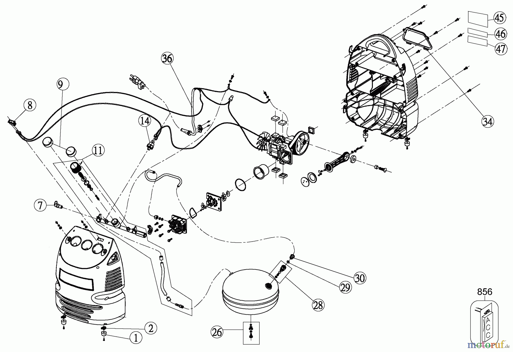
STFP70635MJ COMPRESSOR 1.5G 150PSI UM
Pos
Article Number
Description
1
SB-5140060-84
FOOT
2
SB-5140060-85
SLEEVE
7
SB-5140069-86
PRESSURE RELIEF VALV
8
SB-5140069-87
SWITCH
9
SB-5140069-88
GAUGE
11
SB-5140069-90
REGULATOR/MANIFOLD
14
SB-5140069-93
PRESSURE SWITCH
26
SB-5140070-05
DRAIN COCK
28
SB-5140070-06
CHECK VALVE
29
SB-5140070-07
ORING
30
SB-5140070-08
BRASS NUT
34
SB-5140060-86
STORAGE COVER
36
SB-5140070-13
CORDSET
45
SB-N038691
WARNING LABEL
46
SB-5140111-73
NAME PLATE
47
SB-N038680
LABEL DRAIN TANK
856
SB-5140070-20
HOSE SA, REINFORCED
Report Error
Help us to improve this site. Notify us if something is wrong here.