.com
Home
Contact
About
Guestbook
Shipping Costs
Terms and Privacy
SPAREPARTS
Search by Part Number
Diagrams & Parts Lists
Gardening & Forestry
Industry & Shop
Chainsaw Chains
Guide Bars
Sprocket Rims
CATALOG
Mowing, trimming
Engine parts
Workshop
Components
Forestry
Electrical items
Winter items
V-belts / Pulleys
Filters
Toys
Agricultural Parts
Topseller
SERVICE
We search for You
Determine Chain
Your Account
Log in
Register
Settings
DE
EN
FR
ES
IT
PC Version
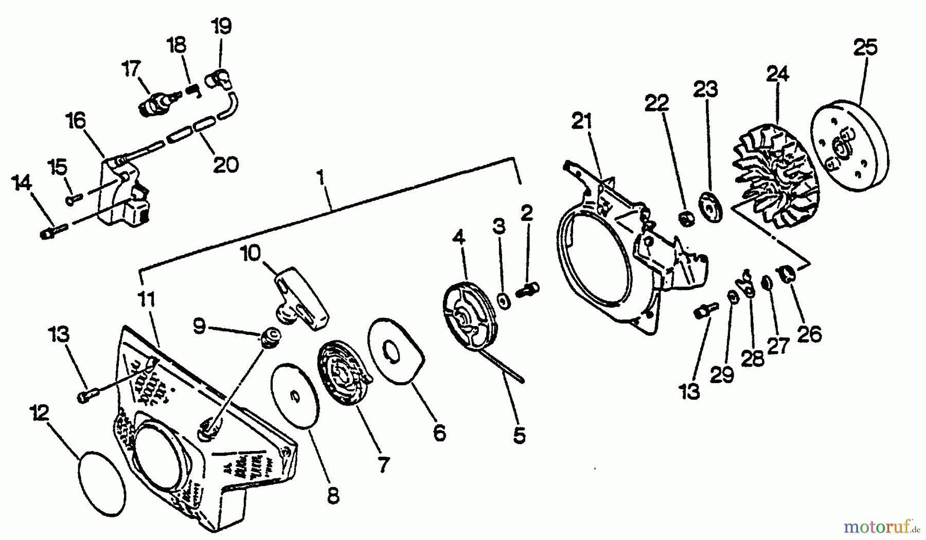
Echo CSG-6700 - Cut-Off Saw, S/N: 001001 - 002600 Starter Spareparts
Start
Echo
Trennsägen
CSG-6700 - Echo Cut-Off Saw, S/N: 001001 - 002600
Starter
Starter CSG-6700 - Echo Cut-Off Saw, S/N: 001001 - 002600
Pos
Article Number
Description
1
1617720007064
2
16-900162-05014
Schraube M 5x14
3
16-900603-00005
Scheibe(Eisen) CS-2600/PB-250/
4
16-177215-32330
Seiltrommel
5
16-177226-07060
Starterseil CS-6702/8001, PB-
6
16-177221-07060
Starterplatte CS-6701/6700,
7
16-177220-02834
Starterfeder CS-8000/8001
8
16-177221-02830
Platte
9
16-177227-07060
Seilführung CS-6702/8001, PB-
10
16-177228-30830
Startergriff
11
1610150707062
12
16-890118-17930
Aufkleber, ECHO PB-6000 ab S.-
13
16-900162-05020
Schraube M5x20 PB-6000/-46LN/-
14
16-900162-04020
Schraube SHR-170SI, T-226
15
16-900242-04008
Schraube
16
16-156601-32631
Elektronikmodul CS-6701, CS-
17
16-159010-12330
Zündkerze
18
16-159011-03432
Kontaktfeder CS-2600/4200/PB-
19
16-159012-03433
Zündkerzenkappe, Gummi PPT-
20
16-156611-19830
Schutzhülle
21
1610153507061
22
16-900500-00008
Mutter 8
23
16-100143-19830
Scheibe PB-250
24
16-101521-32330
Lüfterrad CSG-680, CSG-6700,
25
16-156800-32631
Polrad CS-6701, CS-8000, CSG-
26
16-177234-19832
Feder CS-680
27
16-177247-07060
Hülse CSG-6700
28
16P021009870
29
16-900603-00005
Scheibe(Eisen) CS-2600/PB-250/
Report Error
Help us to improve this site. Notify us if something is wrong here.