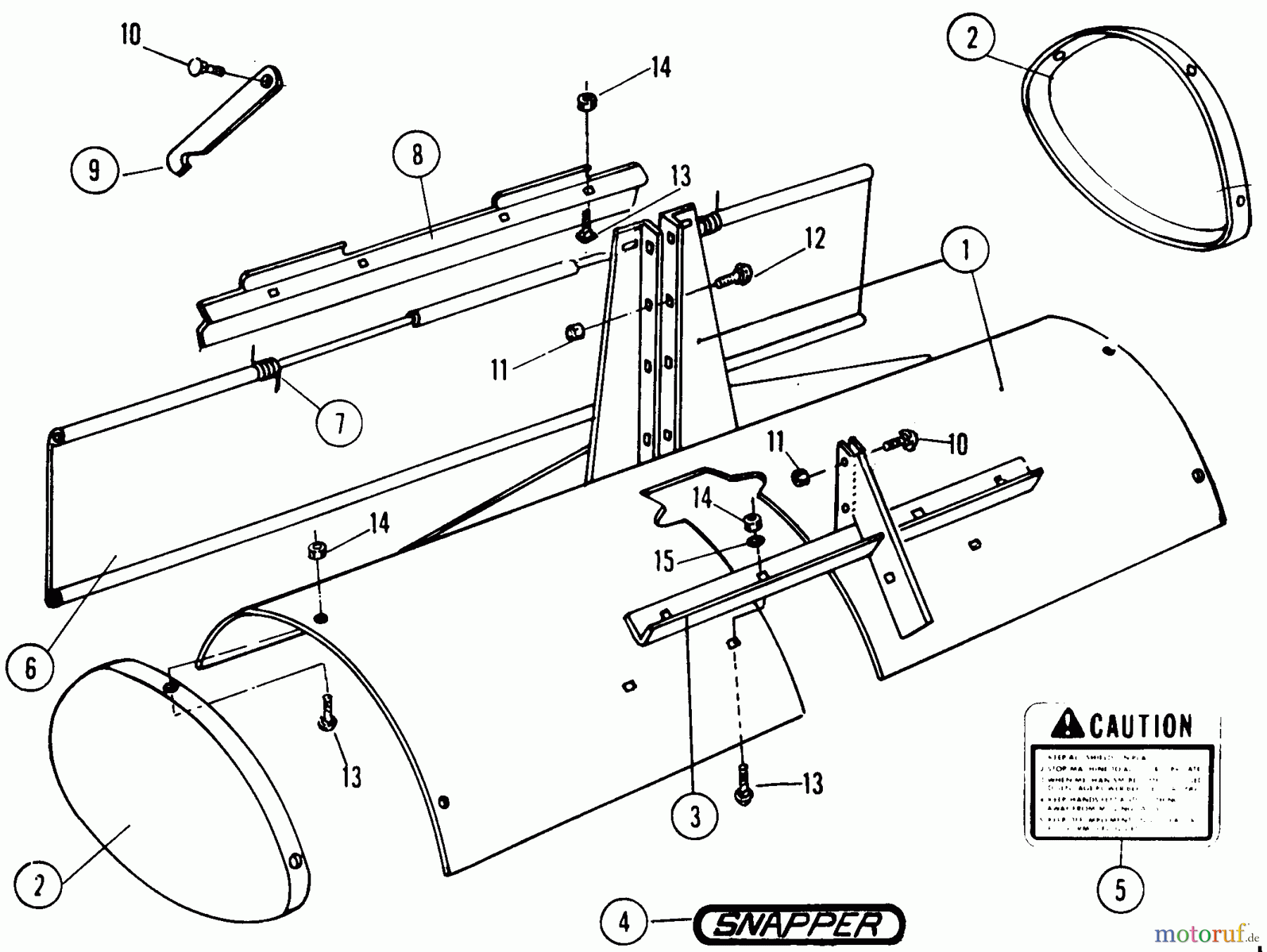
Snapper 7060373 - 36" Rear PTO Tiller Attachment, MF Series Frame, Shroud Spareparts
Frame, Shroud 7060373 - Snapper 36" Rear PTO Tiller Attachment, MF Series

| Pos | Article Number | Description | |
| 1 | BS7013799 | ||
| 2 | BS7013095 | ||
| 3 | BS7013798 | ||
| 4 | BS7019668YP | DECAL, REAR FENDER | |
| 5 | BS7018443 | ||
| 6 | BS7013199 | ||
| 7 | BS7013955 | ||
| 8 | BS7013094 | ||
| 9 | BS7013801 | ||
| 10 | BS7090496YP | RHSSNB, 1/4C X1 GR5 Z | |
| 11 | BS7091705SM | HTLN, 1/4C GR.B YZ | |
| 12 | BS1931317SM | BOLT - RD HD | |
| 13 | BS703798 | BOLT, 5/16-18X0.50 | |
| 14 | BS7090194 | ||
| 15 | BS7090692YP | FW, 5/16 X 7/8 X .083 | |


Report Error
Help us to improve this site. Notify us if something is wrong here.

