.com
Home
Contact
About
Guestbook
Shipping Costs
Terms and Privacy
SPAREPARTS
Search by Part Number
Diagrams & Parts Lists
Gardening & Forestry
Industry & Shop
Chainsaw Chains
Guide Bars
Sprocket Rims
CATALOG
Mowing, trimming
Engine parts
Workshop
Components
Forestry
Electrical items
Winter items
V-belts / Pulleys
Filters
Toys
Agricultural Parts
Topseller
SERVICE
We search for You
Determine Chain
Your Account
Log in
Register
Settings
DE
EN
FR
ES
IT
PC Version
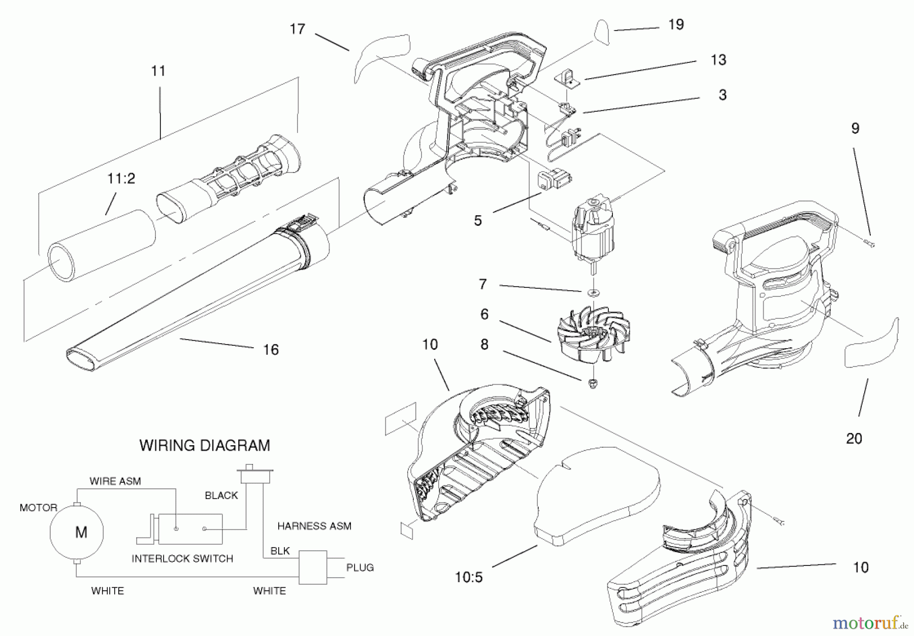
Toro 51589 - Quiet Blower Vac, 2000 (200000001-200999999) BLOWERVAC ASSEMBLY Spareparts
Start
Toro Neu
Blowers/Vacuums/Chippers/Shredders
51589 - Toro Quiet Blower Vac, 2000 (200000001-200999999)
BLOWERVAC ASSEMBLY
BLOWERVAC ASSEMBLY 51589 - Toro Quiet Blower Vac, 2000 (200000001-200999999)
Pos
Article Number
Description
3
TR100-9053
WIRE HARNESS
5
TR95-3286
SWITCH - INTERLOCK
6
TR98-3150
IMPELLER - BLOWER
7
TR93-0585
Scheibe
8
TR114-9015
NUT-IMPELLER
9
TR94-4496
SCREW-PPH
10
TR100-1223
Daempfergehaeuse Kpl.
10:5
TR98-3174
Innendaemmung
11
TR100-1224
11:2
TR98-3159
FOAM - INSERT
16
TR93-0571
Blasrohr
17
TR100-2462
DECAL - WARNING
19
TR95-5106
DECAL - INFORMATION
20
TR93-0579
Klebeschild Toro
Report Error
Help us to improve this site. Notify us if something is wrong here.