.com
Home
Contact
About
Guestbook
Shipping Costs
Terms and Privacy
SPAREPARTS
Search by Part Number
Diagrams & Parts Lists
Gardening & Forestry
Industry & Shop
Chainsaw Chains
Guide Bars
Sprocket Rims
CATALOG
Mowing, trimming
Engine parts
Workshop
Components
Forestry
Electrical items
Winter items
V-belts / Pulleys
Filters
Toys
Agricultural Parts
Topseller
SERVICE
We search for You
Determine Chain
Your Account
Log in
Register
Settings
DE
EN
FR
ES
IT
PC Version
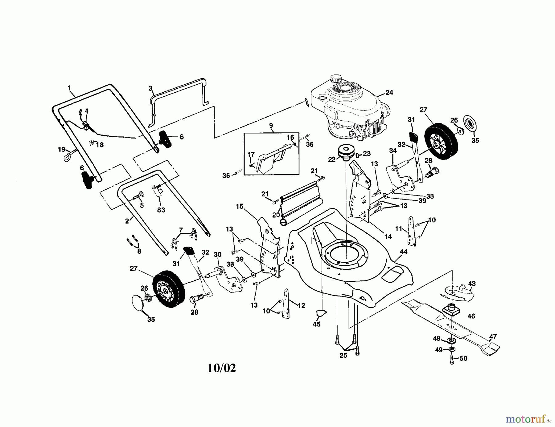
CRAFTSMAN ROTARY MOWER 917.378342 Spareparts
Start
CRAFTSMAN
Divers
ROTARY MOWER
917.378342
Seite 1
917.378342 ROTARY MOWER
Pos
Article Number
Description
1
583702801
HANDLE.UP.21
2
532175245
HANDLE- LOWE
3
583107601
BAIL.DR.FLAT
4
532156581
CABLE.MZR.54
5
532191574
HANDLE BOLT
6
532185577
HANDLE.KNOB.BLACK
7
532051793
HAIRPIN
8
SB-STDPART
COMMONLY AVAIL. PART
9
532180479
KIT.DOOR.RR.
10
128415
BLIND RIVET
11
583389301
KIT.BRACKET.
12
532421560
RH SUPPORT BARCKET
13
17060410
SCREW 14-20 X 5/8
14
433855X479
BRACKET.ASM.
15
433852X479
BRACKET.ASM.
16
532180071
SPRING LH
17
532180072
SPRING.REAR.
18
73800400
NUT.
19
586122501
KIT.ROPE GUI
20
413159
Skirt.Rear.2
21
532088652
HINGE SCREW
22
582940301
ENGINE PULLE
23
SB-000000-00
NO LONGER AVAILABLE
25
150406
BOLT 3/8-16X1-1/8
26
532409148
NUT
27
532150341
WHEEL.9X2.BL
28
SB-000000-00
NO LONGER AVAILABLE
30
532186575
ARM.ASM.AXLE
31
532701037
KNOB/ADJ FRT
32
175060X004
SELECT SPRNG
34
186576X004
ARM.ASM.AXLE
35
583154901
HUBCAP.FULL.
36
184193
BOLT
38
532176185
WASHER
39
532176235
PUSH NUT
43
532190754
COVER
44
583109801
HSG.21.H
45
539913010
DECAL.CPSC
46
581547901
ADAPTOR.BLADE.7/8
47
532406712
BLADE
48
851074
WASHER-HARDEN
49
532850263
WASHER
50
532435345
SCREW.HEX.HE
83
SB-000000-00
NO LONGER AVAILABLE
Report Error
Help us to improve this site. Notify us if something is wrong here.