.com
Home
Contact
About
Guestbook
Shipping Costs
Terms and Privacy
SPAREPARTS
Search by Part Number
Diagrams & Parts Lists
Gardening & Forestry
Industry & Shop
Chainsaw Chains
Guide Bars
Sprocket Rims
CATALOG
Mowing, trimming
Engine parts
Workshop
Components
Forestry
Electrical items
Winter items
V-belts / Pulleys
Filters
Toys
Agricultural Parts
Topseller
SERVICE
We search for You
Determine Chain
Your Account
Log in
Register
Settings
DE
EN
FR
ES
IT
PC Version
CRAFTSMAN ROTARY MOWER 917.378342 Spareparts
Start
CRAFTSMAN
Divers
ROTARY MOWER
917.378342
Seite 2
917.378342 ROTARY MOWER
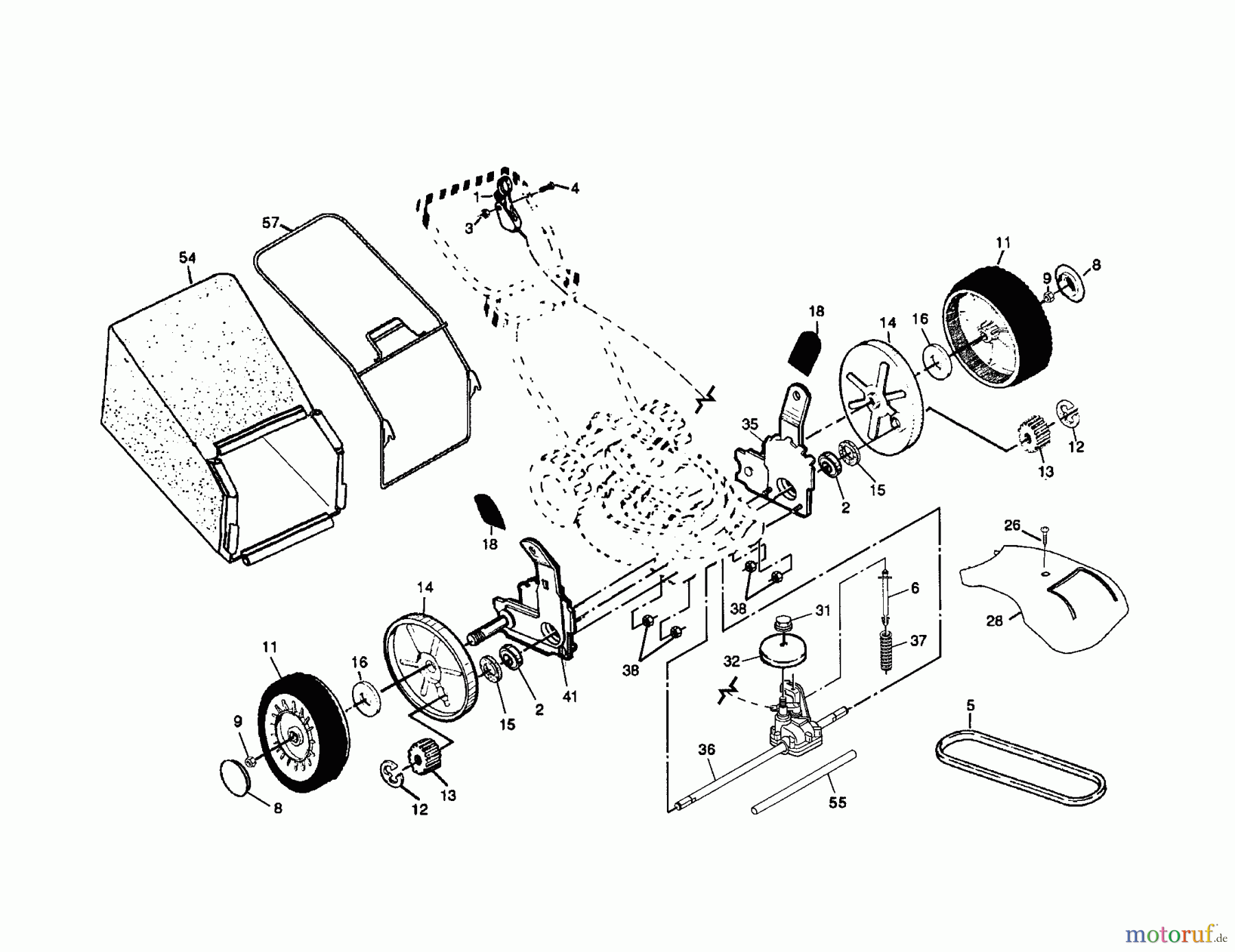
Pos
Article Number
Description
1
583134601
CONTROL.DRIV
2
167387
BEARING.BALL
3
191730
NUT.HEX.FLANGE.1/4
4
158755
SCREW.PAN.HEAD
5
532175436
V-BELT
6
532150495
SPRING RETAINER
8
583154901
HUBCAP.FULL.
9
532409149
NUT HEX FLANGELOCK 3/8-16
11
180775
WHEEL ASSY.
12
12000058
E-RING 7/16 RE
13
137054
PINION
14
581840401
COVER.DUST.W
15
532088118
WASHER
16
532067725
WASHER
18
532701037
KNOB/ADJ FRT
26
175262
SCR- HEX HD TAPPING
28
532437165
Drive Cover
31
532409148
NUT
32
532194126
DRIVEN PULLEY
35
532151521
ADJUSTER LH
36
532180184
TRANSMISSION
37
532137090
SPRING.EXTEN
38
SB-STDPART
COMMONLY AVAIL. PART
41
532151520
WHEEL ADJ RH
54
410677
GBAG.250E2.B
55
SB-000000-00
NO LONGER AVAILABLE
57
183993
FRAME.GBAG.2
Report Error
Help us to improve this site. Notify us if something is wrong here.