.com
Home
Contact
About
Guestbook
Shipping Costs
Terms and Privacy
SPAREPARTS
Search by Part Number
Diagrams & Parts Lists
Gardening & Forestry
Industry & Shop
Chainsaw Chains
Guide Bars
Sprocket Rims
CATALOG
Mowing, trimming
Engine parts
Workshop
Components
Forestry
Electrical items
Winter items
V-belts / Pulleys
Filters
Toys
Agricultural Parts
Topseller
SERVICE
We search for You
Determine Chain
Your Account
Log in
Register
Settings
DE
EN
FR
ES
IT
PC Version
MTD GARTENTILLER 5 216-3200 (1986) Chain case Spareparts
Start
MTD
Tillers
GARTENTILLER 5
216-3200 (1986)
Chain case
Chain case 216-3200 (1986)
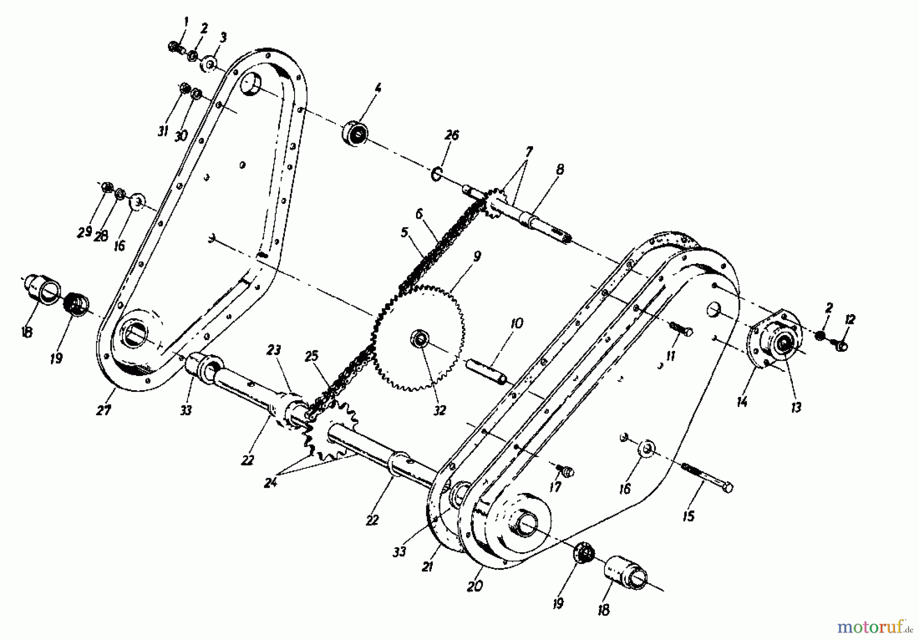
Pos
Article Number
Description
1
710-0513
BOLT
2
736-0329
WASHER:LOCK:1/4:REGULAR DUTY
3
736-0176
WASHER:FLAT:.265 x .938 x .120
4
741-0155
BRG:BALL:.62x1.38x.43:1623:DS
5
713-0327
#35 CHAIN 3/8 PITCH
6
713-0139
#35 MASTER LINK
7
4956
DRIVE SHAFT
8
750-0471
SPACER
9
713-0331
SPROCKET ASSY
10
750-0275
HUB-SPROCKET
11
710-0118
HHCS:5/16-18:.75:GR2:STD
12
710-0599
SCREW:TT:1/4-20:0.500:HXINDWSH
13
741-0155
BRG:BALL:.62x1.38x.43:1623:DS
14
05034A
HOUSING-BEARING
15
710-0629
SCREW-HEX
16
736-0258
WASHER:FLAT:.385 x 1.0 x.135
17
710-0599
SCREW:TT:1/4-20:0.500:HXINDWSH
18
731-0487
CAP-DUST
19
721-0175
626-2903/627832019003
20
14985
HOUSING LH
21
721-0170
Gasket
22
736-0163
WASHER-FL
23
750-0570
SPACER
24
784-0089
SHAFT ASSY-TINE
25
713-0328
CHAIN:ENDLESS:#50 x 46 LINKS
26
716-0131
Circlip
27
14984
HOUSING-RH
28
736-0169
WASH:LOCK:3/8:REGULAR DUTY
29
712-0711
NUT:JAM:3/8-24:GR5
30
736-0119
WASHER:LOCK:5/16:SPLT:REG
31
712-0267
NUT:HEX:5/16-18:GR2
32
741-0304
BEARING
33
731-0374
BEARING-KING PIN
Report Error
Help us to improve this site. Notify us if something is wrong here.