back to
AS-Motor
>
AS Aufsitzmäher
>
AS 800
>
Abdeckungen
Spare Parts Lists for AS Motor AS Aufsitzmäher Abdeckungen
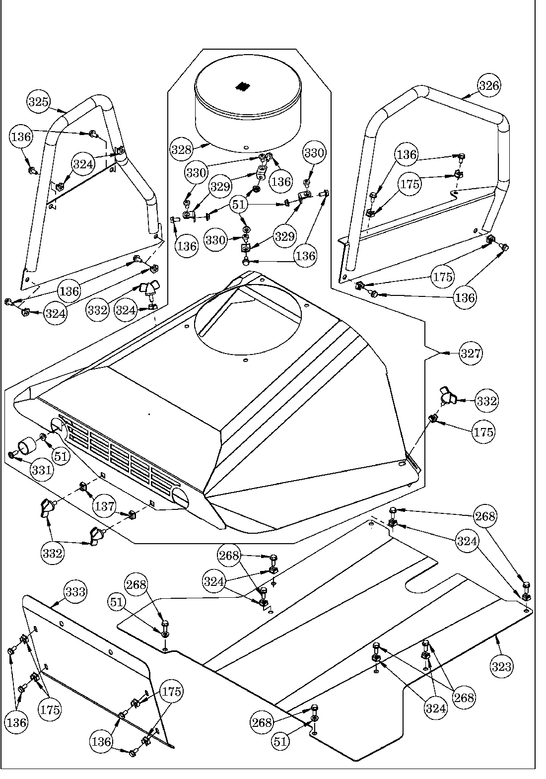
pos.
decription
spare part number
51
Sicherungsmutter
E05975
136
SICHERUNGSSCHRAUBE
E04631
137
Kastenmutter
E08289
175
Kastenmutter
E08437
268
Sicherungsschraube
E07247
323
Bodenplatte
E08462
324
Kastenmutter
E06672
325
Seitendeckel links vollst.
E08435
326
Seitendeckel rechts vollst.
E08434
327
Motorabdeckung vollst.
E08463
328
Lüftergitter
E08464
329
Befestigungswinkel
E06708
330
Linsenkopfschraube mit Sternantrieb
E05720
331
LINSENFLANSCHKOPFSCHRAUBE
E06733
332
Flügelschraube
E08465
333
Abdeckung hinten
E08466
Lists
AS Motor
AS Batterierasenmäher
AS 45 Ausputzmäher
AS 46 Variomat
AS 45 Universal
AS 53 Standard
AS 53 Allrad
AS 55 Heckauswurf
AS 550 Heckauswurf
AS Allmäher
AS Enduro
AS Schlegelmäher
AS Mulchmeister
AS Aufsitzmäher
AS 830
AS 910
AS 910/2
AS 911
AS 800
Elektrische Anlage
Messerhaube
Messer mit Antrieb
Riemenspanner und Bremshebel
Schutztücher
Tank mit Lenkung
Vorderachse
Sitz mit Rahmen
Motor mit Riementrieb
Getriebe mit Differentialsperre
Fahrhebel mit Bremse
Verstellung der Schnitthöhe
Pedale, Messerhebel und Bowdenzüge
Antriebsräder mit Kettentrieb
Abdeckungen
Samix Gartenhäcksler
AS Wildkraut-Hex
Verschleissteile
Terms and Conditions
(C) by motoruf