back to
AS-Motor
>
AS Aufsitzmäher
>
AS 800
>
Messer mit Antrieb
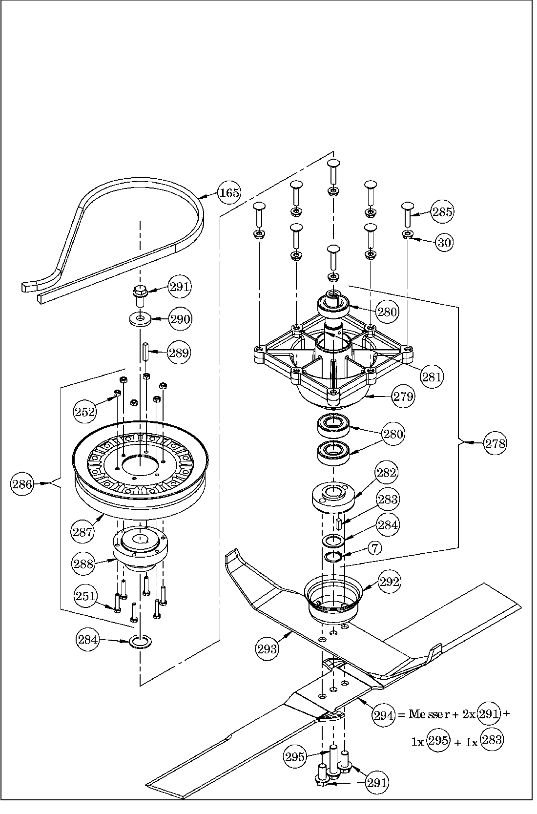
Spare Parts Lists for AS Motor AS Aufsitzmäher Messer mit Antrieb
pos.
decription
spare part number
7
Sicherungsring
E02116
30
SICHERUNGSMUTTER
E06037
165
Hochleistungskeilriemen
E08304
251
SECHSKANTSCHRAUBE
E03933
252
6-kt.Mutter
E06667
278
Messerlagerung m.Welle u. Lager
E08386
279
Messerlagerung
E08525
280
Kugellager
E08351
281
Messerwelle + 1x E07718
E07258
282
Messerscheibe
E07707
283
Paßfeder (Messing)
E08293
284
Stützscheibe
E03928
285
FLACHRUNDSCHRAUBE
E06612
286
Riemenscheibe vollst.
E08396
287
Riemenscheibe kompl.
E08397
288
Riemenscheibennabe
E07531
289
Paßfeder
E06649
290
Scheibe
E07213
291
Sicherungsschraube
E07718
292
Wickelschutzbecher
E07262
293
Flügelmesser 434
E08405
294
Messerbalken 800 mit Schrauben
E08343
295
Sicherungsschraube
E08291
Lists
AS Motor
AS Batterierasenmäher
AS 45 Ausputzmäher
AS 46 Variomat
AS 45 Universal
AS 53 Standard
AS 53 Allrad
AS 55 Heckauswurf
AS 550 Heckauswurf
AS Allmäher
AS Enduro
AS Schlegelmäher
AS Mulchmeister
AS Aufsitzmäher
AS 830
AS 910
AS 910/2
AS 911
AS 800
Elektrische Anlage
Messerhaube
Messer mit Antrieb
Riemenspanner und Bremshebel
Schutztücher
Tank mit Lenkung
Vorderachse
Sitz mit Rahmen
Motor mit Riementrieb
Getriebe mit Differentialsperre
Fahrhebel mit Bremse
Verstellung der Schnitthöhe
Pedale, Messerhebel und Bowdenzüge
Antriebsräder mit Kettentrieb
Abdeckungen
Samix Gartenhäcksler
AS Wildkraut-Hex
Verschleissteile
Terms and Conditions
(C) by motoruf